Type worm driven hose hoop အမျိုးအစား
        • Type worm driven hose hoop အမျိုးအစားType worm driven hose hoop အမျိုးအစား
        • Type worm driven hose hoop အမျိုးအစားType worm driven hose hoop အမျိုးအစား
        • Type worm driven hose hoop အမျိုးအစားType worm driven hose hoop အမျိုးအစား
        • Type worm driven hose hoop အမျိုးအစားType worm driven hose hoop အမျိုးအစား
        • Type worm driven hose hoop အမျိုးအစားType worm driven hose hoop အမျိုးအစား

        Type worm driven hose hoop အမျိုးအစား

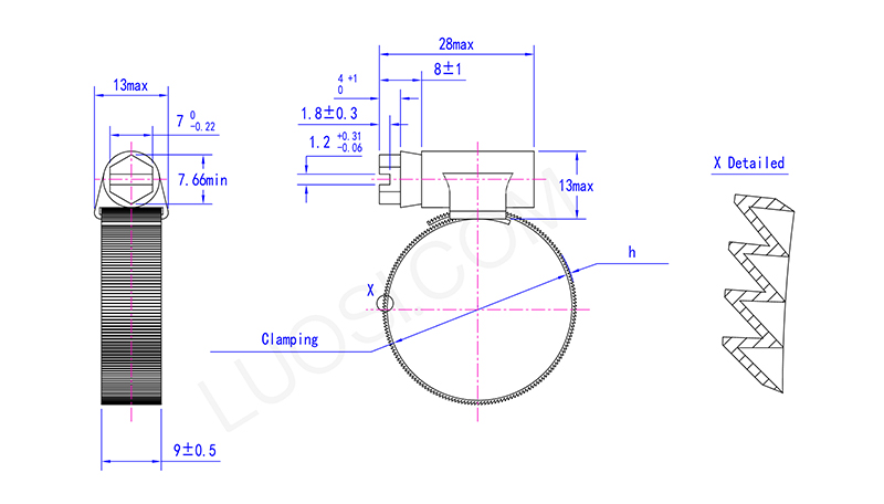
        A Type worm driven hose hoop သည် fittings များပေါ်သို့ ပိုက်များ လုံခြုံစေရန် ဒီဇိုင်းထုတ်ထားသော အထူးပြုကုပ်ကိရိယာတစ်ခုဖြစ်သည်။Xiaoguo® သည် ဆောက်လုပ်ရေးနှင့် မော်တော်ယာဥ်လုပ်ငန်းများနှင့်သက်ဆိုင်သော စက်ပိုင်းဆိုင်ရာ အစိတ်အပိုင်းများ ထုတ်လုပ်မှုတွင် အထူးပြုပါသည်။
        မော်ဒယ်:QC/T 620-1999

        စုံစမ်းမေးမြန်းရန်ပေးပို့ပါ။

        ကုန်ပစ္စည်းအကြောင်းအရာ

        A Type worm driven hose hoop သည် ပိုက်များ ချိတ်ဆက်ရန်အတွက် ခိုင်ခံ့ပြီး ချိန်ညှိနိုင်သော ကိရိယာတစ်ခုဖြစ်သည်။ အချိတ်အဆက်များ၊ နော်ဇယ်များ သို့မဟုတ် ပုံသေပလပ်များပေါ်တွင် ပိုက်များကို တင်းတင်းကျပ်ကျပ် ကိုင်ထားရန် ပြုလုပ်ထားသည်။ ဝက်အူလှည့် သို့မဟုတ် hex သော့ဖြင့် လှည့်သော အထဲတွင် worm gear ရှိသည်။ ၎င်းကို တင်းကျပ်သည့်အခါ လုံခြုံသောအံဝင်ခွင်ကျဖြစ်စေရန် ရေပိုက်တစ်ဝိုက်ကို အညီအမျှ ဖိထားသည်။

        ဖိအားမြင့်ခြင်း သို့မဟုတ် တုန်ခါနေချိန်တွင်ပင် ဤကုပ်သည် ယိုစိမ့်မှုကို ရပ်တန့်စေသောကြောင့် စက်မှုလုပ်ငန်းဆက်တင်များတွင် အသုံးဝင်သည်။ အထူးသဖြင့် ဘေးကင်းရေး အရေးကြီးသော အခြေအနေများတွင် အရည်ရွေ့လျားမှုအတွက် ယုံကြည်စိတ်ချရသော ချိတ်ဆက်မှုတစ်ခု လိုအပ်ပါက၊ ၎င်းသည် အခြေခံပိုက်ကုပ်များထက် ပိုကောင်းပါသည်။ အကြမ်းခံပြီး တည်ဆောက်ထားသောကြောင့် မပြိုကွဲဘဲ ကြာရှည်ခံသည်။

        “A


        အားသာချက်-

        A Type worm driven hose hoop ၏ အကြီးမားဆုံး ပေါင်းချက်မှာ စက်ပိုင်းဆိုင်ရာ အားသာချက် မည်မျှရှိ၍ အရာများကို မည်မျှ လုံခြုံအောင် ထိန်းသိမ်းထားနိုင်မည်နည်း။ worm ဂီယာဒီဇိုင်းသည် သင့်အား ၎င်းအား အမှန်တကယ် သပ်ရပ်စွာ ညှိနိုင်စေပြီး ပိုက်တစ်ဝိုက်အား အညီအမျှ တွန်းထုတ်နိုင်သည်။ ဆိုလိုသည်မှာ ကြီးမားသော ဖိအားတက်ခြင်း သို့မဟုတ် စီးဆင်းမှုသည် အရူးကဲ့သို့ ခုန်နေသည့်တိုင် ရေပိုက်သည် ချော်ထွက်ခြင်း သို့မဟုတ် ပေါက်ထွက်ခြင်း မရှိကြောင်း ဆိုလိုသည်။

        ပွတ်တိုက်မှုကို အားကိုးသော အဆိုပါ ကုပ်များနှင့် မတူဘဲ၊ သင်သည် ဤပိုးစီးသော ညာဘက်ကို တင်းကျပ်ပါက၊ ၎င်းသည် မြဲမြံနေပြီး မတုန်လှုပ်ဘဲ ကပ်နေသော တံဆိပ်ကို ဖြစ်စေသည်။ ၎င်းသည် အရာများလည်ပတ်ပုံတွင် ဘေးကင်းလုံခြုံရေးအတွက် ကြီးမားသောအချက်ဖြစ်ပြီး အရေးကြီးသောစနစ်များတွင် ချိတ်ဆက်မှုများပျက်ကွက်သည့်အခါ အဆိုပါစျေးကြီးသောပိတ်ခြင်းကို လျှော့ချသည်။ အခြေခံအားဖြင့်၊ ၎င်းသည် ပိုမိုကောင်းမွန်စွာလုပ်ဆောင်နိုင်ပြီး ခက်ခဲသောအခြေအနေများတွင် ကြာရှည်ခံပါသည်။

        မွန် Φ50
        Φ60
        Φ70
        Φ80
        Φ90
        Φ100
        Φ110
        Φ120
        Φ130
        Φ140 Φ150
        Φ160
        Clamping range အမြင့်ဆုံး 50 60 70 80 90 100 110 120 130 140 150 160
        Clamping range မိနစ် 32 40 50 60 70 80 90 100 110 120 130 140
        h အမြင့်ဆုံး 1.5 1.5
        1.5
        1.5
        1.5
        1.5
        1.5
        1.5
        1.5
        1.5
        1.5
        1.5
        ဇမိနစ် 0.5 0.5
        0.5
        0.5
        0.5
        0.5
        0.5
        0.5
        0.5
        0.5
        0.5
        0.5

        ပစ္စည်းများ-

        ကျွန်ုပ်တို့၏ Standard A Type worm-driven hose hoop ကို အများအားဖြင့် ခိုင်ခံ့သော stainless steel (SS304 သို့မဟုတ် SS316 ကဲ့သို့) သို့မဟုတ် hot-dip galvanized steel ဖြင့်ပြုလုပ်ထားသည်။ သံမဏိကြိုးများသည် ရေကြောင်းလုပ်ငန်း သို့မဟုတ် ဓာတုဗေဒလုပ်ဆောင်ခြင်းကဲ့သို့ ခက်ခဲသောဆက်တင်များတွင် သံချေးနှင့်ဓာတုပစ္စည်းများကို ပိုမိုကောင်းမွန်စွာ ထိန်းထားနိုင်သည်။ ၎င်းတို့သည် ကြမ်းတမ်းသော အခြေအနေများတွင်ပင် အချိန်ကြာမြင့်စွာ ခံနိုင်ရည်ရှိပြီး ဖျံများကို တင်းကျပ်စွာ ထားပါ။

        Hot Tags: A Type worm driven hose hoop, China, Manufacturer, Supplier, Factory
        ဆက်စပ်အမျိုးအစား
        စုံစမ်းမေးမြန်းရန်ပေးပို့ပါ။
        ကျေးဇူးပြု၍ အောက်ပါပုံစံဖြင့် သင်၏စုံစမ်းမေးမြန်းမှုကို အခမဲ့ပေးပါ။ 24 နာရီအတွင်း သင့်အား အကြောင်းပြန်ပါမည်။
        X
        သင့်အား ပိုမိုကောင်းမွန်သောကြည့်ရှုမှုအတွေ့အကြုံကို ပေးဆောင်ရန်၊ ဆိုက်အသွားအလာကို ပိုင်းခြားစိတ်ဖြာပြီး အကြောင်းအရာကို ပုဂ္ဂိုလ်ရေးသီးသန့်ပြုလုပ်ရန် ကျွန်ုပ်တို့သည် ကွတ်ကီးများကို အသုံးပြုပါသည်။ ဤဆိုက်ကိုအသုံးပြုခြင်းဖြင့် ကျွန်ုပ်တို့၏ cookies အသုံးပြုမှုကို သင်သဘောတူပါသည်။ ကိုယ်ရေးအချက်အလက်မူဝါဒ
        ငြင်းပယ်ပါ။ လက်ခံပါတယ်။