ကာဗွန်သံမဏိတံဆိပ်ခတ်ခြင်း Cltering Clinching သည်ပါးလွှာသောပြားများသို့မဟုတ်စာရွက်သတ္တုများကိုချိတ်ဆက်ရန်အတွက်အသုံးပြုသောစွဲစေသည့်အမျိုးအစားတစ်ခုဖြစ်သည်။ ၎င်းတို့သည်ကာဗွန်သံမဏိဖြင့်ပြုလုပ်ထားသောကြောင့်ခိုင်မာသောတိုးမြှင့်ခြင်းနှင့်မီးငြိမ်းသတ်ခြင်းနှင့်မျက်နှာပြင်သည် galvanized သို့မဟုတ် dorrosion-fravant လုပ်သည်။
တံဆိပ်ခတ်ခြင်းဆေး comminching nut သည်တော်တော်လေးရိုးရှင်းပါသည်။ သင်သည်ပုံမှန် pneumatic သို့မဟုတ် hydraulic clinching tools များကိုသုံးနိုင်သည်။ ဒီမှာအလုပ်လုပ်ပုံ - ပထမ ဦး စွာအခွံမာသီးကို pre-texched hole တစ်ခုထဲသို့ထည့်ပါ, ထို့နောက် Punch ကိုသုံးပါ။ သေသည်အခွံမာသီးကော်ရင်ဖွင့်တစ်ခွက်ပတ်ပတ်လည်တွင်စာရွက်သတ္တုကို နှိပ်. လျင်မြန်စွာတစ်ဆင့်တွင်ခိုင်မာသောစက်မှုသော့ခတ်မှုကိုဖြစ်ပေါ်စေသည်။
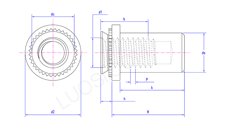
| မွန်မွန် | M3-1 | M3-2 | M4-1 | M4-2 | M5-1 | M5-2 | M6-1 | M6-2 |
| P | 0.5 | 0.5 | 0.7 | 0.7 | 0.8 | 0.8 | 1 | 1 |
| MAX | 3.84 | 3.84 | 5.2 | 5.2 | 6.35 | 6.35 | 8.75 | 8.75 |
| DC max | 4.2 | 4.2 | 5.38 | 5.38 | 6.33 | 6.33 | 8.73 | 8.73 |
| ခ | 5.3 | 5.3 | 7.1 | 7.1 | 7.1 | 7.1 | 7.8 | 7.8 |
| hax | 0.91 | 1.38 | 0.97 | 1.38 | 0.97 | 1.38 | 1.38 | 1.38 |
| hax | 9.85 | 9.85 | 11.45 | 11.45 | 11.45 | 11.45 | 14.55 | 14.55 |
| h min | 9.35 | 9.35 | 10.95 | 10.95 | 10.95 | 10.95 | 14.05 | 14.05 |
| k max | 8.5 | 8.5 | 9.8 | 9.8 | 9.8 | 9.8 | 12.7 | 12.7 |
| max max | 6.6 | 6.6 | 8.2 | 8.2 | 9 | 9 | 11.35 | 11.35 |
| D2 မိနစ် | 6.1 | 6.1 | 7.7 | 7.7 | 8.5 | 8.5 | 10.85 | 10.85 |
| ဒေတီ | M3 | M3 | M4 | M4 | M5 | M5 | M6 | M6 |
Carbon Steel Sealing Clencing Cltercing Cltercings: Thread အရွယ်အစား (M4, M5, M6, M6, M6 "-20" -20 "-20" -20 "-20" -20 "-20" -20 "), စုစုပေါင်းအမြင့်များ,
စက်မှုလုပ်ငန်းစံချိန်စံညွှန်းများအပေါ်၎င်းတို့၏လက်ဆေးထိုးခြင်းသို့မဟုတ်လိမ်လည်ခြင်းကိုခုခံတွန်းလှန်ခြင်းခံရသည်။ မှန်ကန်သောအရွယ်အစားကိုကောက်ယူခြင်းသည်ကြီးမားသောသဘောတူညီချက်တစ်ခုဖြစ်ပြီးတံဆိပ်ခတ်ထားသည့်အရာသည်အလုပ်အတွက်လုံလောက်သည်။
ကာဗွန်သံမဏိတံဆိပ်ခတ်ခြင်းကိုတပ်ဆင်ရန်သင်အထူးပြု clinching tool တစ်ခုလိုအပ်ပြီးအခွံမာသီးအရွယ်အစားနှင့်ကိုက်ညီသောအစုကိုသေဆုံးရန်လိုအပ်သည်။ ပထမ ဦး စွာအခွံမာသီးကိုသတ္တုပါးထဲမှာ pre-texched hole တစ်ခုထဲသို့ထည့်ပါ။ ထို့နောက်ကိရိယာသည်ထိန်းချုပ်ထားသောဖိအားကိုသက်ဆိုင်သည်။ ဤအအေးထားသည့်ဖြစ်စဉ်သည်သံမဏိအခွံမာသီးကိုကောင်းမွန်စွာပြုလုပ်နိုင်ပြီးတစ်ချိန်တည်းတွင်အဆင်သင့်ဖြစ်သည့်သံမဏိခွံမာသီးကိုသော့ခတ်ထားသည်။ ဒါကဒီအခွံမာတွေကိုထူးခြားစေတဲ့ယိုစိမ့် - အထောက်အထားတံဆိပ်ကိုဖန်တီးပေးတယ်။
