Hardware Tools Rolling Nut
        • Hardware Tools Rolling NutHardware Tools Rolling Nut
        • Hardware Tools Rolling NutHardware Tools Rolling Nut

        Hardware Tools Rolling Nut

        စနစ်လိုက်နာမှုနှင့် ဘေးကင်းကြောင်း သေချာပါစေ။ XIAO GUO ဟာ့ဒ်ဝဲတူးလ်များ Rolling Nut CE အသိအမှတ်ပြု ထုတ်ကုန်သည် ခိုင်မာသောစံနှုန်းများနှင့် ကိုက်ညီပါသည်။ ကျွန်ုပ်တို့၏ အခွံမာသီးများသည် လိုအပ်ချက်ရှိသော စက်မှုပတ်ဝန်းကျင်တွင် ယုံကြည်စိတ်ချရသော၊ ရေရှည်လည်ပတ်မှုအတွက် အင်ဂျင်နီယာချုပ်ထားပါသည်။

        စုံစမ်းမေးမြန်းရန်ပေးပို့ပါ။

        ကုန်ပစ္စည်းအကြောင်းအရာ

        Hardware Tools Rolling Nut ၏ သတ်မှတ်ချက်များသည် အဓိကအားဖြင့် အတွင်းကြိုးအရွယ်အစားနှင့် အပြင်ဘက်အချင်းတို့ ပါဝင်သည်။ Thread Size သည် M2 မှ M8 အထိဖြစ်ပြီး အပါးလွှာသော သတ္တု တပ်ဆင်ခြင်းအတွက် အသုံးအများဆုံးဖြစ်သည်။ ပြင်ပအချင်းများသည် ဤချည်မျှင်များနှင့် ကိုက်ညီသည်—သေးငယ်သောအချင်းများသည် သေးငယ်သောအချင်းများဖြင့် သွားသောကြောင့် ၎င်းတို့သည် ကြိုတင်တူးထားသောအပေါက်များကို ကောင်းစွာ အံဝင်ခွင်ကျဖြစ်စေပါသည်။ ၎င်းနှင့်သင်အသုံးပြုမည့် bolt အရွယ်အစားပေါ်မူတည်၍ သင်ရွေးချယ်ပါ။

        အဆင့်များသည် ရိုးရှင်းသည်- စံအဆင့်နှင့် စွမ်းအားမြင့် အဆင့်။ Standard grade သည် ပရိဘောဂကွင်းများ သို့မဟုတ် အီလက်ထရွန်နစ်ပစ္စည်း ဘူးခွံများကဲ့သို့သော ပုံမှန်အလုပ်များအတွက် အလုပ်လုပ်သည်။ ကြံ့ခိုင်မှုမြင့်မားသောအဆင့်သည် ပိုထူသောပစ္စည်းဖြင့်ပြုလုပ်ထားပြီး ချော်လဲခြင်းမရှိဘဲ တွန်းအားပိုခံနိုင်သော စက် သို့မဟုတ် အစိတ်အပိုင်းများအတွက် ကောင်းမွန်သည်။

        အခွံမာသီးတစ်ခုစီတွင် ၎င်း၏ spec နှင့် grade များကို ထုပ်ပိုးတံဆိပ်ပေါ်တွင် အမှတ်အသားပြုထားသောကြောင့် မှန်ကန်သောတစ်ခုကို ရွေးရလွယ်ကူပါသည်။ ရှုပ်ထွေးသော coding မပါပါ၊ အခြေခံနံပါတ်များနှင့် စကားလုံးများသာဖြစ်သည်။ ဟာ့ဒ်ဝဲတူးလ်များ Rolling Nut ၏ အသေးစိတ်အချက်အလက်များနှင့် အဆင့်များသည် အသုံးအများဆုံးစာရွက်သတ္တုလုပ်ငန်းလိုအပ်ချက်များကို အကျုံးဝင်သည်၊ အပိုဖန်စီရွေးချယ်စရာများမရှိပါ။

        Hardware Tools Rolling Nut

        ထုတ်ကုန်အရည်အသွေးထိန်းချုပ်မှု

        ကုန်ကြမ်းစစ်ဆေးမှုများဖြင့် စတင်ပါသည်။ သတ္တုအသုတ်တိုင်းကို အက်ကွဲကြောင်းများ၊ အစွန်းအထင်းများ၊ သို့မဟုတ် အားနည်းသော အစက်အပြောက်များ ရှိမရှိ စစ်ဆေးသည်။ အရည်အချင်းပြည့်မီသော ပစ္စည်းများကိုသာ ထုတ်လုပ်နိုင်သည်—၎င်းသည် အရည်အသွေးကို ထိန်းသိမ်းရန် ပထမခြေလှမ်းဖြစ်သည်။

        ထုတ်လုပ်မှုကာလအတွင်း၊ ကျွန်ုပ်တို့သည် ပုံမှန်စစ်ဆေးမှုများ ပြုလုပ်ပါသည်။ ကျွန်ုပ်တို့သည် thread တိကျမှုကို ဦးစွာကြည့်ရှုသည်။ ၎င်းတို့သည် တင်းကျပ်သော သို့မဟုတ် လျော့ရဲသော အစက်အပြောက်များမရှိဘဲ ဘော့များကို ချောမွေ့စွာ တပ်ဆင်ရန် လိုအပ်သည်။ ၎င်းတို့သည် စံသတ်မှတ်ချက်များနှင့် ကိုက်ညီကြောင်း သေချာစေရန် အပြင်ဘက် အချင်းနှင့် အထူကိုလည်း မကြာခဏ တိုင်းတာပါသည်။ မျက်နှာပြင် လိမ်းဆေးကိုလည်း စစ်ဆေးပြီး သံချေးတက်စေနိုင်တဲ့ ပါးလွှာသော သို့မဟုတ် လွတ်သွားသော နေရာများကို သေချာစစ်ဆေးပါ။

        ပို့ဆောင်ခြင်းမပြုမီ၊ အသုတ်တစ်ခုစီမှ ကျပန်းနမူနာများကို တပ်ဆင်စမ်းသပ်မှုများ ပြုလုပ်သွားမည်ဖြစ်သည်။ ၎င်းတို့ကို သတ္တုပြားအဖြစ် ဖိပြီး မချော်ဘဲ ခိုင်မြဲစွာ ဆုပ်ကိုင်ထားနိုင်လျှင် စမ်းသပ်ပါ။ မျက်နှာပြင် ခြစ်ရာများ သို့မဟုတ် ပုံသဏ္ဍာန်များ ရှိမရှိကိုလည်း စစ်ဆေးပါသည်။ ဟာ့ဒ်ဝဲတူးလ်များ Rolling Nut သည် နေ့စဉ်တပ်ဆင်အလုပ်များအတွက် ကောင်းမွန်စွာအလုပ်လုပ်ကြောင်းသေချာစေရန် ဤရိုးရှင်းသော်လည်း တင်းကျပ်သောအဆင့်များမှတစ်ဆင့် လုပ်ဆောင်ပါသည်။

        အမေးအဖြေကဏ္ဍ

        မေး- ကမ်းရိုးတန်းစိုစွတ်သောနေရာများတွင် သံချေးများ အလွယ်တကူဖြစ်နိုင်ပါသလား။

        A: ၎င်းသည် မျက်နှာပြင် ကုသမှုအပေါ် မူတည်ပါသည်။ ဇင့်ချထားသည့် ပစ္စည်းများသည် စိုထိုင်းဆများပြီး 1-2 နှစ်ကြာပြီးနောက် သံချေးတက်နိုင်သည်။ ကမ်းရိုးတန်းဒေသများအတွက် ပူပြင်းသော သွပ်ရည်စိမ်ထားသော သို့မဟုတ် သံမဏိများသည် ပိုကောင်းသည်—ဆားအမှုန်အမွှားနှင့် အစိုဓာတ်ကို ၅ နှစ်မှ ၈ နှစ်အထိ ခံနိုင်ရည်ရှိသည်။ သင့်ထုတ်ကုန်များကို ပြင်ပတွင်အသုံးပြုပါက၊ ကျွန်ုပ်တို့သည် stainless steel Nut ကိုရွေးချယ်ရန် အကြံပြုအပ်ပါသည်။ သင်၏ကိုးကားမှုအတွက် ကျွန်ုပ်တို့သည် ချေးခံနိုင်ရည်စမ်းသပ်မှုအစီရင်ခံစာများကို ပေးဆောင်နိုင်ပါသည်။  

        Hardware Tools Rolling Nut


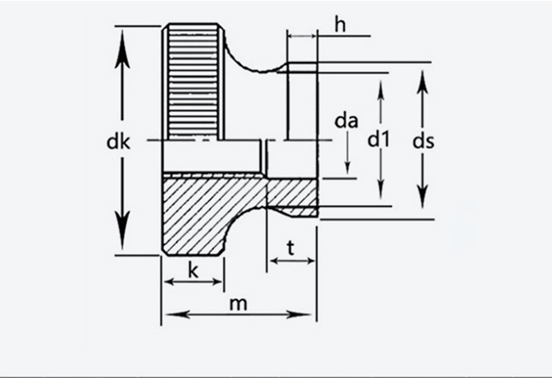
        အရွယ်အစား သံပေါက် ပြင်ချင်း အရပ်အမြင့် k ds ဒါ d1 T h
        အများဆုံး မိ အများဆုံး မိ အများဆုံး မိ အများဆုံး မိ အများဆုံး
        M3 ၀.၅  ၁၁  ၁၀.၇  ၇  ၆.၆၄  ၂.၈  ၆  ၅.၇  ၃.၅  ၃.၂  ၅.၂  ၂  ၁.၂ 
        M4 ၀.၇  ၁၂  ၁၁.၇  ၈  ၇.၆၄  ၃  ၈  ၇.၆၄  ၄.၅  ၄.၂  ၆.၄  ၂.၅  ၁.၅ 
        M5 ၀.၈  ၁၆  ၁၅.၇  ၁၀  ၉၆.၆  ၄  ၁၀  ၉.၆၄  ၅.၅  ၅.၅  ၉  ၃  ၂ 
        M6 ၁  ၂၀  ၁၉.၇  ၁၂  ၁၁.၆  ၅  ၁၂  ၁၁.၆  ၆.၅၆  ၆.၂  ၁၁  ၄  ၂.၅ 
        M8 ၁.၂၅  ၂၄  ၂၃.၇  ၁၆  ၁၅.၆  ၆  ၁၆  ၁၅.၆  ၈.၈၆  ၈.၅  ၁၃  ၅  ၃ 
        M10 1.5 30 29.7 20 19.5 8 20 19.5 10.9 10.5 17.2 6.5 3.8
        Hot Tags: Hardware Tools Rolling Nut, China, Manufacturer, Supplier, Factory
        ဆက်စပ်အမျိုးအစား
        စုံစမ်းမေးမြန်းရန်ပေးပို့ပါ။
        ကျေးဇူးပြု၍ အောက်ပါပုံစံဖြင့် သင်၏စုံစမ်းမေးမြန်းမှုကို အခမဲ့ပေးပါ။ 24 နာရီအတွင်း သင့်အား အကြောင်းပြန်ပါမည်။
        X
        သင့်အား ပိုမိုကောင်းမွန်သောကြည့်ရှုမှုအတွေ့အကြုံကို ပေးဆောင်ရန်၊ ဆိုက်အသွားအလာကို ပိုင်းခြားစိတ်ဖြာပြီး အကြောင်းအရာကို ပုဂ္ဂိုလ်ရေးသီးသန့်ပြုလုပ်ရန် ကျွန်ုပ်တို့သည် ကွတ်ကီးများကို အသုံးပြုပါသည်။ ဤဆိုက်ကိုအသုံးပြုခြင်းဖြင့် ကျွန်ုပ်တို့၏ cookies အသုံးပြုမှုကို သင်သဘောတူပါသည်။ ကိုယ်ရေးအချက်အလက်မူဝါဒ
        ငြင်းပယ်ပါ။ လက်ခံပါတယ်။