အိမ် > ထုတ်ကုန်များ > မင်းတုံး > Hexagon Head Flange Bolt > အနားကွပ်နှင့်အတူကောင်းကင်ပြာသော့ခလောက်
      အနားကွပ်နှင့်အတူကောင်းကင်ပြာသော့ခလောက်
      • အနားကွပ်နှင့်အတူကောင်းကင်ပြာသော့ခလောက်အနားကွပ်နှင့်အတူကောင်းကင်ပြာသော့ခလောက်
      • အနားကွပ်နှင့်အတူကောင်းကင်ပြာသော့ခလောက်အနားကွပ်နှင့်အတူကောင်းကင်ပြာသော့ခလောက်
      • အနားကွပ်နှင့်အတူကောင်းကင်ပြာသော့ခလောက်အနားကွပ်နှင့်အတူကောင်းကင်ပြာသော့ခလောက်

      အနားကွပ်နှင့်အတူကောင်းကင်ပြာသော့ခလောက်

      Xiaoguo®မှထုတ်လုပ်သော Flange မှထုတ်လုပ်သည့် hexagon bolts များကိုကမ္ဘာတစ်ဝှမ်းလုံးရှိဖောက်သည်များကယုံကြည်ကြသည်။ ထုတ်လုပ်မှုလုပ်ငန်းစဉ်တစ်လျှောက်လုံးတင်းကြပ်စွာထိန်းချုပ်ထားသည်။ စျေးနှုန်းများနှင့် ပတ်သက်. မေးမြန်းလိုပါက ကျေးဇူးပြု. ကျွန်ုပ်တို့နှင့်ဆက်သွယ်ပါ။
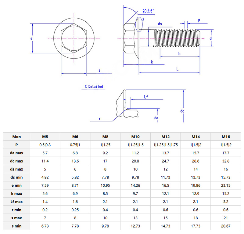
      မော်ဒယ်:ISO 15071-1999

      စုံစမ်းမေးမြန်းရန်ပေးပို့ပါ။

      ကုန်ပစ္စည်းအကြောင်းအရာ

      အောက်မှာအနားကွပ်နှင့်အတူကောင်းကင်ပြာသော့ခလောက်, disc တစ်ခုကဲ့သို့တသန်ရှိ၏။ အရာဝတ်ထုများကိုဆက်သွယ်သောအခါသော့ခလောက်သည်အထူးအခန်းကဏ် play မှပါ 0 င်စေသည်။ ဒီလို Bolt မျိုးကဆက်သွယ်မှုလိုအပ်ချက်များမှာအတော်လေးမြင့်မားသောနေရာများတွင်အခန်းကဏ် play မှပါ 0 င်နိုင်သည်။

      Hexagon Bolts With Flange

      အက်ပလီကေးရှင်းများနှင့် parameters တွေကို

      အနားကွပ်နှင့်အတူကောင်းကင်ပြာသော့ခလောက်မိုးနှင့်သံချေးကာကွယ်တားဆီးနိုင်ပါတယ်။ Hot-Dip ၏မျက်နှာပြင်ကိုကုသမှု galvanizing သည်၎င်းတို့ကိုခြံစည်းရိုးများ, တင့်မှိန်လှောင်အိမ်များသည်သော့ခတ်များကိုသစ်သားသို့မဟုတ်ပါးလွှာသောသတ္တုများတွင်ကပ်ခြင်းမှတားဆီးနိုင်ပြီး polishing ကုသမှုမလိုအပ်ပါ။ သူတို့ကအိမ်နောက်ဖေးအဆောက်အအုံတွေအတွက်သင့်တော်တယ်။

      ဖုန်ထူအလုပ်ရုံဆွေးနွေးပွဲများနှင့်ခြံများတွင်အသုံးပြုခဲ့သည်။ သင်္ချိုင်းဂူများသည်သံချေးတက်နေသည့်ပူးတွဲကိုအခိုင်အမာကိုင်ထားနိုင်ပြီးဆန့်ကျင်ဘက်သည်မြင့်မားသော torque အောက်တွင်ပင်ဆန့်ကျင်သောခေါင်းကိုက်လိမ့်မည်မဟုတ်ပါ။ ၎င်းတို့ကို Tractors, Grain Silos နှင့် Bead-Duty စင်ပေါ်များတွင်အသုံးပြုနိုင်သည်။


      အဆိုပါထူ flange ပြားဖွဲ့စည်းပုံမှာပေါင်းစည်းထားသည်အနားကွပ်နှင့်အတူ Hexagonal bolt, ဆန့်ကျင်ဘက် aconial ဦး ခေါင်း၏သွင်ပြင်လက္ခဏာများကို axial load load slip slassersion function ကိုပေါင်းစပ်။ စက်မှုလုပ်ငန်းပြုပြင်ပြောင်းလဲရေးကိုဥပမာတစ်ခုအဖြစ်ယူပါ။ စစ်ဆင်ရေးအတွင်းထုတ်လုပ်သောတုန်ခါမှုများသည်အစဉ်အလာစွဲစေမှုများကိုကြိုတင် 0 တ်ဆင်ခြင်းသို့မဟုတ်ကြိုတင်ထုတ်ပေးသည်။ Hexagon Head Tam မှတုန်ခါမှုသည်တုန်ခါမှုစွမ်းအင်ကိုထိထိရောက်ရောက်ဖြန့်ဖြူးခြင်းနှင့်အဆက်အသွယ်မျက်နှာပြင်ပေါ်ရှိဖိအားဖြန့်ဖြူးခြင်း၏အကောင်းမြင်မှုများကိုပိုမိုကောင်းမွန်အောင်ပြုလုပ်နိုင်သည်။

      Hexagon Bolts With Flange

      ကုန်ပစ္စည်းရောင်းရန်အမှတ်

      ၏အကြီးမားဆုံးရောင်းချသည့်အချက်အနားကွပ်နှင့်အတူကောင်းကင်ပြာသော့ခလောက်ဆက်သွယ်မှုသည်တည်ငြိမ်ပြီး၎င်းသည်ဖိအားကိုထိထိရောက်ရောက်ကြုံတွေ့နိုင်သည်။ သူတို့ကအဆက်အသွယ် area ရိယာကိုချိတ်ဆက်ထားတဲ့အရာဝတ်ထုတွေနဲ့တိုးလာတယ်။ တင်းကျပ်သောအခါအင်အားကိုအညီအမျှအညီအမျှဖြန့်ဝေနိုင်ပြီးဆက်သွယ်မှုကိုပိုမိုလုံခြုံအောင်ပြုလုပ်ခြင်းနှင့်ပစ္စည်းများကိုပျက်စီးစေနိုင်သည်။ ၎င်းသည်တုန်ခါမှုကိုတွန်းလှန်နိုင်ရန်ပိုမိုအားကောင်းနိုင်စွမ်းရှိသည်။


      Hot Tags: Hexagon သည် Flange, China, ထုတ်လုပ်သူ, ပေးသွင်းသူ, စက်ရုံနှင့်အတူသော့ခလောက်
      ဆက်စပ်အမျိုးအစား
      စုံစမ်းမေးမြန်းရန်ပေးပို့ပါ။
      ကျေးဇူးပြု၍ အောက်ပါပုံစံဖြင့် သင်၏စုံစမ်းမေးမြန်းမှုကို အခမဲ့ပေးပါ။ 24 နာရီအတွင်း သင့်အား အကြောင်းပြန်ပါမည်။
      X
      We use cookies to offer you a better browsing experience, analyze site traffic and personalize content. By using this site, you agree to our use of cookies. Privacy Policy
      Reject Accept