အိမ် > ထုတ်ကုန်များ > မင်းတုံး > Hexagon Head Flange Bolt > ကြမ်းတမ်းသောအနားကွပ်၏ Hexagon Flange Bolt
      ကြမ်းတမ်းသောအနားကွပ်၏ Hexagon Flange Bolt
      • ကြမ်းတမ်းသောအနားကွပ်၏ Hexagon Flange Boltကြမ်းတမ်းသောအနားကွပ်၏ Hexagon Flange Bolt
      • ကြမ်းတမ်းသောအနားကွပ်၏ Hexagon Flange Boltကြမ်းတမ်းသောအနားကွပ်၏ Hexagon Flange Bolt
      • ကြမ်းတမ်းသောအနားကွပ်၏ Hexagon Flange Boltကြမ်းတမ်းသောအနားကွပ်၏ Hexagon Flange Bolt

      ကြမ်းတမ်းသောအနားကွပ်၏ Hexagon Flange Bolt

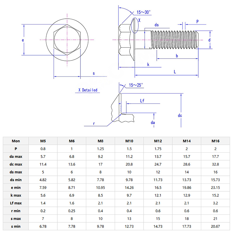
      GB / T 16674.1-2016 စံနှုန်းများနှင့်ကိုက်ညီမှုရှိရန်,

      စုံစမ်းမေးမြန်းရန်ပေးပို့ပါ။

      ကုန်ပစ္စည်းအကြောင်းအရာ

      ၏ကြမ်းတမ်းသောအနားကြာမျက်နှာပြင်ကြမ်းတမ်းသောအနားကွပ်၏ Hexagon Flange Boltဆက်သွယ်မှုကိုပိုပြီးခိုင်မာစေနိုင်ပါတယ်။ သော့ခလောက်တင်းကျပ်တဲ့အခါသူတို့ကချိတ်ဆက်ထားတဲ့ပစ္စည်းရဲ့မျက်နှာပြင်နဲ့အတူပိုကောင်းအောင်လုပ်နိုင်တယ်, တုန်ခါမှုသို့မဟုတ်အခြားပြင်ပအင်အားစုများကြောင့်သော့ခလောက်လျှော့ရန်ခက်ခဲသည်။

      လျှောက်လွှာနှင့် parameters တွေကို

      ကြမ်းတမ်းသောအနားကွပ်၏ Hexagon Flange Boltစက်ရုံများနှင့်ခြံများတွင်တော်တော်များများသည်။ သငျသညျသတ္တု - ဖြတ်တောက်စက်များကဲ့သို့သောလေးနက်သောကိရိယာများကိုတည်ဆောက်နေသည်ဆိုပါစို့။ သူတို့ဟာအရေးကြီးတဲ့အပိုင်းတွေကိုတင်းတင်းကျပ်ကျပ်ပိတ်ထားတဲ့လေးလံသောညှပ်ညှပ်များနှင့်တင်းတင်းကျပ်ကျပ်ပိတ်ထားပြီးစက်တုန်ခါမှုမရှိတော့သည့်အခါမြည်းကြိုးကိုတင်းတင်းကျပ်ကျပ်မပိတ်ပါ။ ဒီသော့ခလောက်တွေကိုလယ်ယာဂီယာမှာလည်းတွေ့လိမ့်မယ်။ ရွှံ့လယ်ကွင်းများမှတဆင့်လယ်ထွန်စက်များကိုထွန်ယက်ပါ။ စက်ပြင်ပစ္စည်းသည်ဤထုတ်ကုန်ကိုရွေးချယ်ပါ။ သူတို့၏ကြမ်းတမ်းသောမျက်နှာပြင်သည်အုတ်များနှင့်ပြည့်နေသောအဝတ်လျှော်စက်နှင့်တူသည့်တိုင်ရွေ့လျားမှုကိုကာကွယ်ရန်အတွက်ပိုမိုကောင်းမွန်သောကူးစက်မှုကိုတားဆီးနိုင်သည်။ ၎င်းသည်သတ္တုအစိတ်အပိုင်းများအတွက်အခြေခံအားဖြင့်စက်မှုလုပ်ငန်းစွမ်းအားအင်အားကြီးမားသော Velcro ဖြစ်သည်။

      အပေြာင်းကြမ်းတမ်းသောအနားကွပ်၏ Hexagon Flange Boltထို့အပြင်သင်္ဘောတည်ဆောက်ရေးစက်မှုလုပ်ငန်းများတွင်လည်းအသုံးပြုနိုင်ပါသည်။ သွားလာမှုတွင်လှိုင်းများ, ကိုယ်ထည်၏တုန်ခါမှု၏သက်ရောက်မှုကိုခံနိုင်ရည်ရှိသည်။ သင်္ဘောတည်ဆောက်ခြင်းတွင်သင်္ဘောတည်ဆောက်ခြင်းတွင်၎င်းတို့အားကုန်းပတ်နှင့်အမြောက်အများကဲ့သို့သောအပိုင်းများကိုမကြာခဏချိတ်ဆက်လေ့ရှိသည်။

      ထုတ်ကုန်အသုံးပြုမှု

      အိမ်နောက်ဖေးထဲမှာသံချေးတက်လွှဲထားတယ်?

      အပေြာင်းhelebo flabolt နှင့်အတူကြမ်းတမ်းသော flange ၏အလွယ်တကူလွှဲအပေါ်လွှဲသံကိုအလွယ်တကူတင်းကျပ်နိုင်ပါတယ်။ သူတို့ကရာသီဥတုသတ္တုအဆစ်အခိုင်အမာနားလည်နိုင်ပါတယ်။ မည်သို့ပင်ဖြစ်စေ,


      Hot Tags: Hexagon Flange, Rough Rough Blange, China, ထုတ်လုပ်သူ, ပေးသွင်းသူ, စက်ရုံ
      ဆက်စပ်အမျိုးအစား
      စုံစမ်းမေးမြန်းရန်ပေးပို့ပါ။
      ကျေးဇူးပြု၍ အောက်ပါပုံစံဖြင့် သင်၏စုံစမ်းမေးမြန်းမှုကို အခမဲ့ပေးပါ။ 24 နာရီအတွင်း သင့်အား အကြောင်းပြန်ပါမည်။
      X
      We use cookies to offer you a better browsing experience, analyze site traffic and personalize content. By using this site, you agree to our use of cookies. Privacy Policy
      Reject Accept