အိမ် > ထုတ်ကုန်များ > တွယ်အပ် > ပတ်ပတ်လည် pin ကို > မြင့်မားသော Tensile Clevis Pins များ
        မြင့်မားသော Tensile Clevis Pins များ
        • မြင့်မားသော Tensile Clevis Pins များမြင့်မားသော Tensile Clevis Pins များ
        • မြင့်မားသော Tensile Clevis Pins များမြင့်မားသော Tensile Clevis Pins များ

        မြင့်မားသော Tensile Clevis Pins များ

        ဤ High Tensile Clevis Pin ကို အကြိမ်ပေါင်းများစွာ ဖြုတ်ပြီး ပြန်လည်တပ်ဆင်နိုင်သောကြောင့် ပြန်လည်အသုံးပြုရာတွင် အကျိုးကျေးဇူးများစွာရရှိစေပါသည်။ Xiaoguo မှ High Tensile Clevis Pins များကို စိတ်ချလက်ချ မှာယူနိုင်ပြီး အာမခံချက်ရှိသော အရည်အသွေးဖြင့် အထူးကောင်းမွန်သော အတွေ့အကြုံကို ရရှိမည်ဖြစ်ပါသည်။

        စုံစမ်းမေးမြန်းရန်ပေးပို့ပါ။

        ကုန်ပစ္စည်းအကြောင်းအရာ

        လိုအပ်ပါက ဤ High Tensile Clevis Pins အတွက် စစ်ဆေးရေး လက်မှတ်ကို ပေးနိုင်ပါသည်။ လက်မှတ်တွင် အဓိကစမ်းသပ်မှုရလဒ်များကို စာရင်းပြုစုထားသည်- ပစ္စည်းကို မည်သည့်အရာဖြင့် ပြုလုပ်ထားသနည်း၊ ၎င်း၏ ကြံ့ခိုင်မှုနှင့် မာကျောမှုကဲ့သို့သော စက်ပိုင်းဆိုင်ရာ ဂုဏ်သတ္တိများနှင့် အရေးကြီးသောအတိုင်းအတာများအားလုံး မှန်ကန်ကြောင်း အတည်ပြုသည်။ ISO 2341 ကဲ့သို့ ထုတ်ကုန်နှင့် ကိုက်ညီသည့် စံချိန်စံညွှန်းများကိုလည်း ဖော်ပြထားသည်။

        လက်မှတ်တစ်ခုစီသည် တိကျသောထုတ်လုပ်မှုအသုတ်အတွက်ဖြစ်ပြီး သီးသန့်နံပါတ်တစ်ခုပါရှိသောကြောင့် ၎င်းကိုပြန်ခြေရာခံနိုင်သည်။ ၎င်းသည် ပင်နံပါတ်များကို ပစ္စည်းမှ ကုန်ချောအထိ စံစစ်ဆေးမှုများ အောင်မြင်ကြောင်း ပြသသည့် မှတ်တမ်းတစ်ခုဖြစ်သည်။ သင်၏ High Tensile Clevis Pins ဖြင့် အသိအမှတ်ပြုလက်မှတ်ကို ရယူခြင်းသည် နေ့စဉ်လုပ်ငန်းသုံး သို့မဟုတ် ပိုလိုအပ်သော အသုံးချပရိုဂရမ်များအတွက်ဖြစ်စေ တရားဝင်စာရွက်စာတမ်းလိုအပ်သည့် အလုပ်များအတွက် အသုံးဝင်သော ရွေးချယ်မှုတစ်ခုဖြစ်သည်။

        High Tensile Clevis Pins

        ထုတ်ကုန်အသုံးပြုမှုများ

        လှည့်ခြင်း သို့မဟုတ် လှည့်ပတ်ခြင်း လိုအပ်သော စက်များတွင် အစိတ်အပိုင်းများကို ချိတ်ဆက်ရန် ဤပင်အမျိုးအစားကို အများအားဖြင့် အသုံးပြုကြသည်။ အမျိုးမျိုးသောစက်မှုပစ္စည်းကိရိယာများတွင် ကွင်းကွင်းများ၊ ချောင်းများ သို့မဟုတ် လီဗာများကို မော်တော်ကားများနှင့် ထရပ်ကားများတွင် ချိတ်ဆက်ရန်၊ ဆိုင်းထိန်းအစိတ်အပိုင်းများ၊ ဘရိတ်ချိတ်ဆက်မှုများ၊ စတီယာရင်ကိရိယာများ စသည်တို့အတွက် အသုံးပြုလေ့ရှိသည်။

        ထွန်ထယ်နှင့် ကောက်ရိတ်စက်ကဲ့သို့သော လယ်ယာသုံးစက်ကိရိယာများကိုလည်း အသုံးပြုကြသည်။ အာကာသယာဉ်တွင်၊ လေယာဉ်စနစ်ရှိ အချို့သော ရွေ့လျားနေသော အစိတ်အပိုင်းများအတွက် အသုံးပြုနိုင်သည်။ လှေများ၊ ကိရိယာများနှင့် အင်ဂျင်အစိတ်အပိုင်းအချို့ကိုလည်း ကောင်းစွာသော့ခတ်ထားသောကြောင့် ၎င်းကို တွေ့ရှိရသည်။

        အခြေခံအားဖြင့်၊ High Tensile Clevis Pins များသည် နောက်ပိုင်းတွင် ခွဲထုတ်ရန်လိုအပ်သည့် ခိုင်မာသောချိတ်ဆက်မှုတစ်ခုလိုအပ်သည်နှင့် ၎င်းသည် တုန်ခါမှုနှင့် ပုံမှန်အသုံးပြုမှုကို ကိုင်တွယ်ဖြေရှင်းနိုင်သည် ။

        အမေးအဖြေကဏ္ဍ

        မေး- မင်းရဲ့ စွမ်းအားမြင့် ခွဲတံတွေအတွက် စံထုပ်ပိုးမှုဆိုတာ ဘာလဲ?

        အဖြေ: ကျွန်ုပ်တို့သည် ခိုင်ခံ့သောကတ်ထူသေတ္တာများကို ပုံမှန်အားဖြင့် အသုံးပြုကြပြီး ထုပ်ပိုးမှုနည်းလမ်းကို အရွယ်အစားနှင့် အရေအတွက်ဖြင့် ယေဘုယျအားဖြင့် ပိုင်းခြားထားသည် (ဥပမာ၊ တစ်ဗူးလျှင် 100 ကျပ်)။

        အစုလိုက်အမှာစာများအတွက်၊ ကျွန်ုပ်တို့သည် လုံခြုံသောသယ်ယူပို့ဆောင်ရေးနှင့် ကိုင်တွယ်ရလွယ်ကူမှုသေချာစေရန် ပင်မပုံးထဲသို့ ခိုင်မာအားကောင်းသော ခွဲခြမ်းတံများကို ထုပ်ပိုးပြီး သယ်ယူရလွယ်ကူမှုသေချာစေရန် Pallet ပေါ်တွင် ထားရှိပါမည်။

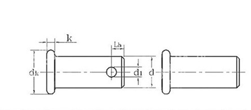
        High Tensile Clevis Pins


        ယူနစ်: mm
        d အများဆုံး 3 4 5 6 8 10 12 14 16 18 20
        မိ 2.94 3.925 4.925 5.925 7.91 9.91 11.89 13.89 15.89 17.89 19.87
        dk အများဆုံး 5 6 8 10 12 14 16 18 20 22 25
        မိ 4.7 5.7 7.64 9.64 11.57 13.57 15.57 17.57 19.48 21.48 24.48
        k အမည်စာရင်း 1.5 2 2.5 3 3.5 4
        အများဆုံး 1.625 2.125 2.625 3.125 3.65 4.15
        မိ 1.375 1.875 2.375 2.875 3.35 3.85
        d1 မိ 1.6 2 3.2 4 5 5
        အများဆုံး 1.74 2.14 3.38 4.18 5.18 5.18
        Lh မိ 1.6 2.2 2.9 3.2 3.5 4.5 5.5 6 6 7 8




        Hot Tags: High Tensile Clevis Pins, တရုတ်, ထုတ်လုပ်သူ, ပေးသွင်း, စက်ရုံ
        ဆက်စပ်အမျိုးအစား
        စုံစမ်းမေးမြန်းရန်ပေးပို့ပါ။
        ကျေးဇူးပြု၍ အောက်ပါပုံစံဖြင့် သင်၏စုံစမ်းမေးမြန်းမှုကို အခမဲ့ပေးပါ။ 24 နာရီအတွင်း သင့်အား အကြောင်းပြန်ပါမည်။
        X
        သင့်အား ပိုမိုကောင်းမွန်သောကြည့်ရှုမှုအတွေ့အကြုံကို ပေးဆောင်ရန်၊ ဆိုက်အသွားအလာကို ပိုင်းခြားစိတ်ဖြာပြီး အကြောင်းအရာကို ပုဂ္ဂိုလ်ရေးသီးသန့်ပြုလုပ်ရန် ကျွန်ုပ်တို့သည် ကွတ်ကီးများကို အသုံးပြုပါသည်။ ဤဆိုက်ကိုအသုံးပြုခြင်းဖြင့် ကျွန်ုပ်တို့၏ cookies အသုံးပြုမှုကို သင်သဘောတူပါသည်။ ကိုယ်ရေးအချက်အလက်မူဝါဒ
        ငြင်းပယ်ပါ။ လက်ခံပါတယ်။