အိမ် > ထုတ်ကုန်များ > ခွံမာသီး > T-nut > Stable T Style Weld Nuts ကို တင်ပါ။
        Stable T Style Weld Nuts ကို တင်ပါ။
        • Stable T Style Weld Nuts ကို တင်ပါ။Stable T Style Weld Nuts ကို တင်ပါ။
        • Stable T Style Weld Nuts ကို တင်ပါ။Stable T Style Weld Nuts ကို တင်ပါ။
        • Stable T Style Weld Nuts ကို တင်ပါ။Stable T Style Weld Nuts ကို တင်ပါ။
        • Stable T Style Weld Nuts ကို တင်ပါ။Stable T Style Weld Nuts ကို တင်ပါ။
        • Stable T Style Weld Nuts ကို တင်ပါ။Stable T Style Weld Nuts ကို တင်ပါ။

        Stable T Style Weld Nuts ကို တင်ပါ။

        တည်ငြိမ်သော T ပုံစံ ဂဟေဆော်သည့် အခွံမာသီးများသည် တုန်ခါမှုနှင့် လျော့ရဲမှုကို ခံနိုင်ရည်ရှိပြီး အခြား nut အမျိုးအစားများစွာနှင့် နှိုင်းယှဉ်ပါက ပိုမိုကောင်းမွန်ပါသည်။ ယုံကြည်စိတ်ချရသောထုတ်လုပ်သူများမှပံ့ပိုးပေးသော အရည်အသွေးထုတ်လုပ်မှုသည် Xiaoguo® ၏အချက်အချာဖြစ်ပြီး ထုတ်ကုန်များသည် နိုင်ငံတကာစံနှုန်းများနှင့်ကိုက်ညီကြောင်း သေချာစေပါသည်။
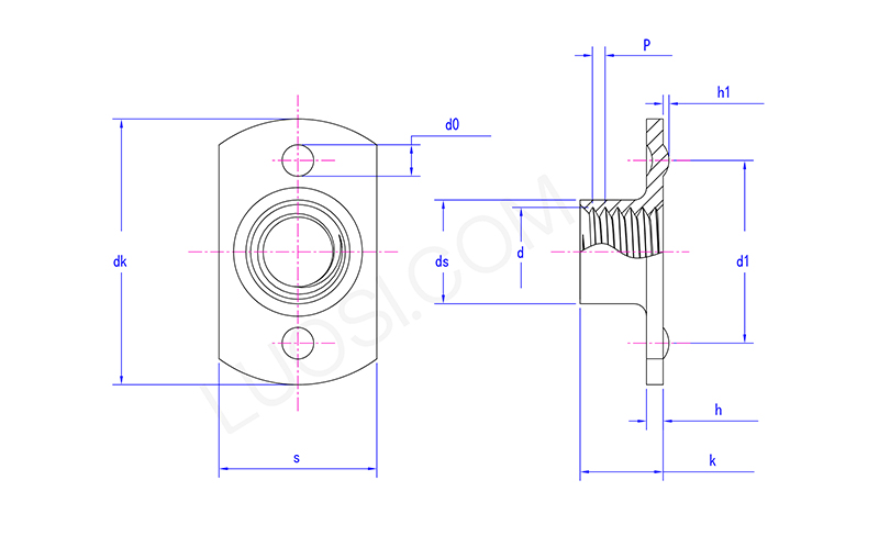
        မော်ဒယ်:JIS B1196-3.2-1994

        စုံစမ်းမေးမြန်းရန်ပေးပို့ပါ။

        ကုန်ပစ္စည်းအကြောင်းအရာ

        နှစ်ဖက်စလုံးသို့ ရောက်ရန် လိုအပ်သည့် ဘောများနှင့် မတူဘဲ၊ တည်ငြိမ်သော T ပုံစံ ဂဟေဆော်သော အခွံမာများသည် ဂဟေဆော်ရန်အတွက် နှစ်ဖက်လုံးမှ တစ်ဖက်မှ ဝင်ရောက်ရန် လိုအပ်ပြီး တွယ်ဆက်များ ထည့်ရန် လိုအပ်သည်။ အလုံပိတ် အစိတ်အပိုင်းများ သို့မဟုတ် သေတ္တာပုံသဏ္ဍာန် အပိုင်းများအတွက် အလွန်အသုံးဝင်သည်။

        ထို့အပြင်၊ ကြီးမားသောအနားကွပ်သည် စာရွက်သတ္တုကို တံဆိပ်ခတ်ရန် ကူညီပေးသည်။ အကယ်၍ သင်သည် ဂဟေမဆက်မီ အနားကွပ်မျက်နှာပြင်ပေါ်တွင် sealant သို့မဟုတ် gasket များကို တပ်ဆင်ပါက၊ အဆိုပါ အခွံမာသီးများသည် တင်းကျပ်စွာ အံဝင်ခွင်ကျဖြစ်ပြီး ယိုစိမ့်မှုဒဏ်ခံချိတ်ဆက်မှုကို ကူညီပေးပါမည်။

        မွန် M4 M5 M6 M8 M10 M12
        P 0.7 0.8 1 ၁︱၁.၂၅ ၁.၂၅︱၁.၅ ၁.၅︱၁.၇၅
        dk အမြင့်ဆုံး 20.5 20.5 23.7 23.7 31 33.2
        dk မိနစ် 19.5 19.5 22.3 22.3 29 30.8
        s အများဆုံး 12.25 12.25 14.3 14.3 19.4 21.5
        s မိနစ် 11.75 11.75 13.7 13.7 18.6 20.5
        ds အမြင့်ဆုံး 5.9 6.7 8.3 10.2 13.2 15.2
        ds မိနစ် 5.4 6.2 7.8 9.5 12.5 14.5
        k အများဆုံး 5.9 6.9 7.5 9 10.6 11.8
        k မိနစ် 5.1 6.1 6.5 8 9.4 10.2
        h အမြင့်ဆုံး 1.4 1.4 1.85 1.85 2.3 2.3
        ဇမိနစ် 1 1 1.35 1.35 1.7 1.7
        d0 အများဆုံး 3.25 3.25 3.25 3.25 4.05 4.05
        d0 မိနစ် 2.75 2.75 2.75 2.75 3.55 3.55
        d1 အများဆုံး 15.2 15.2 17.25 17.25 22.3 24.3
        d1 မိနစ် 14.8 14.8 16.75 16.75 21.7 23.7

        သက်ဆိုင်သည့် အခြေအနေများ-


        တည်ငြိမ်သော T ပုံစံ ဂဟေဆော်ရန်အတွက် အသုံးအများဆုံးနှင့် စျေးအသက်သာဆုံးပစ္စည်းမှာ AISI 1008, 1010, 1018 ကဲ့သို့ ကာဗွန်အနိမ့်မှ အလတ်စားဖြစ်သည်။ ဤသံမဏိအမျိုးအစားသည် ဂဟေဆော်ရန်အတွက် ကောင်းမွန်စွာအလုပ်လုပ်သည်၊ ခိုင်ခံ့မှုရှိသည်၊ ပုံသွင်းရန်လွယ်ကူသည်၊ များစွာကုန်ကျခြင်းမရှိပါ။

        ကာဗွန်သံမဏိ ခံနိုင်အား တည်ငြိမ်သော T ပုံစံ ဂဟေဆော်သည့် အခွံမာသီးများသည် အတွင်းပိုင်း သို့မဟုတ် ချေးအနည်းငယ်ရှိသော နေရာများတွင်ဖြစ်စေ—အထူးသဖြင့် ၎င်းတို့တွင် အကာအကွယ်အပေါ်ယံပိုင်းပါရှိလျှင် ပုံမှန်စက်မှုလုပ်ငန်းသုံးအများစုအတွက် ကောင်းမွန်ပါသည်။ ၎င်းတို့၏ ခွန်အားဂုဏ်သတ္တိများသည် ၎င်းတို့ကို ဂဟေဆက်ပြီးသည်နှင့် ခက်ခဲသောအချိတ်အဆက်များအတွက် လိုအပ်သော ဆွဲကြိုးများနှင့် ဆွဲငင်အားများကို ကိုင်တွယ်နိုင်သည်ဟု ဆိုလိုသည်။

        Load-Stable Load-Stable T-Style weld nuts

        တပ်ဆင်ခြင်း လမ်းညွှန်ချက်များ

        တည်ငြိမ်သော T ပုံစံဂဟေဆော်သည့် အခွံမာသီးများမှ အကောင်းဆုံးအားကို ရယူရန်၊ သင်သည် ဂဟေဆက်တင်များ—လက်ရှိ၊ အချိန်၊ ဖိအား—အခွံမာသီး၏ ပစ္စည်းနှင့် အထူအတွက် သတ်မှတ်ထားသည့်အတိုင်း အတိအကျ ထိန်းချုပ်ရန် လိုအပ်သည်။

        မျက်နှာပြင်ကို မှန်ကန်စွာပြင်ဆင်ထားရန် အရေးကြီးသည်- သန့်စင်သော၊ သတ္တုပေါ်တွင် ဆီမပါပါ။ ဒီဇိုင်းကိုယ်တိုင်က ဂဟေဆော်သည့်လျှပ်စီးကြောင်းကို ပရိုဂျက်တာမှတစ်ဆင့် အာရုံစူးစိုက်နိုင်စေသော်လည်း စက်ကို မှန်ကန်စွာသတ်မှတ်ခြင်းနှင့် အော်ပရေတာများက ၎င်းတို့လုပ်ဆောင်နေသည့်အရာသည် အဓိကဖြစ်ကြောင်း သေချာစေခြင်း။ ဤနည်းဖြင့် သင်သည် T-Style nut တိုင်းတွင် တသမတ်တည်း ခိုင်ခံ့သော ဂဟေဆက်နည်းကို ရရှိစေသည်။



        Hot Tags: Load Stable T Style Weld Nuts, China, Manufacturer, Supplier, Factory
        ဆက်စပ်အမျိုးအစား
        စုံစမ်းမေးမြန်းရန်ပေးပို့ပါ။
        ကျေးဇူးပြု၍ အောက်ပါပုံစံဖြင့် သင်၏စုံစမ်းမေးမြန်းမှုကို အခမဲ့ပေးပါ။ 24 နာရီအတွင်း သင့်အား အကြောင်းပြန်ပါမည်။
        X
        သင့်အား ပိုမိုကောင်းမွန်သောကြည့်ရှုမှုအတွေ့အကြုံကို ပေးဆောင်ရန်၊ ဆိုက်အသွားအလာကို ပိုင်းခြားစိတ်ဖြာပြီး အကြောင်းအရာကို ပုဂ္ဂိုလ်ရေးသီးသန့်ပြုလုပ်ရန် ကျွန်ုပ်တို့သည် ကွတ်ကီးများကို အသုံးပြုပါသည်။ ဤဆိုက်ကိုအသုံးပြုခြင်းဖြင့် ကျွန်ုပ်တို့၏ cookies အသုံးပြုမှုကို သင်သဘောတူပါသည်။ ကိုယ်ရေးအချက်အလက်မူဝါဒ
        ငြင်းပယ်ပါ။ လက်ခံပါတယ်။