Round Flat Head Projection Weld Studs များ
        • Round Flat Head Projection Weld Studs များRound Flat Head Projection Weld Studs များ
        • Round Flat Head Projection Weld Studs များRound Flat Head Projection Weld Studs များ
        • Round Flat Head Projection Weld Studs များRound Flat Head Projection Weld Studs များ

        Round Flat Head Projection Weld Studs များ

        ပလပ်စတစ်မျက်နှာပြင်ကို ဂဟေဆော်ရန်အတွက် အဝိုင်းပြားခေါင်းပုံဆွဲဂဟေဆက်သည့် ကြယ်သီးများကို ဒီဇိုင်းထုတ်ထားသည်။ ပစ္စည်းများ အရည်ပျော်စေရန်နှင့် ချည်နှောင်ရန် အပူကို အသုံးပြုကြသည်။ ၎င်း၏ ဒီဇိုင်းသည် လုံခြုံသောအံဝင်ခွင်ကျဖြစ်စေပြီး ပလပ်စတစ်ကို ကွဲအက်ခြင်းမှ ကာကွယ်ပေးပါသည်။Xiaoguo® Factory သည် မတူညီသောအရွယ်အစားနှင့် မော်ဒယ်များ၏ တွယ်ကပ်များကို ပံ့ပိုးပေးထားပြီး၊ အခြေအနေအမျိုးမျိုးတွင် အသုံးပြုနိုင်ပါသည်။
        မော်ဒယ်:QC/T 891-2011

        စုံစမ်းမေးမြန်းရန်ပေးပို့ပါ။

        ကုန်ပစ္စည်းအကြောင်းအရာ

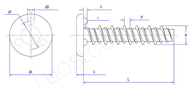
        Round flat head projection weld studs များကို အဓိကအားဖြင့် screw rod နှင့် head တစ်ခုဖြင့် ဖွဲ့စည်းထားသည်။ ဦးခေါင်းဒီဇိုင်းကွဲပြားသည်။ အချို့သည် ဂဟေဆော်နေစဉ် ပလပ်စတစ်နှင့် ထိတွေ့မှုဧရိယာကို တိုးမြှင့်ရန် အတော်လေး ကျယ်ပါသည်။ အခြားပလပ်စတစ်နှင့် ပိုမိုကောင်းမွန်စွာ ပေါင်းစည်းနိုင်ရန် အထူးပုံစံများ သို့မဟုတ် အပေါက်များရှိသည်။

        ထုတ်ကုန်လျှောက်လွှာများနှင့် ကန့်သတ်ချက်များ

        Round flat head projection weld studs parameter

        မွန်
        NST3 NST3.5
        NST4
        NST5
        NST6
        P
        1.1 1.3 1.4 1.6 1.8
        d1
        6.2 7 8 9.2 10.8
        d0 အများဆုံး
        1.1 1.4 1.9 2.1 2.7
        d0 မိနစ်
        0.9 1.2 1.7 1.9 2.4
        dk အမြင့်ဆုံး
        8.3 9.4 10.9 12.3 14.5
        dk မိနစ်
        8.1 9.2 10.7 12.1 14.2
        h အမြင့်ဆုံး
        0.45 0.55 0.7 0.8 1.05
        ဇမိနစ်
        0.35 0.45 0.6 0.7 0.95
        k အများဆုံး
        1 1.2 1.3 1.7 2.1
        k မိနစ်
        0.6 1 1.1 1.5 1.9
        r အများဆုံး
        0.4 0.5 0.6 0.7 1.0


        Round flat head projection weld studs ကို အီလက်ထရွန်နစ်ပစ္စည်းထုတ်လုပ်ရေးလုပ်ငန်းတွင် အသုံးပြုသည်။ ဥပမာအားဖြင့်၊ ဖုန်းအိတ်များ၊ တက်ဘလက်အဖုံးများ၊ နားကြပ်ပေါက်များ စသည်တို့ကို ထုတ်လုပ်သည့်အခါ၊ အချို့သော အတွင်းပိုင်း ပလပ်စတစ်ဖွဲ့စည်းပုံဆိုင်ရာ အစိတ်အပိုင်းများ၏ ချိတ်ဆက်မှုများသည် ဤဝက်အူအမျိုးအစားများကို အသုံးပြုရန် လိုအပ်ပါသည်။ ဖုန်းအတွင်းဘက်ထရီနှင့် မားသားဘုတ်အကာအကွယ်ကဲ့သို့သော ပလတ်စတစ်အစိတ်အပိုင်းများကို တပ်ဆင်သည့်အခါ၊ ဂဟေဆော်ခြင်းဖြင့် သက်ဆိုင်ရာ အနေအထားတွင် ချိတ်ပါပြီးနောက် အခြားအစိတ်အပိုင်းများကို တပ်ဆင်ပါ။

        ဤဂဟေဆော်သောဝက်အူများကို အရုပ်ထုတ်လုပ်ရေးလုပ်ငန်းတွင် အသုံးပြုကြသည်။ အရုပ်များစွာကို ပလပ်စတစ် အစိတ်အပိုင်းများမှ စုစည်းထားပြီး ၎င်းတို့ကို ချိတ်ဆက်ရန်အတွက် အသုံးပြုနိုင်သည်။ အရုပ်ရဲတိုက်များ၊ ပလပ်စတစ်မော်ဒယ်ကားများ ဆောက်လုပ်ရန်အတွက် ပလတ်စတစ်အဆောက်အအုံများကဲ့သို့သော အရုပ်များ၏ တာရှည်ခံမှုနှင့် ကလေးများ၏အသုံးပြုမှုအတွက် ဘေးကင်းမှုကို သေချာစေသည်။

        projection weld studs ကို အိမ်သုံးထုတ်ကုန်များ ထုတ်လုပ်သည့် လုပ်ငန်းတွင် အသုံးပြုသည်။ ပလပ်စတစ် သိုလှောင်သေတ္တာများ၊ ပလပ်စတစ် စားပွဲများနှင့် ကုလားထိုင်များ ကဲ့သို့သော ပလတ်စတစ် ထုတ်ကုန်အများအပြားကို ၎င်းတို့ကို အသုံးပြုမည်ဖြစ်သည်။ သိုလှောင်မှုသေတ္တာ၏ လက်ကိုင်များ၊ အခန်းကန့်များနှင့် အခြားအစိတ်အပိုင်းများကို တပ်ဆင်သည့်အခါ၊ ဂဟေဆော်သောဝက်အူများကို သိုလှောင်ခန်း၏ ပင်မကိုယ်ထည်ပေါ်သို့ ဂဟေဆော်ပြီး ဆက်စပ်ပစ္စည်းများကို တပ်ဆင်ပါ။ ၎င်းသည် မကြာခဏနေ့စဉ်အသုံးပြုနေစဉ်အတွင်း ဤအစိတ်အပိုင်းများကို အလွယ်တကူ လျော့ရဲမည်မဟုတ်ကြောင်း သေချာစေပြီး သိုလှောင်မှုသေတ္တာ၏ လက်တွေ့ကျမှုနှင့် ဝန်ဆောင်မှုသက်တမ်းကို မြှင့်တင်ပေးပါသည်။

        ထုတ်ကုန်အင်္ဂါရပ်

        အဝိုင်းပြားခေါင်းပုံဆွဲဂဟေဆော်သည့် ပလပ်စတစ်အစိတ်အပိုင်းများကြားတွင် လုံခြုံပြီး အဆင်ပြေသောချိတ်ဆက်မှုကို ရရှိနိုင်သည်။ ဂဟေဆက်ခြင်းဖြင့်၊ ၎င်းသည် မြင့်မားသောချိတ်ဆက်မှုခိုင်ခံ့မှုရှိသော ပလပ်စတစ်အစိတ်အပိုင်းများနှင့် နီးကပ်စွာချိတ်ဆက်ထားပြီး အစိတ်အပိုင်းများကို လျော့ရဲခြင်းမှထိရောက်စွာကာကွယ်ပေးသည်။ ဂဟေဆော်ခြင်းလုပ်ငန်းသည် အတော်လေးရိုးရှင်းပါသည်။ ပလတ်စတစ် ပြုပြင်ခြင်းတွင် အတွေ့အကြုံအချို့ရှိသူများအတွက် ၎င်းသည် ကျွမ်းကျင်ရန် လွယ်ကူပြီး ထုတ်လုပ်မှု ထိရောက်မှုကို မြှင့်တင်နိုင်ပါသည်။


        Hot Tags: Round Flat Head Projection Weld Studs၊ တရုတ်၊ ထုတ်လုပ်သူ၊ ပေးသွင်းသူ၊ စက်ရုံ၊
        ဆက်စပ်အမျိုးအစား
        စုံစမ်းမေးမြန်းရန်ပေးပို့ပါ။
        ကျေးဇူးပြု၍ အောက်ပါပုံစံဖြင့် သင်၏စုံစမ်းမေးမြန်းမှုကို အခမဲ့ပေးပါ။ 24 နာရီအတွင်း သင့်အား အကြောင်းပြန်ပါမည်။
        X
        သင့်အား ပိုမိုကောင်းမွန်သောကြည့်ရှုမှုအတွေ့အကြုံကို ပေးဆောင်ရန်၊ ဆိုက်အသွားအလာကို ပိုင်းခြားစိတ်ဖြာပြီး အကြောင်းအရာကို ပုဂ္ဂိုလ်ရေးသီးသန့်ပြုလုပ်ရန် ကျွန်ုပ်တို့သည် ကွတ်ကီးများကို အသုံးပြုပါသည်။ ဤဆိုက်ကိုအသုံးပြုခြင်းဖြင့် ကျွန်ုပ်တို့၏ cookies အသုံးပြုမှုကို သင်သဘောတူပါသည်။ ကိုယ်ရေးအချက်အလက်မူဝါဒ
        ငြင်းပယ်ပါ။ လက်ခံပါတယ်။