ဝက်ဝိုက်ထည့်သွင်းခြင်း
      • ဝက်ဝိုက်ထည့်သွင်းခြင်းဝက်ဝိုက်ထည့်သွင်းခြင်း
      • ဝက်ဝိုက်ထည့်သွင်းခြင်းဝက်ဝိုက်ထည့်သွင်းခြင်း
      • ဝက်ဝိုက်ထည့်သွင်းခြင်းဝက်ဝိုက်ထည့်သွင်းခြင်း
      • ဝက်ဝိုက်ထည့်သွင်းခြင်းဝက်ဝိုက်ထည့်သွင်းခြင်း

      ဝက်ဝိုက်ထည့်သွင်းခြင်း

      တစ် ဦး ကဝက်အူတ ဦး တည်းအစေအများဆုံးတိကျမှန်ကန်သောဖွဲ့စည်းပုံတစ်ခုဖြစ်သော, Xiaoguo®စက်ရုံ၏အတုတံဆိပ်သည်ဖောက်သည်များအားဘ 0 ကိုမတုပ်သည့်တုန့်ပြန်မှုများမှကာကွယ်ပေးသည်။
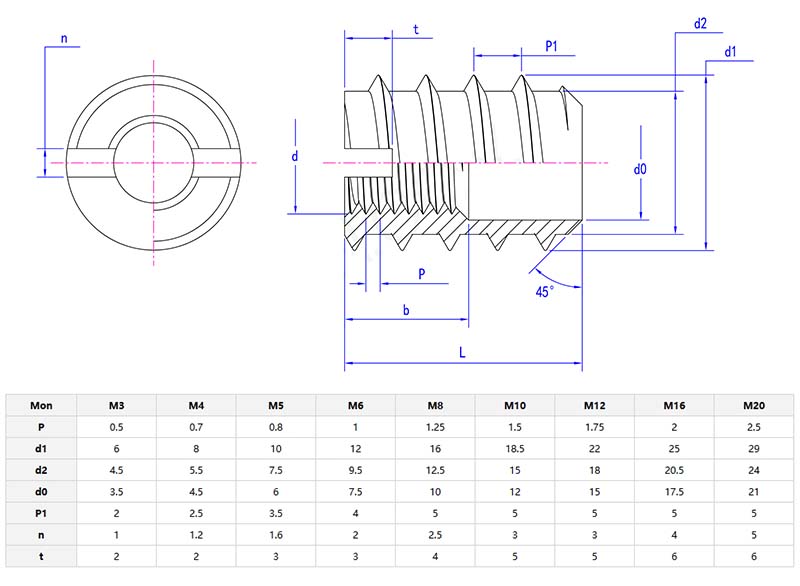
      မော်ဒယ်:DIN 7965-1965

      စုံစမ်းမေးမြန်းရန်ပေးပို့ပါ။

      ကုန်ပစ္စည်းအကြောင်းအရာ

      ဝက်ဝိုက်ထည့်သွင်းခြင်းစိန်ပုံစံဝါယာကြိုးမှပြုလုပ်သောဟယ်လ်လိုင်းကွိုင်ဖြစ်ကြသည်။ ၎င်းသည်အားကြီးသောအတွင်းပိုင်းချည်များကိုပျော့ပြောင်းပြီးသို့မဟုတ်မူရင်းချည်များပျက်စီးသွားသည့်အခါဖန်တီးရန်ဒီဇိုင်းပြုလုပ်ထားသည်။ သင်က၎င်းကို pre-capped home တစ်ခုထဲသို့ထည့်ပြီးစည်းဝေးပွဲကိုကြာရှည်ခံစေသည့်ခက်ခဲသော, ဝက်အူလမ်းကြောင်းထည့်သွင်းမှုသည်အမြဲတမ်းလက်များကဲ့သို့အလုပ်လုပ်သည်။ ၎င်းသည်အခြေခံပစ္စည်းမလုံလောက်သည့်ခက်ခဲသောအခြေအနေများတွင်လုံခြုံစိတ်ချရသောအခြေအနေများတွင်လုံခြုံစိတ်ချရသောအရာဖြစ်သည်။

      Screwed inserts

      ကုန်ပစ္စည်းအသေးစိတ်အချက်အလက်များနှင့် parameters တွေကို

      အချည်းနှီးသောထည့်သွင်းခြင်း၏အဓိကအားသာချက်မှာသူတို့ကအစွန်အဖျားအားနည်းခြင်းသို့မဟုတ်အားနည်းသောချည်များကိုအားဖြည့်ပေးနိုင်ပြီးအားဖြည့်ပေးနိုင်သည်။ သူတို့ကအခြေခံပစ္စည်းတွေထက်ပိုပြီးဆွဲထုတ်ပြီးညှပ်ခြင်းလမ်းကိုမြှင့်တင်ပေးတယ်။ ဝက်အူမထည့်သော insert ကိုထည့်ခြင်းသည်မခက်ခဲပါ။ ၎င်းကိုပုံမှန်ကိရိယာများဖြင့်ပြုလုပ်နိုင်သည်။ ထို့အပြင်သူတို့သည်တုန်ခါမှုကိုဆန့်ကျင်။ ကောင်းစွာဆန့်ကျင်။ တစ် ဦး ချင်းစီကတခြားဖောက်ဖျက်ခြင်းမှကွဲပြားခြားနားသောသတ္တုများကိုရပ်တန့်ပြီးချည်နှောင်ခြင်းများကိုတသမတ်တည်းနေရန်သေချာစေပြီးထပ်မံအသုံးပြုနိုင်သည်။ ကြောင်းစေသည်ဝက်ဝိုက်ထည့်သွင်းခြင်းသင်အလွန်အကျွံအသုံးစရိတ်မရှိဘဲယုံကြည်စိတ်ချရသောအရာတစ်ခုခုကိုလိုချင်လျှင်စမတ်ရွေးချယ်မှု။

      Screwed inserts

      အမြဲမေးလေ့ရှိသောမေးခွန်းများ

      Q: ဒီဟာကအခြေခံပစ္စည်းကိုနှိပ်ရုံနဲ့နှိုင်းယှဉ်ရင်ဘယ်လိုအားကောင်းတဲ့ချည်ကိုဖန်တီးတာလဲ။

      ဖြေဝက်ဝိုက်ထည့်သွင်းခြင်းပုံမှန်ထက်နည်းနည်းပိုကြီးတဲ့ Pre-Stred နှင့်ပုတ်လိုက်တဲ့အပေါက်ထဲဝင်သွားတယ်။ အဆိုပါကွိုင်စိန်ပုံသဏ် wike ာန်ဝါယာကြိုးကနေလုပ်တယ်, အဲဒါကဝန်တွေကိုကိုင်ထားပြီးအညီအမျှအညီအမျှစိတ်ဖိစီးမှုကိုဖြန့်ဝေပေးတယ်။ ၎င်းသည်ပျော့ပြောင်းပြီးအခြေအနေသို့ပစ္စည်းကိုချွတ်ခြင်း, ပျက်စီးသွားခြင်း, ရလဒ်မှာအထူးသဖြင့်ပျော့ပျောင်းသောသတ္တုများသို့မဟုတ်ပလတ်စတစ်များတွင်ပုံမှန်ထိပုတ်ထားသောချည်များထက်ပိုမိုကောင်းမွန်သည့်ခိုင်မာသော,


      Hot Tags: ဝက်ဝံရိုး, တရုတ်, ထုတ်လုပ်သူ, ပေးသွင်းသူ, စက်ရုံ
      ဆက်စပ်အမျိုးအစား
      စုံစမ်းမေးမြန်းရန်ပေးပို့ပါ။
      ကျေးဇူးပြု၍ အောက်ပါပုံစံဖြင့် သင်၏စုံစမ်းမေးမြန်းမှုကို အခမဲ့ပေးပါ။ 24 နာရီအတွင်း သင့်အား အကြောင်းပြန်ပါမည်။
      X
      We use cookies to offer you a better browsing experience, analyze site traffic and personalize content. By using this site, you agree to our use of cookies. Privacy Policy
      Reject Accept