PCB ဘုတ်အတွက် UN riveted stud ကို များသောအားဖြင့် ကာဗွန်နည်းသော သံမဏိ သို့မဟုတ် သံမဏိ သို့မဟုတ် အလူမီနီယမ်ကဲ့သို့ ကောင်းမွန်သော သံမဏိသတ္တုစပ်များဖြင့် ပြုလုပ်ထားသည်။ ၎င်းတို့သည် ခိုင်မာသော စက်ပိုင်းဆိုင်ရာ ခွန်အားရှိပြီး အချိန်ကြာလာသည်နှင့်အမျှ ကောင်းမွန်စွာ ထိန်းထားနိုင်သည်။
သံမဏိများသည် တွန်းအားနှင့် ပွတ်တိုက်အား အများဆုံးပေးစွမ်းသည်။ အခြားတစ်ဖက်တွင် အလူမီနီယမ်များသည် လျှပ်စစ်ဓာတ်အား ကောင်းမွန်စွာ သယ်ဆောင်နိုင်ပြီး ပေါ့ပါးသည်။
ဤစတိုးများအတွက် ရွေးချယ်ထားသော သတ္တုသည် လေးလံသော စက်ပိုင်းဆိုင်ရာဝန်များ၊ အပူနှင့် အအေးစက်ဝန်းများမှ ဖိစီးမှုကို ကိုင်တွယ်နိုင်ပြီး ထုတ်ကုန်ကို အသုံးပြုချိန်တစ်လျှောက်လုံး ခိုင်ခံ့နေစေရန် ဆိုလိုသည်။
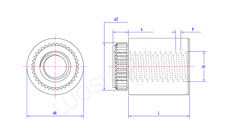
PCB ဘုတ်အတွက် UN riveted stud သည် ပုံနှိပ်ဆားကစ်ဘုတ်များ (PCBs) တွင် ယုံကြည်စိတ်ချရသော ပြင်ပ threaded fixation point ကိုပေးဆောင်ရန် အသုံးပြုသည့် အမြဲတမ်းနှင့် ခိုင်ခံ့မြင့်သော တွယ်ကပ်တစ်ခုဖြစ်သည်။ ဤတွင်၊ "UN" သည် ပုံမှန်အားဖြင့် "ယူနီဖောင်း အမျိုးသား စံသတ်မှတ်ချက်" ကို ကိုယ်စားပြုသည် (ဥပမာ UNC သို့မဟုတ် UNF ကဲ့သို့) ၎င်းပိုင်ဆိုင်သည့် စံပြုဝက်အူအမျိုးအစား (ဥပမာ UNC သို့မဟုတ် UNF) ကို ရည်ညွှန်းပြီး စံနမူနာအမျိုးမျိုးနှင့် လိုက်ဖက်မှုရှိစေပါသည်။
တပ်ဆင်ခြင်းလုပ်ငန်းစဉ်သည် မြန်ဆန်ပြီး ထိရောက်မှုရှိသည်။ PCB ဘုတ်ပေါ်ရှိ ကြိုတင်တူးထားသော အပေါက်ထဲသို့ စတုတ်ကို ထည့်ပါ။ ထို့နောက် သံမှိုခေါင်းနှင့် ပခုံး သို့မဟုတ် အနားကွပ်ကြားရှိ အပြင်ဘက်သို့ တင်းကျပ်စွာ ဆုပ်ကိုင်ထားနိုင်စေရန်အတွက် သပ်ရပ်သော သံမှိုကိရိယာကို အသုံးပြု၍ ဂဟေဆော်ရန်မလိုအပ်ဘဲ ခိုင်ခံ့ပြီး တုန်ခါမှုခံနိုင်ရည်ရှိသော ချိတ်ဆက်မှုကို ဖြစ်ပေါ်စေပါသည်။
ဤနည်းလမ်းသည် ကြီးမားသောစက်ပိုင်းဆိုင်ရာဖိအားကိုခံနိုင်ရည်ရှိရန် လိုအပ်သောအခြေအနေများ၊ ပလပ်အင်အများအပြားလုပ်ဆောင်ရန် လိုအပ်သည့်အခြေအနေများ၊ သို့မဟုတ် ဂဟေဆော်ခြင်းဖြင့်ထုတ်ပေးသောအပူရှိန်ကြောင့် ထိခိုက်လွယ်သောအစိတ်အပိုင်းများကို ပျက်စီးစေမည့်အခြေအနေများအတွက် အထူးသင့်လျော်ပါသည်။
ဤ PCB ဘုတ်အတွက် UN မှ သံတုံးများကို အအေးခံခြင်း သို့မဟုတ် သံမှိုပြုလုပ်ခြင်းနည်းလမ်းကို အသုံးပြု၍ ထည့်သွင်းထားသည်။
သင်သည် PCB ရှိကြိုတင်တူးထားသောအပေါက်မှတဆင့်စတုတ်ကိုကပ်ပါ။ ထို့နောက် အထူး သံမှိုတပ်သည့်ကိရိယာသည် ဘုတ်အောက်ရှိ အံစာတုံးနှင့် ကိုင်းကို ကွေးစေပြီး ၎င်းကို မြဲမြဲကိုင်ထားနိုင်သော သော့ခတ်မှုကို ဖန်တီးသည်။
အအေးပေးသည့်နည်းလမ်းသည် အပူလျော့နည်းစေပြီး PCB laminate သို့မဟုတ် circuitry ကို ပျက်စီးစေမည်မဟုတ်ပါ။ မှန်ကန်စွာ တပ်ဆင်သည့်အခါ၊ စွတ်တံများသည် ဆားကစ်ဘုတ်၏ ဖွဲ့စည်းပုံကို မထိခိုက်စေဘဲ ခိုင်ခံ့ပြီး တုန်ခါမှုကို ခံနိုင်ရည်ရှိသော ပြုပြင်မှုကို ပေးပါသည်။

| စျေးကွက် | ဝင်ငွေ (ယခင်နှစ်) | စုစုပေါင်းဝင်ငွေ (%) |
| မြောက်အမေရိက | လျှို့ဝှက် | 20 |
| တောင်အမေရိက | လျှို့ဝှက် | 4 |
| အရှေ့ဥရောပ | လျှို့ဝှက် | 24 |
| အရှေ့တောင်အာရှ | လျှို့ဝှက် | 2 |
| အာဖရိက | လျှို့ဝှက် | 2 |
| Oceania | လျှို့ဝှက် | 1 |
| အရှေ့အလယ်ပိုင်း | လျှို့ဝှက် | 4 |
| အရှေ့အာရှ | လျှို့ဝှက် | 13 |
| အနောက်ဥရောပ | လျှို့ဝှက် | 18 |
| ဗဟိုအမေရိက | လျှို့ဝှက် | 6 |
| ဥရောပမြောက်ပိုင်း | လျှို့ဝှက် | 2 |
| ဥရောပတောင်ပိုင်း | လျှို့ဝှက် | 1 |
| တောင်အာရှ | လျှို့ဝှက် | 4 |
| ပြည်တွင်းဈေးကွက် | လျှို့ဝှက် | 5 |