Anchor Secure Eye Bolt
        • Anchor Secure Eye BoltAnchor Secure Eye Bolt
        • Anchor Secure Eye BoltAnchor Secure Eye Bolt

        Anchor Secure Eye Bolt

        Xiaoguo မှထုတ်လုပ်သော Anchor Secure Eye Bolts အားလုံးကို တင်ပို့ခြင်းမပြုမီ ပြင်းထန်သောစမ်းသပ်မှုပြုလုပ်ပြီး ကုမ္ပဏီမှ ၎င်းတို့အား စိတ်ချယုံကြည်စွာ ထောက်ပံ့ပေးနိုင်သည်။ ပါတနာများက Xiaoguo ကို ယုံကြည်ကြပြီး ဝယ်ယူသူများသည် ယုံကြည်စိတ်ချစွာ ဝယ်ယူနိုင်ပါသည်။

        စုံစမ်းမေးမြန်းရန်ပေးပို့ပါ။

        ကုန်ပစ္စည်းအကြောင်းအရာ

        အရည်အသွေးစစ်ဆေးရေးလက်မှတ်

        ထို့ကြောင့် Anchor Secure Eye Bolt အတွက် အရည်အသွေးစစ်ဆေးခြင်းလက်မှတ်ကို သင်ရရှိသောအခါ၊ အခြေခံအားဖြင့် ၎င်းသည် ASTM A489 ကဲ့သို့သော သီးခြားစံနှုန်းများနှင့် ကိုက်ညီကြောင်းပြသသည့် ထုတ်ကုန်နှင့်အတူ ပါလာသည့်စာရွက်စာတမ်းဖြစ်သည်။ ဤစာရွက်စာတန်းသည် သင့်အား မည်သည့်ပစ္စည်းများကိုအသုံးပြုခဲ့သည်အကြောင်းအသေးစိတ်အချက်အလက်များကိုပေးသည်၊ အတိုင်းအတာအားလုံးမှန်ကန်ကြောင်းစစ်ဆေးခြင်း၊ ၎င်းကိုစစ်ဆေးခြင်းအောင်မြင်ပြီးကြောင်းအတည်ပြုခြင်းနှင့် မျက်နှာပြင်ကုသမှုကိုစစ်ဆေးခြင်းတို့ကိုပေးပါသည်။ လက်မှတ်သည် ပုံမှန်အားဖြင့် ဤကဲ့သို့သော စမ်းသပ်မှုပြုလုပ်ရန် အသိအမှတ်ပြုထားသည့် လွတ်လပ်သောဓာတ်ခွဲခန်းမှ လာပါသည်။ တကယ်အသုံးဝင်တာက ထုတ်ကုန်ကို သူ့ရဲ့ထုတ်လုပ်ရေးအသုတ်ဆီ ပြန်ခြေရာခံနိုင်စေတာကြောင့် မျက်လုံး bolt ဟာ lifting operations တွေအတွက် တကယ်ကို ဘေးကင်းလုံခြုံပြီး အလုပ်ဆိုဒ်မှာ အသုံးပြုနေတဲ့အချိန်မှာ လုပ်ဆောင်သင့်တယ်လို့ ယုံကြည်ချက်ပေးနိုင်ပါတယ်။

        Anchor Secure Eye Bolt

        ထုတ်ကုန်အသုံးပြုမှုများ

        ထို့ကြောင့်၊ Anchor Secure Eye Bolt သည် အခြေအနေများစွာတွင် အသုံးဝင်သော အစိတ်အပိုင်းတစ်ခုဖြစ်သည် - ၎င်းကို လေးလံသော အရာများကို သယ်ဆောင်ရန်၊ ကြိုးဆွဲခြင်းအတွက် သို့မဟုတ် အရာများကို လုံလုံခြုံခြုံချရန်အတွက်သာ အဓိကအားဖြင့် ၎င်းကို သင်မြင်ရပါမည်။ တစ်ဖက်မှ စက်ဝိုင်းပုံမျက်လုံးဖြင့် ဒီဇိုင်းထုတ်ပုံသည် မတူညီသော ဂီယာအမျိုးအစားများကို ချိတ်ဆက်ရန် အမှန်တကယ် ရိုးရှင်းစေသည်။ ၎င်းကိုဖြတ်၍ ကေဘယ်ကြိုးကို သွယ်တန်းရန်၊ ကြိုးကို ချည်ထားရန် သို့မဟုတ် ခြေချင်းချိတ်ကို ချိတ်ထားရန် လိုအပ်သည်ဖြစ်စေ ထိုမျက်လုံးသည် သင့်အား လုပ်ဆောင်ရန် ခိုင်မာသောအချက်ကို ပေးသည်။ ထို့ကြောင့် ဤအရာများကို ဆောက်လုပ်ရေးလုပ်ငန်းခွင်များ၊ သင်္ဘောကျင်းများ၊ လှေများနှင့် စက်ရုံများတွင် တစ်ချိန်လုံးအသုံးပြုနေကြသည် - လူတို့သည် ဝန်တင်များလုံခြုံစေရန် သို့မဟုတ် စက်ကိရိယာများကို ဘေးကင်းစွာရွှေ့ပြောင်းရန် လိုအပ်သည့်နေရာတိုင်းတွင် သင်အမြဲတမ်းအသုံးပြုနေသည်ကို တွေ့ရမည်ဖြစ်ပါသည်။

        အမေးအဖြေကဏ္ဍ

        မေးခွန်း- သင်၏ Anchor Secure Eye Bolt အတွက် ဘေးကင်းသော အလုပ်ဝန်သည် အဘယ်နည်း။ bolt အတွက် ဘေးကင်းသော ဝန်သည် ၎င်း၏ အရွယ်အစားနှင့် အမျိုးအစားပေါ်တွင် မူတည်ပါသည်။ သင်အသုံးပြုနေသည့် သီးခြားတစ်ခုအတွက် အဆင့်သတ်မှတ်ထားသော ဝန်ဇယားကို အမြဲစစ်ဆေးပါ။ ထိုအဆင့်ကို ဘယ်တော့မှ ကျော်မသွားပါ—ပစ္စည်းများကို သယ်ယူသည့်အခါတွင် အရာများကို လုံခြုံစေပါသည်။

        Anchor Secure Eye Bolt

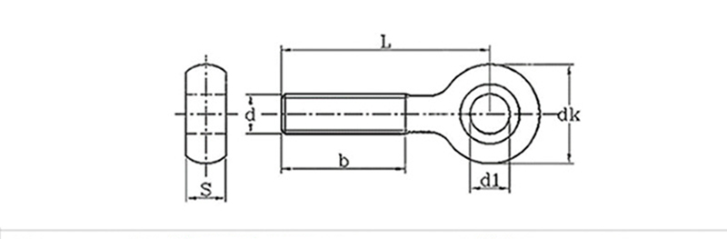
        မီလီမီတာ
        ချည်လုံးပတ်
        d1
        dk
        s
        M6
        5 10.5 5.4
        M8
        6 13 7
        M10
        8 16 8.5
        M12
        10 19 10.5
        M14
        10 22 12

        Hot Tags: Anchor Secure Eye Bolt
        ဆက်စပ်အမျိုးအစား
        စုံစမ်းမေးမြန်းရန်ပေးပို့ပါ။
        ကျေးဇူးပြု၍ အောက်ပါပုံစံဖြင့် သင်၏စုံစမ်းမေးမြန်းမှုကို အခမဲ့ပေးပါ။ 24 နာရီအတွင်း သင့်အား အကြောင်းပြန်ပါမည်။
        X
        သင့်အား ပိုမိုကောင်းမွန်သောကြည့်ရှုမှုအတွေ့အကြုံကို ပေးဆောင်ရန်၊ ဆိုက်အသွားအလာကို ပိုင်းခြားစိတ်ဖြာပြီး အကြောင်းအရာကို ပုဂ္ဂိုလ်ရေးသီးသန့်ပြုလုပ်ရန် ကျွန်ုပ်တို့သည် ကွတ်ကီးများကို အသုံးပြုပါသည်။ ဤဆိုက်ကိုအသုံးပြုခြင်းဖြင့် ကျွန်ုပ်တို့၏ cookies အသုံးပြုမှုကို သင်သဘောတူပါသည်။ ကိုယ်ရေးအချက်အလက်မူဝါဒ
        ငြင်းပယ်ပါ။ လက်ခံပါတယ်။