အိမ် > ထုတ်ကုန်များ > မင်းတုံး > Square Head Bolt > ကာဗွန်သံမဏိ Metric Square Head Bolts
        ကာဗွန်သံမဏိ Metric Square Head Bolts
        • ကာဗွန်သံမဏိ Metric Square Head Boltsကာဗွန်သံမဏိ Metric Square Head Bolts
        • ကာဗွန်သံမဏိ Metric Square Head Boltsကာဗွန်သံမဏိ Metric Square Head Bolts
        • ကာဗွန်သံမဏိ Metric Square Head Boltsကာဗွန်သံမဏိ Metric Square Head Bolts
        • ကာဗွန်သံမဏိ Metric Square Head Boltsကာဗွန်သံမဏိ Metric Square Head Bolts
        • ကာဗွန်သံမဏိ Metric Square Head Boltsကာဗွန်သံမဏိ Metric Square Head Bolts

        ကာဗွန်သံမဏိ Metric Square Head Bolts

        ဆောက်လုပ်ရေး၊ သစ်သားလုပ်ငန်းနှင့် စက်ပစ္စည်းအဟောင်းများတွင် အသုံးများသော Metric Square Head Bolts များသည် ခေတ်ဟောင်း သို့မဟုတ် လေးလံသော အလှဗေဒကို ပေးစွမ်းသည်။ Xiaoguo® အတွက်—အတွေ့အကြုံရှိ တွယ်ကပ်ကိရိယာများ ပံ့ပိုးပေးသူ—ထိုကဲ့သို့သော ဘော်လီများ၏ တစ်သမတ်တည်းသော ထုတ်ကုန်အရည်အသွေးသည် အဓိက ကတိကဝတ်တစ်ခုဖြစ်သည်။
        မော်ဒယ်:ASME/ANSI B18.2.1-1-1972

        စုံစမ်းမေးမြန်းရန်ပေးပို့ပါ။

        ကုန်ပစ္စည်းအကြောင်းအရာ

        ကာဗွန်သံမဏိ မက်ထရစ်စတုရန်းခေါင်းတုံးများ မည်မျှ ကောင်းမွန်စွာ ထိန်းထားနိုင်သနည်း အများစုမှာ ၎င်းတို့၏ ပစ္စည်းအဆင့်ပေါ်မူတည်ပါသည်။ အသုံးများသော ကာဗွန်သံမဏိအဆင့်များမှာ 4.6 (ဆွဲသောအခါ အနည်းဆုံး 400 MPa)၊ 5.6 (500 MPa)၊ 8.8 (800 MPa)၊ 10.9 (1000 MPa) နှင့် 12.9 (1200 MPa)။

        A2-304 နှင့် A4-316 ကဲ့သို့သော အသုံးများသော သံမဏိများသည် သံချေးတက်ရန် မလွယ်ကူပါ။ သို့သော်လည်း ၎င်းတို့တွင် သေးငယ်သော ကန့်သတ်ချက်တစ်ခု ရှိသည်၊ ဆိုလိုသည်မှာ ၎င်းတို့ ခံနိုင်ရည်အား ယေဘုယျအားဖြင့် အလွန်မမြင့်ဘဲ၊ များသောအားဖြင့် 500 မှ 700 MPa အတွင်း ဖြစ်သည်။ အဆင့်မြင့်မက်ထရစ်စတုရန်းခေါင်းတုံးများ (8.8 နှင့်အထက်) များသည် ၎င်းတို့ကို ပိုမိုခိုင်ခံ့စေရန် အပူပေးထားသည်။

        ထုတ်ကုန် ကန့်သတ်ချက်များ

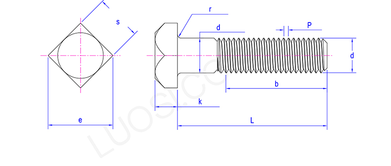
        မွန် ၃/၈ ၇/၁၆ ၁/၂ ၅/၈ ၃/၄ ၇/၈ 1 ၁-၁/၈ ၁-၁/၄ ၁-၃/၈ ၁-၁/၂
        P ၁၆|၂၄|၃၂ ၁၄|၂၀|၂၈ ၁၃|၂၀|၂၈ ၁၁|၁၈|၂၄ 10|16|20 ၉|၁၄|၂၀ ၈|၁၂|၂၀ ၇|၁၂|၁၈ ၇|၁၂|၁၈ ၆|၁၂|၁၈ ၆|၁၂|၁၈
        ds အမြင့်ဆုံး 0.388 0.452 0.515 0.642 0.768 0.895 1.022 1.149 1.277 1.404 1.531
        s အများဆုံး 0.562 0.625 0.75 0.938 1.125 1.312 1.5 1.688 1.875 2.062 2.25
        s မိနစ် 0.544 0.603 0.725 0.906 1.088 1.269 1.45 1.631 1.812 1.994 2.175
        အီး အများဆုံး 0.795 0.884 1.061 1.326 1.591 1.856 2.121 2.386 2.652 2.917 3.182
        e min 0.747 0.828 0.995 1.244 1.494 1.742 1.991 2.239 2.489 2.738 2.986
        k အများဆုံး 0.268 0.316 0.348 0.444 0.524 0.62 0.684 0.78 0.876 0.94 1.036
        k မိနစ် 0.232 0.278 0.308 0.4 0.476 0.568 0.628 0.72 0.812 0.872 0.964
        r အများဆုံး 0.03 0.03 0.03 0.06 0.06 0.06 0.09 0.09
        0.09
        0.09
        0.09
        r မိနစ် 0.01 0.01
        0.01
        0.02 0.02
        0.02
        0.03 0.03
        0.03
        0.03
        0.03

        Carbon Steel Metric Square Head Bolts


        ထုတ်ကုန်အသေးစိတ်

        ကာဗွန်သံမဏိ မက်ထရစ်စတုရန်းခေါင်းတုံးများ ထည့်သွင်းရန်၊ သင်သည် မှန်ကန်သောအရွယ်အစား အဖွင့်အပိတ် လက်ကိုင်တုတ်များ၊ ချိန်ညှိနိုင်သော လက်ကိုင်တုတ်များ သို့မဟုတ် အထူးစတုရန်းစကတ်များ လိုအပ်သည်။ ၎င်းတို့ကို လုံလုံလောက်လောက် တင်းတင်းကျပ်ကျပ်ထားသော်လည်း သိပ်အရေးမကြီးပါ — အကြံပြုထားသော torque နံပါတ်များကို လိုက်နာရပါမည်။ ၎င်းတို့သည် bolt ၏ အချင်း၊ ပစ္စည်းအဆင့်၊ ချည်သံပေါက်၊ နှင့် ချောဆီဖြစ်မဖြစ်တို့ ဖြင့် သွားပါသည်။

        အင်ဂျင်နီယာလုပ်ငန်းဆောင်ရွက်မှုအခြေအနေ (အသေးစိတ်ဖြည့်စွက်ချက်) စံချိန်စံညွှန်း torque အရ ချိတ်ဆက်မှုအား တင်းကျပ်ခြင်းမရှိပါက (သို့မဟုတ် "တင်းကြပ်မှုဒီဂရီသည် စံချိန်စံညွှန်းမပြည့်မီပါက)၊ ဒုတိယစစ်ဆေးခြင်းနှင့် အားဖြည့်မှုလိုအပ်ပြီး နောက်ပိုင်းတွင် ချိတ်ဆက်မှု လျော့ရဲသွားဖွယ်ရှိသည်။ bolt တင်းကျပ်သည့် torque သည် သတ်မှတ်ထားသောတန်ဖိုးထက်ကျော်လွန်သောအခါ၊ bolt အား ပလပ်စတစ်ဖြင့် ဆန့်ထုတ်ခြင်း သို့မဟုတ် တိုက်ရိုက်ကွဲသွားစေရန် လွယ်ကူစေသည်။ ချိတ်ဆက်မှု၏တည်ငြိမ်မှုနှင့် bolt ချို့ယွင်းမှုကိုကာကွယ်ရန်၊ ထုတ်လုပ်သူ သို့မဟုတ် အင်ဂျင်နီယာဌာနမှ ထုတ်ပြန်သော torque လမ်းညွှန်စာရွက်စာတမ်းများကို တင်းကြပ်စွာလိုက်နာရမည်ဖြစ်သည်။

        အမြဲမေးလေ့ရှိသောမေးခွန်းများ

        မေး- ကာဗွန်သံမဏိ မက်ထရစ်စတုရန်းခေါင်းတုံးများ တပ်ဆင်ရန်အတွက် ဖဲချပ်အရွယ်အစားမည်မျှ လိုအပ်သနည်း။ ကြိုးအရွယ်အစားနှင့် တူညီပါသလား။

        A: ကာဗွန်သံမဏိမက်ထရစ်စတုရန်းခေါင်းတုံးများအတွက် ဖဲချပ်အရွယ်အစား (ပြားချပ်ချပ်အစိတ်အပိုင်းများတစ်လျှောက် အကျယ်) သည် ချည်အချင်းထက် ပိုကြီးသည်။ ဥပမာအားဖြင့်၊ M12 ကဲ့သို့သော မက်ထရစ်စတုရန်းခေါင်းတုံးကို 19 မီလီမီတာ ဖဲကြိုးဖြင့် တင်းကျပ်နိုင်သည်။ ဒါပေမယ့် တိုက်ရိုက်မသုံးပါနဲ့။ bolt ၏ သတ်မှတ်ထားသော အရွယ်အစားဇယားကို ဦးစွာတိုင်ပင်ပြီး တပ်ဆင်ခြင်းနှင့် တင်းကျပ်ခြင်းမပြုမီ မှန်ကန်သော wrench ကိုရှာရပါမည်။



        Hot Tags: ကာဗွန်သံမဏိ Metric Square ဦးခေါင်း Bolts, တရုတ်, ထုတ်လုပ်သူ, ပေးသွင်း, စက်ရုံ
        ဆက်စပ်အမျိုးအစား
        စုံစမ်းမေးမြန်းရန်ပေးပို့ပါ။
        ကျေးဇူးပြု၍ အောက်ပါပုံစံဖြင့် သင်၏စုံစမ်းမေးမြန်းမှုကို အခမဲ့ပေးပါ။ 24 နာရီအတွင်း သင့်အား အကြောင်းပြန်ပါမည်။
        X
        သင့်အား ပိုမိုကောင်းမွန်သောကြည့်ရှုမှုအတွေ့အကြုံကို ပေးဆောင်ရန်၊ ဆိုက်အသွားအလာကို ပိုင်းခြားစိတ်ဖြာပြီး အကြောင်းအရာကို ပုဂ္ဂိုလ်ရေးသီးသန့်ပြုလုပ်ရန် ကျွန်ုပ်တို့သည် ကွတ်ကီးများကို အသုံးပြုပါသည်။ ဤဆိုက်ကိုအသုံးပြုခြင်းဖြင့် ကျွန်ုပ်တို့၏ cookies အသုံးပြုမှုကို သင်သဘောတူပါသည်။ ကိုယ်ရေးအချက်အလက်မူဝါဒ
        ငြင်းပယ်ပါ။ လက်ခံပါတယ်။