|
မွန် |
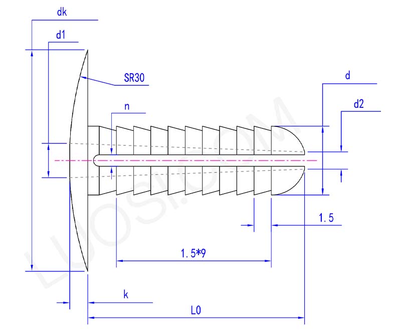
Φ၆ |
Φ၈ |
Φ၁၀ |
|
d အများဆုံး |
6 | 8 | 10 |
|
ဃ မိနစ် |
5.8 | 7.8 | 9.8 |
|
dk အမြင့်ဆုံး |
16.2 | 16.2 | 18.2 |
|
dk မိနစ် |
15.8 | 15.8 | 17.8 |
|
k အများဆုံး |
1.6 | 1.6 | 2.1 |
|
k မိနစ် |
1.4 | 1.4 | 1.9 |
|
L0 |
20 | 20 | 22 |
|
d1 |
3 | 4 | 5 |
|
d2 |
1.5 | 2 | 3 |
|
n |
1 | 1 | 1.5 |
ချဲ့ထွင်ထားသော သံမှိုညှပ်သည် အသုံးဝင်သော ပလပ်စတစ်ချိတ်တစ်ခုဖြစ်သည်။ ၎င်းသည် ပုံမှန်သတ္တုချည်တံများအစား သံချေးတက်ခြင်းကို ခံနိုင်ရည်ရှိသော ပိုလုံခြုံပြီး ပေါ့ပါးသောရွေးချယ်မှုအဖြစ် လုပ်ဆောင်သည်။
၎င်းသည် အခြေခံအားဖြင့် အလယ်မှခွဲထားသော cylindrical အပိုင်းဖြစ်သည်။ ၎င်းကို မတူးထားသောအပေါက်တစ်ခုမှတစ်ဆင့် ညှပ်ထားကာ ခြေထောက်နှစ်ချောင်းကို ကန့်လန့်ထိုးများ၊ ရှပ်များ သို့မဟုတ် ချိတ်ဆက်မှုများကဲ့သို့ အစိတ်အပိုင်းများကို တစ်နေရာတည်းတွင် ဆုပ်ကိုင်ထားရန်ဖြစ်သည်။ ဤပလပ်စတစ်ဗားရှင်းသည် သတ္တုဟောင်းနွမ်းသွားခြင်း၊ ချွန်ထက်သောအစွန်းများနှင့် galvanic corrosion ကဲ့သို့သော ပြဿနာများကို ဖယ်ရှားပေးပါသည်။
ချဲ့ထွင်ထားသော သံမှိုညှပ်၏ အဓိကအကျဆုံးအချက်မှာ ဘေးကင်းခြင်း၊ ပေါ့ပါးခြင်းနှင့် မတူညီသောပတ်ဝန်းကျင်တွင် ကိုင်ဆောင်ထားခြင်းတို့နှင့်ပတ်သက်သည်။
သတ္တုတံများနှင့်မတူဘဲ၊ ၎င်းတွင်ထည့်သွင်းသည့်အခါ သို့မဟုတ် ထုတ်ယူသည့်အခါတွင် ဖြတ်တောက်နိုင်သည့် ချွန်ထက်သော burrs ပြဿနာမရှိပါ။ အာကာသယာဉ်နှင့် ကားအသုံးပြုမှုများအတွက် အလွန်အရေးကြီးသည့်အရာသည် ပိုမိုပေါ့ပါးသည်။
ထို့အပြင်၊ ချဲ့ထွင်ထားသော သံမှိုကလစ်များသည် သံချေးတက်ခြင်းနှင့် သံချေးတက်ခြင်းကို သဘာဝအတိုင်း ခံနိုင်ရည်ရှိသည်။ စိုစွတ်သောနေရာများ၊ ဓာတုဗေဒပစ္စည်းများ အနီးတစ်ဝိုက်တွင် သို့မဟုတ် လျှပ်စစ်ဓာတ်အား မလုံလောက်သည့်နေရာများတွင် အသုံးပြုနိုင်ပြီး သတ္တုဆေးထိုးအပ်များ ချွတ်ယွင်းခြင်း သို့မဟုတ် ပြဿနာများဖြစ်စေသည့် နေရာများတွင် အသုံးပြုနိုင်သည်။

ကျွန်ုပ်တို့၏ချဲ့ထွင်ထားသော သံမှိုကလစ်ထိန်းသိမ်းသူ၏ ရိတ်သိမ်းခံနိုင်မှု၏ သီးခြားတန်ဖိုးသည် ပင်၏အချင်းနှင့် သီးခြားပစ္စည်းအဆင့်ပေါ်မူတည်၍ ကွဲပြားမည်ဖြစ်သည်။
စက်ပစ္စည်းများ၊ ကားအစိတ်အပိုင်းများနှင့် တပ်ဆင်လိုင်းများတွင် အဖြစ်များသည့် တုန်ခါမှုနှင့် ရွေ့လျားနေသောဝန်များစွာကို ကိုင်တွယ်ရန် ဒီဇိုင်းထုတ်ထားသည်။
ပစ္စည်းသည် သဘာဝအတိုင်း ပျော့ပျောင်းမှုနှင့် နွေဦးပေါက်နိုင်မှုအချို့ရှိပြီး ၎င်းသည် တုန်လှုပ်မှုကို စုပ်ယူရန် ကူညီပေးသည်။ ၎င်းသည် ခက်ခဲသောပတ်ဝန်းကျင်များစွာတွင် သတ္တု pins များအတွက် ယုံကြည်စိတ်ချရသော အစားထိုးမှုကို ဖြစ်စေသည်၊ ၎င်းသည် အလွယ်တကူ ဟောင်းနွမ်းမသွားဘဲ ၎င်းနှင့်ချိတ်ဆက်ထားသော အစိတ်အပိုင်းများတွင် ဝတ်ဆင်မှုလည်း လျော့နည်းစေသည်။
