Rivet Clip ကို ချဲ့ခြင်း။
        • Rivet Clip ကို ချဲ့ခြင်း။Rivet Clip ကို ချဲ့ခြင်း။
        • Rivet Clip ကို ချဲ့ခြင်း။Rivet Clip ကို ချဲ့ခြင်း။
        • Rivet Clip ကို ချဲ့ခြင်း။Rivet Clip ကို ချဲ့ခြင်း။
        • Rivet Clip ကို ချဲ့ခြင်း။Rivet Clip ကို ချဲ့ခြင်း။
        • Rivet Clip ကို ချဲ့ခြင်း။Rivet Clip ကို ချဲ့ခြင်း။

        Rivet Clip ကို ချဲ့ခြင်း။

        ချဲ့ထွင်ထားသော သံမှိုကလစ်သည် အပေါက်တစ်ခုအတွင်း ၎င်း၏ပြောင်းလွယ်ပြင်လွယ်ရှိသော ခြေတံများကို ထည့်သွင်းပြီး ခွဲထုတ်ခြင်းဖြင့်Xiaoguo® သည် ချည်နှောင်စက်မှုလုပ်ငန်းတွင် ကျွမ်းကျင်အတွေ့အကြုံ ဆယ်နှစ်ကျော်ရှိသော ထုတ်လုပ်သူတစ်ဦးဖြစ်သည်။ ကျွန်ုပ်တို့သည် အော်ဒါအရွယ်အစား မည်သည်ဖြစ်စေ အချိန်နှင့်တပြေးညီ ပို့ဆောင်ပေးနိုင်ပါသည်။
        မော်ဒယ်:QC/T 350-1999

        စုံစမ်းမေးမြန်းရန်ပေးပို့ပါ။

        ကုန်ပစ္စည်းအကြောင်းအရာ

        ယုံကြည်စိတ်ချရသော သံမှိုကလစ်များအတွက် အသုံးအများဆုံးပစ္စည်းများမှာ ဖန်သားအားဖြည့်ထားသော Nylon 6/6 နှင့် Acetal Copolymer (POM) တို့ဖြစ်သည်။ နိုင်လွန် 6/6 သည် ပိုမိုအားကောင်းပြီး အပူကို ကောင်းစွာကိုင်တွယ်နိုင်သည်။ POM သည် ၎င်း၏ ပုံသဏ္ဍာန်ကို ကောင်းမွန်စွာ ထိန်းသိမ်းထားကာ များစွာ မပွတ်မသပ်ဘဲ ဝတ်ဆင်ရန် မလိုအပ်ဘဲ ထပ်ခါတလဲလဲ အသုံးပြုနိုင်သည်။

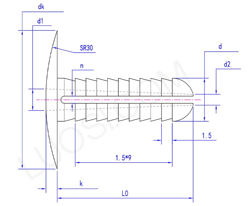
        expanding rivet clip parameter

        မွန်
        Φ၆ Φ၈
        Φ၁၀
        d အများဆုံး
        6 8 10
        ဃ မိနစ်
        5.8 7.8 9.8
        dk အမြင့်ဆုံး
        16.2 16.2 18.2
        dk မိနစ်
        15.8 15.8 17.8
        k အများဆုံး
        1.6 1.6 2.1
        k မိနစ်
        1.4 1.4 1.9
        L0
        20 20 22
        d1
        3 4 5
        d2
        1.5 2 3
        n
        1 1 1.5

        အဆိုပါ အင်ဂျင်နီယာ ပလတ်စတစ်များသည် ကွဲ pin ကိုယ်ထည်သည် စက်ပိုင်းဆိုင်ရာ ဖိစီးမှုနှင့် ခက်ခဲသော အခြေအနေများအောက်တွင် ကောင်းမွန်စွာ အလုပ်လုပ်ကြောင်း သေချာစေသည်။ စျေးသက်သာသော ပလတ်စတစ်များနှင့် မတူဘဲ၊ ၎င်းတို့သည် အလွယ်တကူ ပြိုကွဲမသွားပါ။

        ထိန်းသိမ်းခြင်း။

        သံမှို ကလစ်များကို တိုးချဲ့ထိန်းသိမ်းခြင်းသည် ရိုးရှင်းပါသည်။ သံချေးတက်ခြင်းကိုခံနိုင်ရည်ရှိသောပလပ်စတစ်ဖြင့်ပြုလုပ်ထားသောကြောင့် သံချေးမတက်ဘဲ သံချေးတက်ခြင်း သို့မဟုတ် ဆီများလိုအပ်မှုကို ဖယ်ရှားပေးပါသည်။ အသုံးမပြုမီ၊ ကွဲအက်ခြင်း၊ ပုံပျက်ခြင်း သို့မဟုတ် ကြွပ်ဆတ်ခြင်း သို့မဟုတ် နေရောင်ခြည်နှင့် ကြာရှည်ထိတွေ့ခြင်းမှ အဖြူဆင်းခြင်းကဲ့သို့သော ပျက်စီးမှုများကို စစ်ဆေးပါ။ အစားထိုးရန်လွယ်ကူသည်; အထူးကိရိယာများမလိုအပ်ပါ။ ကလစ်အဟောင်းကို ခြေထောက်ဖြင့်ဆွဲထုတ်ပြီး အသစ်တစ်ခုနှင့် အစားထိုးပါ။ အသုံးပြုရလွယ်ကူသည်။ သံမှိုညှပ်၏ အခြေအနေကို ပုံမှန်စစ်ဆေးပြီး ချက်ခြင်း အစားထိုးပါ။

        ပြင်ပတွင် ကြာရှည်အသုံးပြုမှုအတွက် သင်၏ UV ပျက်စီးမှုကို ခံနိုင်ရည်ရှိပါသလား။

        ကျွန်ုပ်တို့၏ စံပြသံမှို ကလစ်များသည် ၎င်းတို့ကို ပြုလုပ်သည့်အခါတွင် UV blockers များ ပါရှိသည်။ နေရောင်ခြည်နှင့် အကြာကြီး ထိတွေ့ပါက ခြောက်သွေ့ခြင်း ၊ ကြွပ်ဆတ်ခြင်း သို့မဟုတ် အလွယ်တကူ ကွဲအက်ခြင်း မရှိပါ။

        ထိုခရမ်းလွန်ရောင်ခြည်ကာကွယ်မှုသည် ၎င်းတို့အား ၎င်းတို့၏အလုပ်အား ဆက်လက်လုပ်ဆောင်ရန်၊ ခိုင်ခံ့နေစေရန်၊ လိုက်လျောညီထွေဖြစ်စေရန်နှင့် ကြမ်းတမ်းသောပြင်ပအရာများတွင်ပင် တင်းကျပ်စွာ ဆုပ်ကိုင်ထားသည်။ လယ်ထွန်စက်များ၊ မြေတူးစက်များ၊ ဆိုလာပြားများ၊ လယ်ယာသုံးပစ္စည်းကိရိယာများ စသည်တို့ကို တွေးတောပါ။ ပုံမှန်ပလပ်စတစ်မပါသော ပလပ်စတစ်များနှင့် နှိုင်းယှဉ်ပါက ၎င်းတို့ကို သင်စိတ်ရှုပ်စရာမလိုဘဲ ကြာရှည်ခံပါသည်။


        Hot Tags: Rivet Clip ကိုချဲ့ထွင်ခြင်း၊ တရုတ်၊ ထုတ်လုပ်သူ၊ ပေးသွင်းသူ၊ စက်ရုံ
        ဆက်စပ်အမျိုးအစား
        စုံစမ်းမေးမြန်းရန်ပေးပို့ပါ။
        ကျေးဇူးပြု၍ အောက်ပါပုံစံဖြင့် သင်၏စုံစမ်းမေးမြန်းမှုကို အခမဲ့ပေးပါ။ 24 နာရီအတွင်း သင့်အား အကြောင်းပြန်ပါမည်။
        X
        သင့်အား ပိုမိုကောင်းမွန်သောကြည့်ရှုမှုအတွေ့အကြုံကို ပေးဆောင်ရန်၊ ဆိုက်အသွားအလာကို ပိုင်းခြားစိတ်ဖြာပြီး အကြောင်းအရာကို ပုဂ္ဂိုလ်ရေးသီးသန့်ပြုလုပ်ရန် ကျွန်ုပ်တို့သည် ကွတ်ကီးများကို အသုံးပြုပါသည်။ ဤဆိုက်ကိုအသုံးပြုခြင်းဖြင့် ကျွန်ုပ်တို့၏ cookies အသုံးပြုမှုကို သင်သဘောတူပါသည်။ ကိုယ်ရေးအချက်အလက်မူဝါဒ
        ငြင်းပယ်ပါ။ လက်ခံပါတယ်။