ငါးကျည်းနော်။
        • ငါးကျည်းနော်။ငါးကျည်းနော်။
        • ငါးကျည်းနော်။ငါးကျည်းနော်။
        • ငါးကျည်းနော်။ငါးကျည်းနော်။

        ငါးကျည်းနော်။

        Xiaoguo® စက်ရုံမှ ထုတ်လုပ်သော ငါးကျည်းပရိုဖိုင်း ပရိုဖိုင်ကို တိကျစွာ စီမံဆောင်ရွက်ထားပါသည်။ ထုတ်လုပ်မှု လုပ်ငန်းစဉ်အားလုံးကို တင်းတင်းကျပ်ကျပ် စစ်ဆေးမှုများ ပြုလုပ်ခဲ့သည်။ AS 1085.4-2002 စံနှုန်းအရ၊ သင်သည် ထုတ်ကုန်၏ အရည်အသွေးအတွက် စိုးရိမ်စရာ မလိုပါ။ ကျွန်ုပ်တို့သည် သင့်အား စမ်းသပ်ရန်အတွက် အခမဲ့နမူနာများကို ပေးဆောင်ပါသည်။
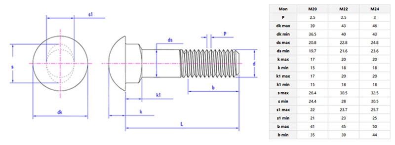
        မော်ဒယ်:ASME/ANSI B18.10-1-2006

        စုံစမ်းမေးမြန်းရန်ပေးပို့ပါ။

        ကုန်ပစ္စည်းအကြောင်းအရာ

        ဟိငါးကျည်းနော်။မီးရထားသံလမ်း၏ အပိုင်းနှစ်ပိုင်းကို ရှည်လျားသောလမ်းကြောင်းတစ်ခုအဖြစ် ခိုင်မြဲစွာ ပေါင်းစည်းနိုင်စေရန်အတွက် အဓိကအားဖြင့် ရထားလမ်းပေါ်ရှိ ငါးပြားများကို ချိတ်ဆက်ရန် အဓိကအသုံးပြုသည်။ ကျွန်ုပ်တို့သည် BS၊ ASTM၊ DIN နှင့် အခြားစံနှုန်းများကဲ့သို့သော နိုင်ငံတကာစံနှုန်းများနှင့်အညီ ထုတ်လုပ်နိုင်သည်။

        ထုတ်ကုန်အသေးစိတ်

        အဝိုင်းခေါင်း၊ စတုရန်းခေါင်းနှင့် ဆဋ္ဌဂံခေါင်းကဲ့သို့သော ဘော့လုံး၏ ခေါင်းပုံသဏ္ဍာန်များစွာရှိသည်။ ၎င်း၏ဝက်အူအပိုင်းသည် ချည်မျှင်ဖြစ်ပြီး အရွယ်အစားသတ်မှတ်ချက်များသည် အလွန်ကွဲပြားပါသည်။ အချင်းသည် ယေဘူယျအားဖြင့် M10 မှ M24 အထိရှိပြီး အလျားသည် ဆယ်မီလီမီတာမှ တစ်ရာမီလီမီတာအထိ ရှိနိုင်သည်။ Q235 နှင့် 45# သံမဏိကဲ့သို့ ကာဗွန်သံမဏိနှင့် သံမဏိတို့ ပါဝင်ကြသည်။

        ဟိငါးကျည်းနော်။မီးရထားလုပ်ငန်းတွင် အသုံးပြုသည်။ မီးရထားသံလမ်းများ ခင်းကျင်းရာတွင် သံလမ်းအပိုင်းများကို တစ်ခုပြီးတစ်ခု ချိတ်ဆက်ရန် အသုံးပြုကြသည်။ နေ့စဉ်၊ သံလမ်းများသည် သိသာထင်ရှားသော တုန်ခါမှုနှင့် ဖိအားများကို ထုတ်ပေးသည့် အမြန်နှင့် လေးလံသော ရထားများ အများအပြား ဖြတ်သန်းနေပါသည်။ bolt သည် ရထားလမ်းအဆစ်များကို ခိုင်မြဲစွာသော့ခတ်နိုင်ပြီး ရထားကို လုံခြုံချောမွေ့စွာ မောင်းနှင်နိုင်စေပါသည်။ ခရီးဝေးသယ်ယူ ပို့ဆောင်ရေး အတွက် ကုန်စည်ပို့ဆောင်ရေး ရထားလမ်း သို့မဟုတ် ခရီးသည်များ တင်ဆောင်ရန် မြန်နှုန်းမြင့် ရထားနှင့် သာမန်ရထားများ မည်သူ့ကိုမျှ မလုပ်ဆောင်နိုင်ပါ။

        Fish bolt profile

        ကုန်ပစ္စည်းရောင်းတဲ့အချက်

        ဟိငါးကျည်းနော်။ချိတ်ဆက်မှုသည် ခိုင်မာပြီး လက်တွေ့ကျသည်။ မီးရထားသံလမ်း၏ အဆစ်များကို ခိုင်မြဲစွာ ပြုပြင်နိုင်သည်။ ရထား ပြေးဆွဲနေချိန်တွင် သံလမ်းများ ရွေ့လျားခြင်း သို့မဟုတ် အလွယ်တကူ လျော့ရဲခြင်း မရှိပေ။ ထို့အပြင်၊ ၎င်းသည် အားကောင်းသည့်ဘက်စုံအသုံးပြုနိုင်ပြီး အကြီးစားရထားလမ်းများ၊ မီးရထားများနှင့် စက်မှုလုပ်ငန်းခွင်အချို့တွင် အသုံးပြုနိုင်သည်။

        ထုတ်ကုန်ဘောင်များ

        Fish bolt profile


        ကုန်ပစ္စည်းထုပ်ပိုးခြင်း။

        ငါးသေတ္တာပရိုဖိုင်၏ထုပ်ပိုးမှုကို လက်တွေ့ကျသောသိုလှောင်မှုနှင့် သယ်ယူပို့ဆောင်ရေးအတွက် တည်ဆောက်ထားသည်။ အသုတ်တစ်ခုစီကို အရွယ်အစားအလိုက် စီထားပြီး တစ်အိတ်လျှင် 50 သို့မဟုတ် 100 ကျပ်ဖြင့် ထူထဲသော ပလပ်စတစ်အိတ်ထဲသို့ ထုပ်ပိုးထားသည်။ အိတ်များကို ဖုန်မှုန့်နှင့် အစိုဓာတ် ကင်းဝေးစေရန် တင်းကျပ်စွာ အလုံပိတ်ထားပြီး သံချေး သို့မဟုတ် ချည်မျှင်များ ပျက်စီးခြင်းမှ ကင်းဝေးသည်။ ထို့နောက် ထိုအိတ်ငယ်များကို ကော်ဇောပုံးများထဲသို့ ထည့်သည်။ ပုံးတစ်ပုံချင်းစီတွင် အခြေခံအချက်အလက်- အရွယ်အစား၊ အရေအတွက်၊ ထုတ်လုပ်သည့်ရက်စွဲနှင့် အတွဲနံပါတ်များပါသည့် အညွှန်းတစ်ခုရှိသည်။ အမြောက်အများမှာယူမှုများအတွက်၊ ပုံးများကို သစ်သားအလွှာများပေါ်တွင် စုထားပြီး သယ်ယူပို့ဆောင်ရေးကာလအတွင်း ရွှေ့ပြောင်းခြင်းမှကာကွယ်ရန် စတီးကြိုးများဖြင့် တပ်ဆင်ထားသည်။ ဤထုပ်ပိုးမှုနည်းလမ်းသည် ဂိုဒေါင်သိုလှောင်ရန် သို့မဟုတ် ဆိုက်တွင်အသုံးပြုရန်ဖြစ်စေ ကိုင်တွယ်ရလွယ်ကူသည်။ ၎င်းသည် ပြည်တွင်းနှင့် နိုင်ငံတကာသို့ တင်ပို့မှုများအတွက် အမြန်စာရင်းစစ်ဆေးခြင်းနှင့် မှာယူမှုပြည့်စုံခြင်းတို့ကိုလည်း ကူညီပေးသည်။


        အမေးအဖြေကဏ္ဍ

        မေး- Fish bolt ပရိုဖိုင်တွင် မည်သည့်စံသတ်မှတ်ချက်များ ရှိပါသလဲ။

        A- ငါးကျည်းပရိုဖိုင်သည် အဓိကအားဖြင့် DIN နှင့် ISO ကဲ့သို့သော နိုင်ငံတကာ မီးရထားတွဲချိတ်စံနှုန်းများကို လိုက်နာသည်။ အသုံးများသောသတ်မှတ်ချက်များတွင် shank diameter 16mm မှ 30mm နှင့် အရှည် 80mm မှ 200mm တို့ပါဝင်သည်။ ဤကန့်သတ်ချက်များသည် သံလမ်းများနှင့် ဇလီဖားတုံးများကို ချိတ်ဆက်ရန်အတွက် အံဝင်ခွင်ကျဖြစ်စေသည်။ ကျွန်ုပ်တို့သည် အသေးစိတ် သတ်မှတ်ချက်ဇယားကို ပေးဆောင်နိုင်ပြီး သင်၏ သီးခြား မီးရထားပရောဂျက်လိုအပ်ချက်များအပေါ် အခြေခံ၍ စိတ်ကြိုက်ငါးတုံးပရိုဖိုင်ကိုလည်း ရရှိနိုင်ပါသည်။  



        Hot Tags: ငါးကျည်းပရိုဖိုင်း, တရုတ်, ထုတ်လုပ်သူ, ပေးသွင်း, စက်ရုံ
        ဆက်စပ်အမျိုးအစား
        စုံစမ်းမေးမြန်းရန်ပေးပို့ပါ။
        ကျေးဇူးပြု၍ အောက်ပါပုံစံဖြင့် သင်၏စုံစမ်းမေးမြန်းမှုကို အခမဲ့ပေးပါ။ 24 နာရီအတွင်း သင့်အား အကြောင်းပြန်ပါမည်။
        X
        သင့်အား ပိုမိုကောင်းမွန်သောကြည့်ရှုမှုအတွေ့အကြုံကို ပေးဆောင်ရန်၊ ဆိုက်အသွားအလာကို ပိုင်းခြားစိတ်ဖြာပြီး အကြောင်းအရာကို ပုဂ္ဂိုလ်ရေးသီးသန့်ပြုလုပ်ရန် ကျွန်ုပ်တို့သည် ကွတ်ကီးများကို အသုံးပြုပါသည်။ ဤဆိုက်ကိုအသုံးပြုခြင်းဖြင့် ကျွန်ုပ်တို့၏ cookies အသုံးပြုမှုကို သင်သဘောတူပါသည်။ ကိုယ်ရေးအချက်အလက်မူဝါဒ
        ငြင်းပယ်ပါ။ လက်ခံပါတယ်။