မျက်လုံးအတုရုတ်သိမ်းရန်၊ ကြိုးဆွဲခြင်းနှင့် ကျောက်ချခြင်းအတွက် အသုံးပြုသော ခိုင်ခံ့သော ချိတ်များဖြစ်သည်။ ၎င်းတို့တွင် တစ်ဖက်တွင် "မျက်လုံး" ဝိုင်းဝိုင်းတစ်ခု ရှိပြီး နောက်တစ်ဖက်တွင် ချည်ထားသော ရှပ်တစ်ခုရှိသည်။ ၎င်းတို့သည် သင့်အား ကြိုးများ၊ ကြိုးများ သို့မဟုတ် သံကြိုးများကို လုံခြုံစွာ ချိတ်ထားနိုင်စေပါသည်။ ၎င်းတို့သည် ရွေ့လျားခြင်းနှင့် လှုပ်လှုပ်ရှားရှား ဝန်များကို ကိုင်တွယ်ရန် ဖန်တီးထားသည်။ ဆောက်လုပ်ရေး၊ ရေကြောင်းအလုပ်နှင့် ထောက်ပံ့ပို့ဆောင်ရေးတို့တွင် ၎င်းတို့ကို သင်တွေ့ရပါမည်။
ပခုံးရိုးတံ၊ စက်ယန္တရားကျည်နှင့် ဝက်အူမျက်လုံးကဲ့သို့သော အမျိုးအစားများ ကွဲပြားသည်။ အမျိုးအစားတစ်ခုစီသည် မတူညီသော ဝန်အရွယ်အစားနှင့် ပတ်ဝန်းကျင်အတွက် အလုပ်လုပ်သည်။ ၎င်းတို့၏ ဒီဇိုင်းသည် ခက်ခဲပြီး ယုံကြည်စိတ်ချရသောကြောင့် အရာများကို လုံခြုံစေပြီး စက်မှုလုပ်ငန်းခွင်များတွင် ကောင်းမွန်စွာအလုပ်လုပ်နိုင်စေရန်အတွက် အရေးကြီးပါသည်။
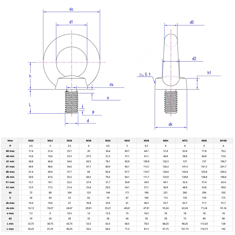
မျက်လုံးအတုM6 မှ M48 အထိ ချည်အရွယ်အစားများအထိရှိပြီး ၎င်းတို့ကို 50kg မှ 20 တန်ကျော်အထိ ဝန်အဆင့်သတ်မှတ်ထားသည်။ အကယ်၍ သင်သည် ပခုံးအမျိုးအစားများကို အသုံးပြုနေပါက၊ ၎င်းတို့၏ အမြင့်ဆုံးအလေးချိန်အဆင့်ကို ရောက်ရန် ၎င်းတို့အား လုံး၀ လှည့်ပတ်ရမည်ကို သတိရပါ။ ဝက်အူလှည့်? အဲဒါတွေက ပေါ့ပါးတဲ့အလုပ်တွေအတွက် ပိုကောင်းပါတယ်။ ၎င်းတို့တွင် DIN၊ ISO၊ သို့မဟုတ် ASTM ကဲ့သို့သော အသိအမှတ်ပြုလက်မှတ်များ ရှိမရှိ အမြဲစစ်ဆေးပါ - ၎င်းတို့သည် တရားဝင်ကြောင်း သင်သိပုံရပါသည်။
မျက်လုံးအရွယ်အစား၊ အလျားနှင့်ချည်အကွာအဝေးကဲ့သို့သော အရာများသည် သင့်အလုပ်အပေါ်တွင်မူတည်သည်၊ ထို့ကြောင့် မကိုက်ညီမှုမဖြစ်စေရန် အလေးချိန်ဇယားများကို အပြန်အလှန်စစ်ဆေးပါ။ အထူးပရောဂျက်တစ်ခုအတွက် ထူးထူးခြားခြား တစ်ခုခုလိုပါသလား။ အချို့သော ပေးသွင်းသူများသည် သင့်အတွက် အရွယ်အစား သို့မဟုတ် ကြိုးများကိုပင် ညှိပေးလိမ့်မည်။ အော်ဒါမှာတဲ့အခါ အသေးစိတ်ကို မကျော်သွားပါနဲ့။

Q: မင်းရဲ့ အမြင့်ဆုံး အလေးချိန်က ဘယ်လောက်လဲ။မျက်လုံးအတု၊ ဘယ်လိုသတ်မှတ်ထားလဲ။
A: အလေးချိန်ဘယ်လောက်အထိ ထိန်းထားနိုင်သလဲ၊ အဲဒါက ဘာနဲ့လုပ်ထားလဲ၊ ဘယ်လောက်ထူလဲ၊ နဲ့ တည်ဆောက်ပုံက အရာသုံးခုနဲ့ သက်ဆိုင်ပါတယ်။ ဥပမာအားဖြင့်၊ ကာဗွန်သံမဏိအတုများကိုယူပါ - ၎င်းတို့သည် တံဆိပ်တုံးခတ်ထားသော သို့မဟုတ် ကွေးထားသောဗားရှင်းများထက် ပိုမိုပြင်းထန်ပြီး ၀.၂၅ တန်မှ ၁၁ တန်အထိ မည်သည့်နေရာတွင်မဆို ကိုင်တွယ်နိုင်သည်။ Working Load Limit (WLL) - ၎င်းသည် ၎င်းတို့ကိုင်တွယ်နိုင်သော အမြင့်ဆုံးဘေးကင်းသောအလေးချိန်ဖြစ်သည် - ASME B30.26 သို့မဟုတ် DIN 580 ကဲ့သို့သော စည်းမျဉ်းများကို အသုံးပြု၍ တွက်ချက်ထားသည်။ ဤစည်းမျဉ်းများသည် ဘေးကင်းရေးကူရှင်တစ်ခုတွင် တည်ဆောက်ထားပြီး များသောအားဖြင့် 4:1 သို့မဟုတ် 5:1 အချိုးဖြစ်သောကြောင့် ၎င်းတို့သည် နံပါတ်အကြံပြုထားသည်ထက် ပိုမိုအားကောင်းပါသည်။ အခြေခံအားဖြင့်၊ ၎င်းသည် 1 တန်အတွက် အဆင့်သတ်မှတ်ထားလျှင် ၎င်းသည် 4 သို့မဟုတ် 5 တန်ကို ကိုင်တွယ်ရန် အမှန်တကယ် တည်ဆောက်ထားသည်။