အိမ် > ထုတ်ကုန်များ > မင်းတုံး > Square Head Bolt > မြင့်မားသောတိကျမှု Metric Square Head Bolts
        မြင့်မားသောတိကျမှု Metric Square Head Bolts
        • မြင့်မားသောတိကျမှု Metric Square Head Boltsမြင့်မားသောတိကျမှု Metric Square Head Bolts
        • မြင့်မားသောတိကျမှု Metric Square Head Boltsမြင့်မားသောတိကျမှု Metric Square Head Bolts
        • မြင့်မားသောတိကျမှု Metric Square Head Boltsမြင့်မားသောတိကျမှု Metric Square Head Bolts
        • မြင့်မားသောတိကျမှု Metric Square Head Boltsမြင့်မားသောတိကျမှု Metric Square Head Bolts
        • မြင့်မားသောတိကျမှု Metric Square Head Boltsမြင့်မားသောတိကျမှု Metric Square Head Bolts

        မြင့်မားသောတိကျမှု Metric Square Head Bolts

        High Precision Metric Square Head Bolts များကို manual tool engagement အတွက် သီးသန့် ဒီဇိုင်းထုတ်ထားပြီး ၎င်းတို့၏ ထင်ရှားသော စတုရန်းခေါင်း ဂျီဩမေတြီဖြင့် အလွယ်တကူ ခွဲခြားသိရှိနိုင်မည်ဖြစ်သည်။ ချည်နှောင်ခြင်းများကို သီးသန့်ရောင်းချသူတစ်ဦးအနေဖြင့် Xiaoguo® သည် အရည်အသွေးမြင့်သော ဘောလ်များအမြောက်အများမှာယူမှုအတွက် အပြိုင်အဆိုင်စျေးနှုန်းများ ပေးဆောင်လျက်ရှိပြီး အခြားသော ချည်ကြိုးအမျိုးအစားများနှင့်အတူ။
        မော်ဒယ်:GB/T 8-2021

        စုံစမ်းမေးမြန်းရန်ပေးပို့ပါ။

        ကုန်ပစ္စည်းအကြောင်းအရာ

        အထူးသဖြင့် အရေးကြီးသောနေရာများ သို့မဟုတ် ၎င်းတို့ဖွင့်ထားသည့်နေရာများတွင် ရေရှည်ထိန်းထားလိုပါက High Precision Metric Square Head Bolts ကို ပုံမှန်စစ်ဆေးရန် အရေးကြီးပါသည်။ သံချေးတက်ခြင်း၊ ပျက်စီးနေသောချည်မျှင်များ၊ ဆန့်ထွက်ခြင်း သို့မဟုတ် ဦးခေါင်းကွေးနေပါက ရှာဖွေပါ။

        ၎င်းတို့ကို ထည့်သောအခါတွင် ချောဆီအနည်းငယ်ထည့်ခြင်းသည် တင်းကျပ်မှုကို မှန်ကန်စေပြီး နောက်ပိုင်းတွင် သံချေးမတက်စေရန် ကူညီပေးသည်။ ကာဗွန်သံမဏိ ဘောလီများအတွက်- မျက်နှာပြင်အပေါ်ယံလွှာတွင် ထိခိုက်ပျက်စီးမှုကို တွေ့ရှိပါက၊ အပေါ်ယံ၏ သမာဓိကို အတတ်နိုင်ဆုံး ပြန်လည်ထိန်းသိမ်းရန်နှင့် အခြေခံပစ္စည်းနှင့် သံချေးများနှင့် ထိတွေ့ခြင်းမှ ရှောင်ကြဉ်ရန် ပြုပြင်မှုအစီအမံများကို ဦးစားပေးလုပ်ဆောင်သင့်သည်။ ဘော့လုံးသည် အမှန်တကယ် သံချေးတက်ခြင်း၊ ပျက်စီးနေပါက သို့မဟုတ် အလွန်အမင်း ဆန့်ပါက၊ ၎င်းကို ချက်ချင်း အစားထိုးပါ။

        သံချေးတက်လွယ်သောနေရာများအတွက်၊ သံချေးတက်ရန်မလွယ်ကူသော Stainless Steel ကိုအသုံးပြုပါက၊ ပြုပြင်ထိန်းသိမ်းမှုအခက်အခဲကို ကြုံတွေ့နေစရာမလိုပါ။

        ထုတ်ကုန်အကျိုးကျေးဇူးများ

        High Precision Metric Square Head Bolts များသည် ၎င်းတို့၏ သီးခြားအင်္ဂါရပ်များ အရေးကြီးသည့် နေရာများတွင် အသုံးဝင်သည်- လက်ကဆွဲများ ပိုမိုကောင်းမွန်စွာ ဆုပ်ကိုင်နိုင်ခြင်း၊ နိမ့်ထိုင်ခြင်း၊ ဒီဇိုင်းဟောင်းများနှင့် လိုက်ဖက်သော သို့မဟုတ် ကျဉ်းကျပ်သော နေရာများတွင် အလုပ်လုပ်ပါသည်။ Hex bolts များသည် ခေတ်မီ setup များတွင် ပို၍ အသုံးများသည်။ သို့သော် မက်ထရစ်စတုရန်းခေါင်းတုံးများသည် ၎င်းတို့ကို များစွာတင်းကျပ်ရန် လိုအပ်သောအခါတွင် ကောင်းစွာထိန်းထားနိုင်ကာ ၎င်းတို့သည် ဒီဇိုင်းဟောင်းများဖြင့် လုပ်ဆောင်နိုင်ပြီး ၎င်းတို့သည် သစ်သားတည်ဆောက်မှုအတွက် ကောင်းမွန်သောကြောင့်ဖြစ်သည်။ ၎င်းတို့သည် မက်ထရစ်အချိတ်အဆက်များကြားတွင် အရေးကြီးသော အထူးပြုရွေးချယ်မှုတစ်ခုအဖြစ် ရှိနေပါသေးသည်။

        အမြဲမေးလေ့ရှိသောမေးခွန်းများ

        မေး- အထူးသဖြင့် အဆင့် 8.8 နှင့်အထက်များအတွက် High Precision Metric Square Head Bolts များအတွက် ပစ္စည်းထောက်ခံချက် (ဥပမာ၊ Mill Test Certificate) ကို ပေးနိုင်ပါသလား။

        A: ဟုတ်ပါတယ်။ ကျွန်ုပ်တို့သည် Mill Test Certificates (MTCs) သို့မဟုတ် Conformance of Certificate (CoC) ကဲ့သို့သော High Precision Metric Square Head Bolts အတွက် စာရွက်စာတမ်းအပြည့်အစုံကို ပံ့ပိုးပေးပါသည်။ အထူးသဖြင့် 8.8၊ 10.9၊ နှင့် stainless steel ကဲ့သို့သော အဆင့်မြင့်အဆင့်များအတွက် ဤအချက်သည် အထူးမှန်ကန်ပါသည်။ ဤခြေရာခံနိုင်သော စာရွက်များသည် ကျွန်ုပ်တို့ပေးဆောင်သော မက်ထရစ်စတုရန်းခေါင်းတုံးများ၏ ဓာတုဗေဒမိတ်ကပ်နှင့် စက်ပိုင်းဆိုင်ရာ ဂုဏ်သတ္တိများကို ပြသထားသည်။

        ထုတ်ကုန် ကန့်သတ်ချက်များ

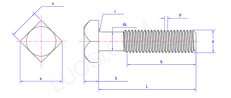
        မွန် M14 M16 M18 M20 M22 M24 M27 M30 M36 M42 M48
        P 2 2 2.5 2.5 2.5 3 3 3.5 4 4.5 5
        ds မိနစ် 12.70 14.70 16.38 18.38 20.38 22.05 25.05 27.73 33.40 39.08 44.75
        ds အမြင့်ဆုံး 14 16 18 20 22 24 27 30 36 42 48
        e min 26.21 30.11 34.01 37.91 42.9 45.5 52 58.5 69.94 82.03 95.03
        k မိနစ် 8.55 9.25 11.1 12.1 13.1 14.1 16.1 17.95 21.95 24.95 28.95
        k အများဆုံး 9.45 10.75 12.9 13.9 14.9 15.9 17.9 20.05 24.05 27.05 31.05
        r မိနစ် 0.6 0.6 0.8 0.8 0.8 0.8 1 1 1 1.2 1.6
        s အများဆုံး 21 24 27 30 34 36 41 46 55 65 75
        s မိနစ် 20.16 23.16 26.16 29.16 33 35 40 45 53.8 63.1 73.1
        Hot Tags: High Precision Metric Square Head Bolts, China, Manufacturer, Supplier, Factory
        ဆက်စပ်အမျိုးအစား
        စုံစမ်းမေးမြန်းရန်ပေးပို့ပါ။
        ကျေးဇူးပြု၍ အောက်ပါပုံစံဖြင့် သင်၏စုံစမ်းမေးမြန်းမှုကို အခမဲ့ပေးပါ။ 24 နာရီအတွင်း သင့်အား အကြောင်းပြန်ပါမည်။
        X
        သင့်အား ပိုမိုကောင်းမွန်သောကြည့်ရှုမှုအတွေ့အကြုံကို ပေးဆောင်ရန်၊ ဆိုက်အသွားအလာကို ပိုင်းခြားစိတ်ဖြာပြီး အကြောင်းအရာကို ပုဂ္ဂိုလ်ရေးသီးသန့်ပြုလုပ်ရန် ကျွန်ုပ်တို့သည် ကွတ်ကီးများကို အသုံးပြုပါသည်။ ဤဆိုက်ကိုအသုံးပြုခြင်းဖြင့် ကျွန်ုပ်တို့၏ cookies အသုံးပြုမှုကို သင်သဘောတူပါသည်။ ကိုယ်ရေးအချက်အလက်မူဝါဒ
        ငြင်းပယ်ပါ။ လက်ခံပါတယ်။