Eye Bolt ရုတ်သိမ်းခြင်း။
        • Eye Bolt ရုတ်သိမ်းခြင်း။Eye Bolt ရုတ်သိမ်းခြင်း။
        • Eye Bolt ရုတ်သိမ်းခြင်း။Eye Bolt ရုတ်သိမ်းခြင်း။
        • Eye Bolt ရုတ်သိမ်းခြင်း။Eye Bolt ရုတ်သိမ်းခြင်း။

        Eye Bolt ရုတ်သိမ်းခြင်း။

        XIAOGUO® ၏ ကျယ်ပြန့်သော ကတ်တလောက်တွင် ဘောလီများ၊ အခွံမာသီးများ၊ ဝက်အူများနှင့် အ၀တ်လျှော်စက်များ ပါဝင်ပါသည်။ အကြမ်းခံမှုများအတွက် ဒီဇိုင်းထုတ်ထားသော လက်ဆေးသည့်ကိရိယာများ ပါဝင်ပါသည်။ ပခုံး၊ ပခုံးမဟုတ်သော နှင့် ဆုံလည်မျိုးကွဲများအပါအဝင် အမျိုးအစားအမျိုးမျိုးဖြင့် ရနိုင်ပါသည်။
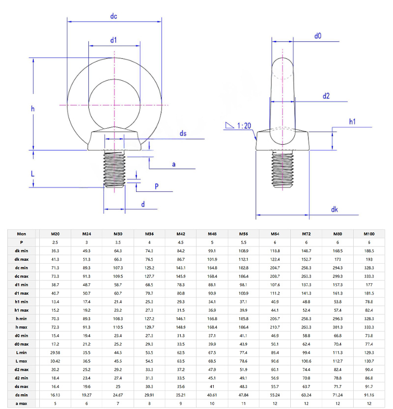
        မော်ဒယ်:GB/T 885-1986

        စုံစမ်းမေးမြန်းရန်ပေးပို့ပါ။

        ကုန်ပစ္စည်းအကြောင်းအရာ

        မျက်ခွံကို ရုတ်သိမ်းခြင်း။စက်များ ရုတ်သိမ်းခြင်း၊ ကုန်တင်ကုန်ချ ချည်နှောင်ခြင်းနှင့် အဆောက်အဦများ ထားရှိခြင်းအတွက် အမှန်တကယ် အရေးကြီးပါသည်။ ဆောက်လုပ်ရေးတွင်၊ ၎င်းတို့ကို HVAC စနစ်များ သို့မဟုတ် သံမဏိတန်းများ ချိတ်ဆွဲရန် အသုံးပြုကြသည်။ ရေကြောင်းလုပ်ငန်းတွင်၊ ၎င်းသည် ရွက်လှေတူးရန် သို့မဟုတ် လှေများအတွက် သင်္ဘောများအတွက် ဆိုက်ကပ်သည့် ကိရိယာများကို လုံခြုံအောင် ကူညီပေးသည်။ ပြဇာတ်ရုံအဆင့်များတွင် ၎င်းတို့သည် မီးချောင်းတပ်ဆင်ခြင်းများကို ချိတ်ဆွဲလေ့ရှိကြပြီး ကားပြင်ဆိုင်များတွင် ပြုပြင်နေစဉ်အတွင်း အင်ဂျင်များကို တပ်ဆင်ထားကြသည်။


        ၎င်းတို့သည် စက်မှုလုပ်ငန်းသုံးပစ္စည်းများအတွက်သာ မဟုတ်ဘဲ၊ ၎င်းတို့ကို အိမ်တွင်ပင် လွှဲချိတ်ဆွဲရန် သို့မဟုတ် အလားတူအရာတစ်ခုခုကို အသုံးပြုနိုင်သည်။ သူတို့သည် သေးငယ်သော အလုပ်အကိုင်မှသည် ဆောက်လုပ်ရေး ပရောဂျက်ကြီးများအထိ အရာအားလုံးကို လုပ်ကိုင်ကြသည်။ သင်အသုံးပြုသော မျက်လုံး bolts များသည် သင်လိုအပ်သော အလေးချိန်ကို ထိန်းကြောင်းသေချာပါစေ။ သင်ဘာအတွက်အသုံးပြုနေပါစေ ဝန်ထုပ်ဝန်ပိုးကိုစစ်ဆေးခြင်းသည် အရာများကို ဘေးကင်းပြီး မှန်ကန်စွာအလုပ်လုပ်နေစေရန်အတွက် သော့ချက်ဖြစ်ပါသည်။

        Lifting Eye Bolt

        ထုတ်ကုန်အသေးစိတ်

        တပ်ဆင်ခြင်း။မျက်လုံး bolt ကို ရုတ်သိမ်းပါ။သူတို့အလုပ်လုပ်ပုံအတွက် မှန်ဖို့က တကယ်အရေးကြီးတယ်။ ပခုံးအမျိုးအစားများကို သင်အရင်တူးပြီးသော အပေါက်များတွင် အပြည့်ထည့်ထားရန် လိုအပ်ပါသည်။ ဝန်သည် မဖြောင့်ပါက (ထောင့်တစ်ခုကဲ့သို့)၊ ၎င်းအစား swivel-eye ဗားရှင်းများကို အသုံးပြုပါ။ ၎င်းတို့၏ သတ်မှတ်ထားသော ကန့်သတ်ချက်ထက် အလေးချိန် ပိုမထည့်ပါနှင့်၊ ကြိုးများ ပျက်စီးပါက ၎င်းတို့ကို အသုံးမပြုပါနှင့်။ ၎င်းတို့ကို ဘေးတိုက်ဖိစီးမှု မပြုလုပ်မိစေရန် ဝန်ကို ဗဟိုပြုကြောင်း သေချာပါစေ။ အင်အားဖြန့်ကျက်ရန် အဝတ်လျှော်စက် သို့မဟုတ် ကော်လာများကို အသုံးပြုပါ။ ခေါင်းပေါ်ကို လွှင့်တင်ရန်အတွက်၊ ၎င်းတို့နှင့်အတူ အသိအမှတ်ပြုထားသော အကြံအဖန်ဂီယာကို အသုံးပြုပါ။

        ထုတ်ကုန်ဘောင်များ

        Lifting Eye Bolts

        အမြဲမေးလေ့ရှိသောမေးခွန်းများ

        မေး- အတုအပကို ဘယ်လိုရွေးမလဲ။မျက်လုံး bolt ကို ရုတ်သိမ်းပါ။နှင့် ဂဟေဆော်သော မျက်လုံးတံ

        A: အတုလုပ်သူများသည် ပိုမိုခိုင်ခံ့ပြီး လေးလံသော အရာဝတ္တုများ ရုတ်သိမ်းခြင်းလုပ်ငန်းအတွက် ပိုမိုသင့်လျော်ပါသည်။ အဘယ်ကြောင့်ဆိုသော် ထုလုပ်ခြင်းလုပ်ငန်းစဉ်သည် သတ္တုအမျှင်များကို သပ်သပ်ရပ်ရပ် စီနိုင်သောကြောင့် ၎င်းတို့ကို ပိုမိုခိုင်ခံ့ပြီး တာရှည်ခံစေသည်။ အတုအမျိုးအစား၏စျေးနှုန်းသည် welded အမျိုးအစားနှင့်နှိုင်းယှဉ်ပါကပိုမိုမြင့်မားသည်။ ဂဟေအမျိုးအစား (လက်စွပ် သို့မဟုတ် ဂက်စ်အမျိုးအစား ကဲ့သို့သော) သည် စျေးနှုန်းသက်သာပြီး အရေးပါသော တည်ငြိမ်သောဝန်များအတွက် သင့်လျော်သည်။ သို့သော်လည်း ၎င်း၏ ဂဟေဆက်ချုပ်ရိုးသည် အားနည်းသောအချက်ဖြစ်လာနိုင်သောကြောင့် ၎င်းသည် လေးလံသောဝန်များကို မခံနိုင်သည့်အပြင် သယ်ဆောင်နိုင်မှုအားနည်းသည်။ လေးလံသော အရာများကို ရုတ်သိမ်းရန် လိုအပ်သည့် အခြေအနေများအတွက် ယုံကြည်စိတ်ချရသော လက်မှတ် (ISO 9001 ကဲ့သို့) အတုလုပ်ထားသော လက်စွပ်များကို ရွေးချယ်ရပါမည်။ ပုံမှန်အခြေအနေများတွင် ရုတ်တရက် သို့မဟုတ် ရွေ့လျားနေသော တွန်းအားများမပါဘဲ ပြုပြင်ခြင်း သို့မဟုတ် ကျောက်ချခြင်းအတွက် welded bolts များကို အသုံးပြုနိုင်သည်။ ကိုယ်အလေးချိန်လိုအပ်ချက်များနှင့် ပတ်သက်၍ မသေချာပါက၊ ကျွန်ုပ်တို့၏အဖွဲ့ကို တိုင်ပင်ကြည့်ပါ- သင်ရွေးချယ်မှုမမှားစေရန် သေချာစေရန် ကျွန်ုပ်တို့ကူညီပေးပါမည်။


        Hot Tags: Lifting Eye Bolt, တရုတ်, ထုတ်လုပ်သူ, ပေးသွင်း, စက်ရုံ
        ဆက်စပ်အမျိုးအစား
        စုံစမ်းမေးမြန်းရန်ပေးပို့ပါ။
        ကျေးဇူးပြု၍ အောက်ပါပုံစံဖြင့် သင်၏စုံစမ်းမေးမြန်းမှုကို အခမဲ့ပေးပါ။ 24 နာရီအတွင်း သင့်အား အကြောင်းပြန်ပါမည်။
        X
        သင့်အား ပိုမိုကောင်းမွန်သောကြည့်ရှုမှုအတွေ့အကြုံကို ပေးဆောင်ရန်၊ ဆိုက်အသွားအလာကို ပိုင်းခြားစိတ်ဖြာပြီး အကြောင်းအရာကို ပုဂ္ဂိုလ်ရေးသီးသန့်ပြုလုပ်ရန် ကျွန်ုပ်တို့သည် ကွတ်ကီးများကို အသုံးပြုပါသည်။ ဤဆိုက်ကိုအသုံးပြုခြင်းဖြင့် ကျွန်ုပ်တို့၏ cookies အသုံးပြုမှုကို သင်သဘောတူပါသည်။ ကိုယ်ရေးအချက်အလက်မူဝါဒ
        ငြင်းပယ်ပါ။ လက်ခံပါတယ်။