တစ် ဦး က screw နှစ်ခု texbolt တစ် ဦး ချည်လှံတံနှင့်လက်စွပ်ခေါင်းကိုရှိပါတယ်။ အဆိုပါချည်အခွံမာသီးသို့မဟုတ်ချည်များနှင့်အတူတင်းကျပ်စွာ fit ရန်တိကျစွာဖြတ်တောက်နေကြသည်။ လေးလံသောဆွဲခြင်းကိုကိုင်တွယ်ရန်လက်စွပ်ခေါင်းကိုတည်ဆောက်ရန်တည်ဆောက်ထားပြီး 0 န်ဆောင်မှုကိုရုပ်သိမ်းခြင်းအတွက်ယုံကြည်စိတ်ချရစေသည်။
ကုန်ပစ္စည်းအသေးစိတ်အချက်အလက်များနှင့် parameters တွေကို
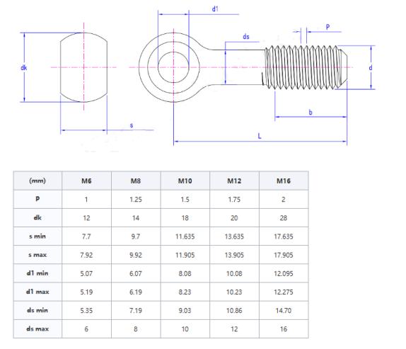
တိုင်း screw နှစ်ခု sypebolt three three three (3) ခုမှတစ်ဆင့်ပြုလုပ်သည် - အပူရှိသောသတ္တုပုံဖော် (အတု), ဤအဆင့်များသည်၎င်းတို့အားတိုင်းတာမှုများ, ခွန်အားလိုအပ်ချက်များနှင့်မျက်နှာပြင်အရည်အသွေးအတွက် QC 190 - 2012 စည်းမျဉ်းများနှင့်ကိုက်ညီမှုရှိကြောင်းသေချာစေသည်။ ဖန်စီအပိုဒ်မရှိပါ - ခက်ခဲသောလိုအပ်ချက်များကိုဆန့်ကျင်သောရိုးရှင်းသောလုပ်ငန်းစဉ်များကိုသာစစ်ဆေးသည်။ စံနှုန်းကသူတို့ဘယ်လောက်ကြီးကျယ်ခမ်းနားစေနိုင်သလဲ, သူတို့ဟာဘယ်လောက်ကြီးမားပြီးချိုးဖောက်စရာမလိုဘဲကိုယ်အလေးချိန်လဲဆိုတာနဲ့သံချေး, အခြေခံအားဖြင့်, မျက်စိကစက်ရုံမှထွက်ခွာသွားပါက screw နှစ်ခု screw နှစ်ခု screw နှစ်ခု screw နှစ်ခု screw နှစ်ခု။

Encrows EyeBolts များကိုပရိသတ်များအတွင်းအင်ဂျင်နှင့်ဂီယာအုံသီးများကိုမြှင့်တင်ရန်ကားစက်ရုံများတွင်အသုံးပြုသည်။ ဆောက်လုပ်ရေးဆိုဒ်များတွင်၎င်းတို့သည်သံမဏိရောင်ခြည်များသို့မဟုတ်ကွန်ကရစ်ပြားများကဲ့သို့သောလေးလံသောပစ္စည်းများကိုချန်ထားခဲ့သည်။ ရိုးရှင်းသောဒီဇိုင်း, နေ့စဉ်လေးလံသောရုပ်သိမ်းရေးအတွက်လုံလောက်စွာခက်ခဲသည်။
စျေးကွက်ဖြန့်ဖြူး
| စေျးကြီး | ဝင်ငွေ (ပြီးခဲ့သည့်နှစ်) | စုစုပေါင်းဝင်ငွေ (%) |
| မြောက်အမေရိက | လှျို့ဝှက်သော | 23 |
| တောင်အမရေိက | လှျို့ဝှက်သော | 6 |
| အရှေ့ဥရောပ | လှျို့ဝှက်သော | 15 |
| အရှေ့တောင်အာရှ | လှျို့ဝှက်သော | 3 |
| Oceania | လှျို့ဝှက်သော | 3 |
| အရှေ့တိုင်းအလယ်ပိုင်း | လှျို့ဝှက်သော | 2 |
| အရှေ့အာရှအာရှ | လှျို့ဝှက်သော | 18 |
| အနောက်ဥရောပ | လှျို့ဝှက်သော | 12 |
| အမရေိကအလယ်ပိုင်း | လှျို့ဝှက်သော | 5 |
| တောင်အာရှ | လှျို့ဝှက်သော | 6 |
ပြည်တွင်းစျေးကွက် | လှျို့ဝှက်သော | 7 |
ထုတ်ကုန်ကိုအသုံးပြုခြင်း
screw နှစ်ခု symbolt ၏အဓိကရည်ရွယ်ချက်မှာလုံခြုံစိတ်ချရသောရုပ်သိမ်းခြင်းနှင့်လေးလံသောအရာဝတ်ထုများ၏တည်ငြိမ်သောဆက်သွယ်မှုကိုရရှိရန်ဖြစ်သည်။ စက်မှုလုပ်ငန်းထုတ်လုပ်မှုတွင်ကြီးမားသောစက်မှုအစိတ်အပိုင်းများကိုတပ်ဆင်ခြင်းသို့မဟုတ်ထိန်းသိမ်းခြင်းအတွက်သတ်မှတ်ထားသောနေရာများသို့အဆင့်မြှင့်တင်ရန်အသုံးပြုသည်။ ဆောက်လုပ်ရေးလုပ်ငန်းများအပေါ်ဆောက်လုပ်ရေးပစ္စည်းများသည်ဆောက်လုပ်ရေးပစ္စည်းများကိုဆောက်လုပ်ရေးကြမ်းပြင်သို့တိကျစွာရုတ်သိမ်းပေးရန်အသုံးပြုသည်။ နေ့စဉ်ဘ 0 တွင်လေးလံသောအရာဝတ်ထုများကိုပရိဘောဂနှင့်ပစ္စည်းကိရိယာများကဲ့သို့သောအရာဝတ်ထုများကိုမြှင့်တင်ရန်လည်းအသုံးပြုနိုင်သည်။ CRANES ကဲ့သို့သောပစ္စည်းကိရိယာများကိုရုပ်သိမ်းခြင်းနှင့်ပူးပေါင်းခြင်းဖြင့်ဖုံးကွယ်ထားသော Eyebolt သည်လေးလံသောအရာဝတ်ထုများရွှေ့ပြောင်းခံရခြင်းကိုအောင်မြင်ရန်အဓိက connector ဖြစ်လာသည်။