Shakeproof Slotted Locking Round Nut
        • Shakeproof Slotted Locking Round NutShakeproof Slotted Locking Round Nut
        • Shakeproof Slotted Locking Round NutShakeproof Slotted Locking Round Nut
        • Shakeproof Slotted Locking Round NutShakeproof Slotted Locking Round Nut
        • Shakeproof Slotted Locking Round NutShakeproof Slotted Locking Round Nut
        • Shakeproof Slotted Locking Round NutShakeproof Slotted Locking Round Nut

        Shakeproof Slotted Locking Round Nut

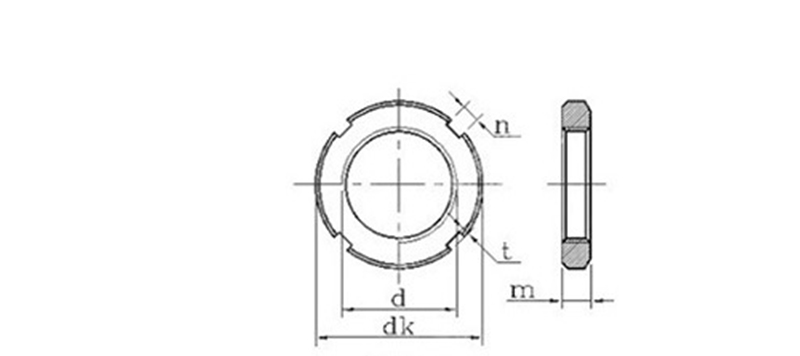
        Shakeproof Slotted Locking Round Nut သည် castellated nut ဟုခေါ်သော ထူးခြားသောဒီဇိုင်းတစ်ခုရှိသည်။ ၎င်းသည် ချိန်ညှိထားသောအစိတ်အပိုင်းများမှတဆင့် cotter pin ကိုထည့်သွင်းခြင်းဖြင့်အပြုသဘောဆောင်သောစက်လော့ခ်ချခြင်းကိုခွင့်ပြုသည်။ ပရော်ဖက်ရှင်နယ်ထုတ်လုပ်သူ Xiaoguo® သည် နိုင်ငံတကာအရည်အသွေးစံနှုန်းများနှင့် အသိအမှတ်ပြုထားသော ထုတ်လုပ်မှုလုပ်ငန်းစဉ်များရှိပြီး ထုတ်ကုန်ယုံကြည်စိတ်ချရမှုနှင့် စွမ်းဆောင်ရည်ကို အာမခံပါသည်။

        စုံစမ်းမေးမြန်းရန်ပေးပို့ပါ။

        ကုန်ပစ္စည်းအကြောင်းအရာ

        ပြန်လည်ပြည့်ဖြိုးမြဲစွမ်းအင်နယ်ပယ်တွင် - အထူးသဖြင့် လေအားတာဘိုင်ဂီယာအုံများနှင့် နေရောင်ခြည်ခြေရာခံစနစ်များအတွက် - တုန်ခါမှုကိုခုခံရန် Shakeproof Slotted Locking Round Nut ၏စွမ်းရည်သည် အလွန်အရေးကြီးပါသည်။ ၎င်းတို့၏ ဒီဇိုင်းသည် ပုံမှန်အားဖြင့် ဝန်ကို အညီအမျှ ဖြန့်ဝေပေးနိုင်သော လုံးဝန်းသော အခြေကို ပါရှိသည်။

        ကျွန်ုပ်တို့သည် အစိမ်းရောင်နည်းပညာများကို ပံ့ပိုးရန်အတွက် ပြိုင်ဆိုင်သောစျေးနှုန်းများကို ပေးဆောင်ပါသည်။ ယူနစ် 30,000 နှင့်အထက် မှာယူမှုများသည် ထုထည်လျှော့စျေးများ ရရှိသည် ။ ဤအခွံမာသီးများကို သံချေးတက်ခြင်း နှင့် တာရှည်ခံနိုင်စေရန် စံ hot-dip galvanizing finish ဖြင့် ပုံမှန် ဆက်ဆံပါသည်။ ဝေးလံခေါင်သီသော ပရောဂျက်ဆိုက်များသို့ အချိန်မီ ပို့ဆောင်ကြောင်း သေချာစေရန်အတွက် ထောက်ပံ့ပို့ဆောင်ရေးကို ကျွန်ုပ်တို့ ကိုင်တွယ်ပါသည်။

        ကျွန်ုပ်တို့၏အရည်အသွေးစစ်ဆေးမှုများတွင် ဆားဖြန်းမှုစမ်းသပ်မှုများပါဝင်ပြီး အခွံမာသီးတစ်ခုစီတွင် ပစ္စည်းထောက်ခံချက်ပါရှိပါသည်။

        ထုတ်ကုန်အကျိုးကျေးဇူးများ

        Shakeproof Slotted Locking Round Nut သည် ပုံမှန်အားဖြင့် နိုင်လွန်လက်စွပ် သို့မဟုတ် ပုံပျက်လွယ်သော ချည်မျှင်များပါ၀င်သော အချင်းအပေါက်များနှင့် အတွင်းပိုင်းသော့ခတ်သည့်ယန္တရားတို့ပါရှိသော အထူးဒီဇိုင်းဆွဲထားသော တွယ်ကပ်တစ်ခုဖြစ်သည်။ ၎င်း၏ စက်ဝိုင်းပုံသဏ္ဍာန်နှင့် အနိမ့်ပိုင်းပုံသဏ္ဍာန်သည် ကျဉ်းကျပ်သောနေရာများတွင် စက်မှုနယ်ပယ်အမျိုးမျိုး (မော်တော်ကား၊ အာကာသယာဉ်နှင့် စက်ယန္တရားများကဲ့သို့) တွင် တပ်ဆင်ရလွယ်ကူကြောင်း သေချာစေသည်။ အခွံမာသီးသည် ပြင်းထန်သောတုန်ခါမှုပတ်ဝန်းကျင်တွင်ပင် ချိတ်ဆက်မှု၏ရေရှည်တည်ငြိမ်မှုနှင့် ယုံကြည်စိတ်ချရမှုကို သေချာစေနိုင်သည်။ သံချေးတက်ခြင်းပြဿနာများကို ထိထိရောက်ရောက်ခုခံရန် ယေဘူယျအားဖြင့် ၎င်းကို သွပ်ရည်စိမ်ခြင်းလုပ်ငန်းစဉ်ဖြင့် ကုသသည်။ ဤအခြေခံအရ၊ ကုန်ကျစရိတ်သက်သာမှုနှင့် ရေရှည်ယုံကြည်စိတ်ချရမှုကိုလည်း ထည့်သွင်းစဉ်းစားနိုင်သည်။ ကြီးမားသော မှာယူမှုများသည် လျှော့စျေးများကို နှစ်သက်ကြသည်။ သင်ရရှိသည့်ထုတ်ကုန်သည် နဂိုအတိုင်းဖြစ်ပြီး ယုံကြည်စိတ်ချရမှုသေချာစေရန်၊ ကျွန်ုပ်တို့သည် သယ်ယူပို့ဆောင်ရေးဆိုင်ရာစိန်ခေါ်မှုများကိုဖြေရှင်းရန် တာရှည်ခံ၊ အစိုဓာတ်ခံထုပ်ပိုးမှုကိုအသုံးပြုကာ ဖြစ်နိုင်ချေရှိသောပြဿနာများကိုဖော်ထုတ်ရန် torque နှင့် တုန်ခါမှုစမ်းသပ်မှုများပြုလုပ်ကာ ထုတ်ကုန်စွမ်းဆောင်ရည်နှင့် ဘေးကင်းလုံခြုံမှုရှိစေရန်အတွက် လုပ်ငန်းစဉ်တစ်ခုလုံးကိုထိန်းချုပ်ရန်အတွက် ISO 9001 လက်မှတ်စံနှုန်းများကို အသုံးပြုပါသည်။

        အမြဲမေးလေ့ရှိသောမေးခွန်းများ

        မေး- အပေါက်ပိတ်သော့ခတ်သည့်ယန္တရားသည် လက်တွေ့အသုံးချမှုတွင် မည်သို့အလုပ်လုပ်သနည်း။

        A: Shakeproof Slotted Locking Round Nut သည် ၎င်း၏ slot များကို bolt သို့မဟုတ် shaft တွင် ကြိုတင်တူးထားသော အပေါက်တစ်ခုနှင့် ချိန်ညှိပြီးနောက် အစိတ်အပိုင်းနှစ်ခုလုံးတွင် cotter pin သို့မဟုတ် safety wire ကိုထည့်သွင်းခြင်းဖြင့် လုပ်ဆောင်ပါသည်။ ဤစက်လော့ခ်သော့ခတ်နည်းသည် ပြင်းထန်သောတုန်ခါမှုအောက်တွင်ပင်၊ Shakeproof Slotted သော့ခတ်ဝိုင်းထားသော nut ကို လျော့ရဲစွာလှည့်ခြင်းမှ ကာကွယ်ပေးသည်။ Shakeproof Slotted သော့ခတ်ဝိုင်းထားသော nut ကို မှန်ကန်စွာ တပ်ဆင်ခြင်းသည် လော့ခ် pin ကို တမင်တကာ ဖယ်ရှားလိုက်သည်အထိ အမြဲတမ်း လုံခြုံရေးကို သေချာစေသည်။


        Shakeproof Slotted Locking Round Nut

        d*P
        dk m n t 1000

        ကီလိုဂရမ်

        d*P
        dk m n t 1000

        ≈ကီလိုဂရမ်
        nax ကိုး အများဆုံး မိ အများဆုံး မိ nax မိ
        M10*1 22 8 4.3 4 2.6 2 16.82 M64*2 95 12 8.36 8 4.25 3.5 351.9
        M12*1.25 25 21.58 M65*2 95 342.4
        M14*1.5 28 26.82 M68*2 100 10.36 10 4.75 4 380.2
        M16*1.5 30 5.3 5 3.1 2.5 28.44 M72*2 105 15 518
        M18*1.5 32 31.19 M75*2 105 477.5
        M20*1.5 35 37.31 M76*2 110 562.4
        M22*1.5 38 10 54.91 M80*2 115 608.4
        M24*1.5 42 68.88 M85*2 120 640.6
        M25*1.5 42 68.88 M90*2 125 18 12.43 12 5.75 5 796.1
        M27*1.5 45 75.49 M95*2 130 834.7
        M30*1.5 48 82.11 M100*2 135 873.3
        M33*1.5 52 6.3 6 3.6 3 93.32 M105*2 140 895
        M35*1.5 52 84.99 M110*2 150 14.43 14 6.75 6 1076
        M36*1.5 55 100.3 ၁၁၅*၂ 155 22 1369
        M39*1.5 58 107.3 M120*2 160 1423
        M40*1.5 58 109.5 M125*2 165 1477
        M42*1.5 62 121.8 M130*2 170 1531
        M45*1.5 68 153.6 M140*2 180 26 1937
        M48*1.5 72 12 8.36 8 4.25 3.5 201.2 M150*2 200 16.43 16 7.9 7 2651
        M50*1.5 72 186.8 M160*3 210 2810
        M52*1.5 78 238 M170*3 220 2970
        M55*2 78 214.4 M180*3 230 30 3610
        M56*2 85 290.1 ၁၉၀*၃ 240 3794
        M60*2 90 320.3 M200*3 250 3978

        Hot Tags: Shakeproof Slotted Locking Round Nut
        ဆက်စပ်အမျိုးအစား
        စုံစမ်းမေးမြန်းရန်ပေးပို့ပါ။
        ကျေးဇူးပြု၍ အောက်ပါပုံစံဖြင့် သင်၏စုံစမ်းမေးမြန်းမှုကို အခမဲ့ပေးပါ။ 24 နာရီအတွင်း သင့်အား အကြောင်းပြန်ပါမည်။
        X
        သင့်အား ပိုမိုကောင်းမွန်သောကြည့်ရှုမှုအတွေ့အကြုံကို ပေးဆောင်ရန်၊ ဆိုက်အသွားအလာကို ပိုင်းခြားစိတ်ဖြာပြီး အကြောင်းအရာကို ပုဂ္ဂိုလ်ရေးသီးသန့်ပြုလုပ်ရန် ကျွန်ုပ်တို့သည် ကွတ်ကီးများကို အသုံးပြုပါသည်။ ဤဆိုက်ကိုအသုံးပြုခြင်းဖြင့် ကျွန်ုပ်တို့၏ cookies အသုံးပြုမှုကို သင်သဘောတူပါသည်။ ကိုယ်ရေးအချက်အလက်မူဝါဒ
        ငြင်းပယ်ပါ။ လက်ခံပါတယ်။