ပခုံးအမျိုးအစား Eye bolt အဆင့်များကို ဘေးကင်းစွာ ရုတ်သိမ်းရန်အတွက် အရေးကြီးသော ခိုင်ခံ့မှုနှင့် ပစ္စည်းစံနှုန်းများဖြင့် သတ်မှတ်ထားသည်။ ကာဗွန်သံမဏိမျိုးကွဲများအတွက် 4.8၊ 8.8၊ 10.9 နှင့် 12.9 ပါဝင်သည်—မြင့်မားသောနံပါတ်များသည် ဆန့်နိုင်အားပိုကြီးသည်ဟု ဆိုလိုသည်။ အဆင့် 4.8 သည် အိမ်တွင်း DIY ကဲ့သို့ပေါ့ပါးသော အလုပ်များနှင့် ကိုက်ညီပြီး 8.8 သည် ယေဘူယျစက်မှုလုပ်ငန်းသုံးအတွက် လုပ်ဆောင်သည်။ စွမ်းအားမြင့် 10.9 နှင့် 12.9 အဆင့်များသည် ဆောက်လုပ်ရေး သို့မဟုတ် စက်ပစ္စည်းများတွင် လေးလံသောဝန်များကို ကိုင်တွယ်သည်။
သံမဏိဗားရှင်းများသည် A4 (316) သို့မဟုတ် A2 (304) အဆင့်များကို လိုက်နာလေ့ရှိပြီး အဏ္ဏဝါ/ဓာတုပတ်ဝန်းကျင်အတွက် သံချေးတက်ခြင်းကို ဦးစားပေးသည်။ Forged alloy steel grades များသည် အလွန်အမင်း lifting အတွက် သာလွန်သော ကြာရှည်ခံမှုကို ပေးပါသည်။ အဆင့်တစ်ခုစီကို သတ်မှတ်ထားသော အပလီကေးရှင်းများနှင့် လိုက်ဖက်ညီမှုရှိစေရန်နှင့် ဘေးကင်းရေး လိုက်နာမှုရှိကြောင်း သေချာစေမည့် ဝန်အဆင့်သတ်မှတ်ချက်များဖြင့် မှတ်သားထားသည်။
ပခုံးအမျိုးအစား Eye bolt အတွက် အရည်အသွေးထိန်းချုပ်မှုသည် ဘေးကင်းပြီး မှန်ကန်စွာအလုပ်လုပ်ကြောင်းသေချာစေရန် စေ့စေ့စပ်စပ်စစ်ဆေးခြင်းကို ဆိုလိုသည်။ ဤလုပ်ငန်းစဉ်တွင် များသောအားဖြင့် ပစ္စည်းအဆင့်မှန်ကန်ကြောင်းသေချာစေရန်၊ အပိုင်းများကို မှန်ကန်မှုရှိမရှိစစ်ဆေးခြင်းနှင့် Working Load Limit (WLL) ကိုအတည်ပြုရန်အတွက် လုပ်ဆောင်နေသောဝန်စစ်ဆေးမှုများပါဝင်ပါသည်။ အတိုင်းအတာများသည် DIN သို့မဟုတ် ISO ကဲ့သို့သော စံနှုန်းများနှင့် ကိုက်ညီမှုရှိမရှိကိုလည်း စစ်ဆေးပါသည်။ Eye bolts အတွဲတိုင်းသည် ခြေရာခံနိုင်သင့်ပြီး ၎င်းကို သင်အသုံးပြုမည့်နည်းလမ်းအတွက် လိုအပ်ချက်များနှင့် ကိုက်ညီကြောင်း သက်သေပြရန် အသိအမှတ်ပြုလက်မှတ်တစ်ခု ရရှိမည်ဖြစ်ပါသည်။

မေးခွန်း- ပခုံးအမျိုးအစား မျက်လုံးကို မည်ကဲ့သို့ မှန်ကန်စွာ တပ်ဆင်ရမည်နည်း။ ပုံမှန် တံခွန်တစ်ခုအတွက်၊ ခေါက်ထားသော အပေါက်တစ်ခုထဲသို့ တည့်တည့် ဝက်အူလှည့်ပါ—မျက်လုံးပခုံးသည် မျက်နှာပြင်နှင့် ထိကြောင်း သေချာပါစေ။ ထောင့်တစ်ခုတွင် ဆွဲတင်ခြင်းသည် ၎င်း၏ ဘေးကင်းသော လုပ်ငန်းခွင်ဝန်ကို လုံးဝ လျှော့ချနိုင်ပြီး ၎င်းသည် အန္တရာယ်ရှိသည်။

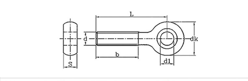
မီလီမီတာ
ချည်လုံးပတ်
d1
dk
s
M6
5
10.5
5.4
M8
6
13
7
M10
8
16
8.5
M12
10
19
10.5
M14
10
22
12