Spring Loaded Screw
        • Spring Loaded ScrewSpring Loaded Screw
        • Spring Loaded ScrewSpring Loaded Screw
        • Spring Loaded ScrewSpring Loaded Screw
        • Spring Loaded ScrewSpring Loaded Screw
        • Spring Loaded ScrewSpring Loaded Screw

        Spring Loaded Screw

        မော်တော်ယာဥ် သို့မဟုတ် အီလက်ထရွန်းနစ်ပစ္စည်းများကဲ့သို့သော တုန်ခါမှုကိုခံနိုင်ရည်ရှိသော၊ အပူချဲ့လျော်ကြေးပေးခြင်း သို့မဟုတ် ထိန်းချုပ်ထားသော ကုပ်ကြိုးများလိုအပ်သော အပလီကေးရှင်းများတွင် မကြာခဏအသုံးပြုလေ့ရှိသော ဝက်အူများဖြစ်သည်။Xiaoguo® တွင် ပရော်ဖက်ရှင်နယ်စက်ပစ္စည်းများနှင့် ပရော်ဖက်ရှင်နယ်ဝန်ထမ်းများ၊ ပရော်ဖက်ရှင်နယ်ဝန်ဆောင်မှုများပေးလျက်ရှိပြီး လူသိများသော တရုတ်ထုတ်လုပ်သူဖြစ်သည်။

        စုံစမ်းမေးမြန်းရန်ပေးပို့ပါ။

        ကုန်ပစ္စည်းအကြောင်းအရာ

        Spring loaded screw သည် ပိုမိုကောင်းမွန်ပြီး ကြာရှည်အသုံးပြုနိုင်စေရန် မတူညီသော အဆင့်မြင့် မျက်နှာပြင် ကုသမှုများကို ရယူလိုက်ပါ။ အသုံးများသောပစ္စည်းများတွင် သံချေးတက်စေပြီး ပိုကြည့်ကောင်းစေရန် အဝါရောင်၊ အပြာရောင် သို့မဟုတ် ကြည်လင်သော chromate passivation ပါ၀င်သော electroplated zinc ပါဝင်သည်။ အကြမ်းခံသော Geomet® (Dacromet၊ သွပ်ပြားအကာအကာကဲ့သို့)၊ တာရှည်ခံဖော့စဖိတ်အပေါ်ယံပိုင်း (ဆီထိန်းရန်နှင့် ပွတ်တိုက်မှုကိုထိန်းညှိရန် မန်းဂနိစ် သို့မဟုတ် ဇင့်ဖော့စဖိတ်ကဲ့သို့) သို့မဟုတ် ဖန်စီခြောက်သွေ့သော ဖလင်ချောဆီများလည်း ရှိပါသည်။


        Stainless Spring-Loaded Screw သည် ၎င်းတို့၏ သဘာဝ သံချေးတက်မှုကို မြှင့်တင်ရန် အများအားဖြင့် passivated ဖြစ်နေသည်။ ဤကုသမှုများသည် ၎င်းတို့ကို သံချေးတက်ခြင်းမှ ကာကွယ်ပေးပြီး ၎င်းတို့ကို သင်တပ်ဆင်သည့်အခါ ပွတ်တိုက်မှုကို လျှော့ချပေးသည် (သို့မှသာ သင်သည် ပိုမိုတိကျသော ကလစ်ဆွဲအားကို ရရှိစေသည်) နှင့် ၎င်းတို့အား သီးခြားလျှပ်စစ်ဂုဏ်သတ္တိများကိုပင် ပေးစွမ်းနိုင်ပါသည်။

        ထုတ်ကုန်ဘောင်များ

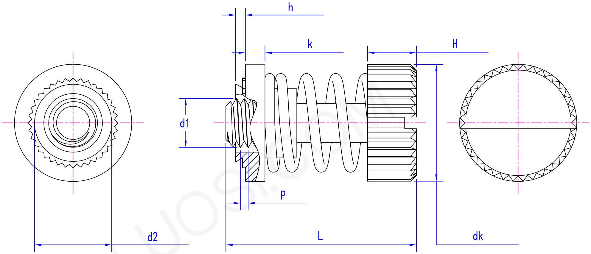
        မွန် 440 632 832 032
        P 40 32 32 32
        d1 #၄ #၆ #၈ #၁၀
        d2 အများဆုံး 0.202 0.218 0.249 0.311
        dk အမြင့်ဆုံး 0.416 0.448 0.478 0.54
        dk မိနစ် 0.396 0.428 0.458 0.52
        h အမြင့်ဆုံး 0.038 0.038 0.038 0.038
        k အများဆုံး

        0.128

        0.128 0.128 0.12
        k min0.118 0.118 0.118 0.118 0.11
        H max 0.207 0.207 0.212 0.225
        ဇမိ 0.197 0.197 0.202 0.215




        အရွယ်အစား

        Spring-loaded screw သည် မတူညီသော အင်ဂျင်နီယာလိုအပ်ချက်များနှင့် ကိုက်ညီစေရန် အရွယ်အစားနှင့် အမျိုးအစားများစွာ ရှိသည်။ မက်ထရစ်စာတွဲများအတွက်၊ ဘုံအရွယ်အစားများသည် fine-thread M2 မှ M12 အထိ သို့မဟုတ် ပိုကြီးသည်။ အင်ပါယာအရွယ်အစားများသည် အချင်း # 4 မှ 1/2 လက်မအထိရှိသည်။ လျှောက်လွှာတွင် မည်မျှအထိ နက်ရှိုင်းစွာ သွားရမည်ပေါ်မူတည်၍ အရှည်များသည် များစွာပြောင်းလဲပါသည်။


        အရေးကြီးသော specs များတွင် thread pitch၊ head style (hex၊ flange၊ button သို့မဟုတ် socket cap)၊ drive type (hex socket၊ Phillips၊ Torx®) နှင့် built-in spring အပိုင်း (Belleville washer၊ wave spring သို့မဟုတ် သီးခြား thread shape) တို့ ပါဝင်ပါသည်။ အများစုသည် DIN၊ ISO သို့မဟုတ် OEMs လိုအပ်သည့် စံနှုန်းများကို လိုက်နာကြသည်။

        Spring Loaded Screw

        အရည်အသွေး စံချိန်စံညွှန်းများနှင့် လုပ်ငန်းဆိုင်ရာ လက်မှတ်များ

        Q: ISO သို့မဟုတ် သီးခြားလုပ်ငန်းဆိုင်ရာ အသိအမှတ်ပြုလက်မှတ်များကဲ့သို့သော နိုင်ငံတကာ အရည်အသွေးစံနှုန်းများနှင့် ကိုက်ညီပါသလား။

        A: ဟုတ်ကဲ့၊ ကျွန်တော်တို့ ထုတ်လုပ်မှုကို အလေးအနက်ထား ဆောင်ရွက်နေပါတယ်။ ကျွန်ုပ်တို့၏ စပရိန်တင်ထားသောဝက်အူများကို အရည်အသွေးထိန်းချုပ်ရန်အတွက် ISO 9001 ကဲ့သို့ ISO စံနှုန်းများအတိုင်း ပြုလုပ်ထားပါသည်။ အကယ်၍ သင်သည် စက်မှုလုပ်ငန်းဆိုင်ရာ သီးခြားအသိအမှတ်ပြုလက်မှတ်များ လိုအပ်ပါက၊ မော်တော်ယာဥ်အတွက် IATF 16949 သို့မဟုတ် အာကာသယာဉ်အတွက် AS9100 ကဲ့သို့သော အရာများကို ကျွန်ုပ်တို့လည်း လုပ်ဆောင်နိုင်ပါသည်။ အသုတ်တိုင်းအတွက် ရုပ်ပိုင်းဆိုင်ရာ အသိအမှတ်ပြု အစီရင်ခံစာများ (MTCs) နှင့် အတိုင်းအတာ စစ်ဆေးမှုများကို ပံ့ပိုးပေးနိုင်ပါသည်။ ထိုနည်းအားဖြင့် သင်သည် ပစ္စည်းများ ဘယ်ကလာသည်ကို ခြေရာခံနိုင်ပြီး အရာအားလုံးသည် သင့်ပရောဂျက်၏ သတ်မှတ်ချက်များနှင့် ကိုက်ညီကြောင်း သေချာစေပါသည်။


        Hot Tags: Spring Loaded Screw, China, Manufacturer, Supplier, Factory
        ဆက်စပ်အမျိုးအစား
        စုံစမ်းမေးမြန်းရန်ပေးပို့ပါ။
        ကျေးဇူးပြု၍ အောက်ပါပုံစံဖြင့် သင်၏စုံစမ်းမေးမြန်းမှုကို အခမဲ့ပေးပါ။ 24 နာရီအတွင်း သင့်အား အကြောင်းပြန်ပါမည်။
        X
        သင့်အား ပိုမိုကောင်းမွန်သောကြည့်ရှုမှုအတွေ့အကြုံကို ပေးဆောင်ရန်၊ ဆိုက်အသွားအလာကို ပိုင်းခြားစိတ်ဖြာပြီး အကြောင်းအရာကို ပုဂ္ဂိုလ်ရေးသီးသန့်ပြုလုပ်ရန် ကျွန်ုပ်တို့သည် ကွတ်ကီးများကို အသုံးပြုပါသည်။ ဤဆိုက်ကိုအသုံးပြုခြင်းဖြင့် ကျွန်ုပ်တို့၏ cookies အသုံးပြုမှုကို သင်သဘောတူပါသည်။ ကိုယ်ရေးအချက်အလက်မူဝါဒ
        ငြင်းပယ်ပါ။ လက်ခံပါတယ်။