အိမ် > ထုတ်ကုန်များ > မင်းတုံး > Square Head Bolt > စတုရန်းရေတွက်ခေါင်းကို Bolt
      စတုရန်းရေတွက်ခေါင်းကို Bolt
      • စတုရန်းရေတွက်ခေါင်းကို Boltစတုရန်းရေတွက်ခေါင်းကို Bolt
      • စတုရန်းရေတွက်ခေါင်းကို Boltစတုရန်းရေတွက်ခေါင်းကို Bolt

      စတုရန်းရေတွက်ခေါင်းကို Bolt

      Square Countersunk Head Bolt ကသော့ခလောက်ခေါင်းကိုတပ်ဆင်ခြင်းကိုမျက်နှာပြင်ပေါ်သို့နစ်မြုပ်စေပြီး, အကယ်. သင်ကပြားချပ်ချပ်မျက်နှာပြင်လိုအပ်လျှင်Xiaoguo®ကိုရွေးချယ်နိုင်သည်။ ကောင်တီခေါင်းသည်သော့ခတ်ကိုမျက်နှာပြင်သို့ချောချောမွေ့မွေ့ပြုလုပ်နိုင်သည်။ ကျွန်ုပ်တို့သည်အမျိုးမျိုးသောအရွယ်အစားအမျိုးမျိုးကိုထုတ်လုပ်ပြီးသူတို့စတော့ရှယ်ယာများတွင်ရှိသည်။ မေးမြန်းစုံစမ်းမှုများအတွက်မည်သည့်အချိန်တွင်မဆိုကျွန်ုပ်တို့ကိုဆက်သွယ်နိုင်ပါသည်။
      မော်ဒယ်:MS 9397-2000

      စုံစမ်းမေးမြန်းရန်ပေးပို့ပါ။

      ကုန်ပစ္စည်းအကြောင်းအရာ

      တစ် ဦး ၏ ဦး ခေါင်းစတုရန်းရေတွက်ခေါင်းကို Boltစတုရန်းသည်စတုရန်းဖြစ်ပြီး၎င်းသည်၎င်းတွင်ပါ 0 င်သည့်ပစ္စည်း၏ countersunk တွင်းထဲသို့လုံးလုံးနစ်မြုပ်နိုင်သည့် bevel ရှိသည်။ ဤနည်းအားဖြင့်သော့ခတ်ခေါင်းသည်ပေါ်ထွက်လာမည်မဟုတ်ပါ။ သငျသညျအလှအပကိုလိုက်စားလျှင်, သင်ရွေးချယ်နိုင်သည်။


      ကုန်ပစ္စည်းအသေးစိတ်အချက်အလက်များနှင့် parameters တွေကို

      သင်အသုံးပြုနိုင်သည်စတုရန်းရေတွက်ခေါင်းကို Boltပရိဘောဂကုန်ထုတ်လုပ်မှုစက်မှုလုပ်ငန်း၌တည်၏။ ၎င်းတို့ကိုတက်ဘလက်များ, ကက်ဘိနက်တံခါးများစသည်တို့ကိုအသုံးပြုနိုင်သည်။ တင်းကျပ်နေပြီးနောက်မျက်နှာပြင်သည်ချောမွေ့ပြီးပရိဘောဂများ၏အသွင်အပြင်ကိုမထိခိုက်ပါ။ ထိမိသောအခါသူတို့သည်လည်းမသက်မသာမခံစားရပါ။


      သော့ခလောက်လိမ်ဖဲ့ခြင်းသည်အဆက်အသွယ်ကြီးမားသောနေရာတစ်ခုရှိပြီးတင်းကျပ်သည့်အခါခေါင်းကိုက်ခြင်းထက်ပိုမိုလွယ်ကူစေရန်လွယ်ကူသည်။ ခွန်အားအနည်းငယ်သာရှိသူများပင်သော့ခလောက်များကိုတင်းကျပ်နိုင်သည်။ countersunk အပေါက်ကိုတပ်ဆင်ခြင်းမပြုမီပစ္စည်းတွင်တူးဖော်ရန်လိုအပ်သည်။ ပြီးနောက်စတုရန်းရေတွက်ခေါင်းကို Boltလွဲချော်သွားပြီ, ခေါင်းကိုတွင်းထဲသို့လုံးဝထည့်ပြီးပစ္စည်းမျက်နှာပြင်နှင့်အတူ flush ဖြစ်ပါတယ်။ ဤနည်းအားဖြင့်၎င်းကိုလေယာဉ်တစ်စင်းပေါ်တွင်တပ်ဆင်ထားသည်ဖြစ်စေ, ကွေးကောက်မျက်နှာပြင်ပေါ်တွင်တပ်ဆင်ထားသည်ဖြစ်စေ၎င်းသည်အလုံးစုံပြားချပ်ချပ်ကိုထိခိုက်လိမ့်မည်မဟုတ်ပါ။


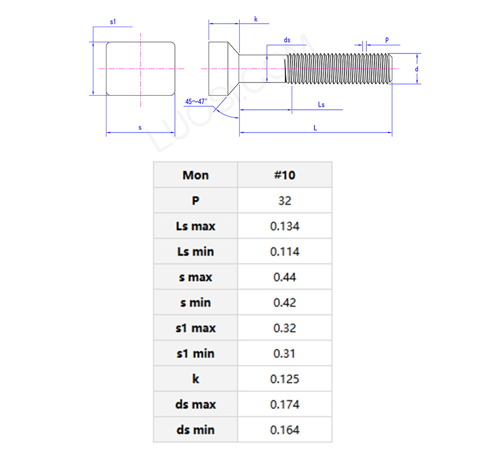
      Square countersunk head bolt parameters

      ကုန်ပစ္စည်းရောင်းရန်အမှတ်

      အပေြာင်းစတုရန်းရေတွက်ခေါင်းကို Boltအာကာသ - အခမဲ့ဖြစ်ခြင်းအားဖြင့်သွင်ပြင်လက်ခဏာဖြစ်ပါတယ်။ တပ်ဆင်ပြီးနောက် Bolt Head သည်ပစ္စည်းမျက်နှာပြင်နှင့်အတူ flush ဖြစ်ပြီးသာမန်သော့ခလောက်များကဲ့သို့အဖိုးမရှိပါ။ ၎င်းသည်အသွင်အပြင်ကိုမထိခိုက်စေ, သူတို့က install လုပ်ဖို့လွယ်ကူပြီး installation မှာအလွယ်တကူမချွေဘူး, သူတို့ကိုအရမ်းလက်တွေ့ကျစေတယ်။


      Hot Tags: စတုရန်းရေတွက်သူ ဦး ခေါင်းကို Bolt, China, ထုတ်လုပ်သူ, ပေးသွင်းသူ, စက်ရုံ
      ဆက်စပ်အမျိုးအစား
      စုံစမ်းမေးမြန်းရန်ပေးပို့ပါ။
      ကျေးဇူးပြု၍ အောက်ပါပုံစံဖြင့် သင်၏စုံစမ်းမေးမြန်းမှုကို အခမဲ့ပေးပါ။ 24 နာရီအတွင်း သင့်အား အကြောင်းပြန်ပါမည်။
      X
      We use cookies to offer you a better browsing experience, analyze site traffic and personalize content. By using this site, you agree to our use of cookies. Privacy Policy
      Reject Accept