ချိတ်တွဲဖက်

        ချိတ်တွဲဖက်

        Xiaoguo®လမ်းဆုံလမ်းခွပူးတွဲကိုဂျာမန်စက်မှုဒေသ 71752-1994 နှင့်တင်းကျပ်စွာအညီထုတ်လုပ်သည်။ ချိတ်ဖက်သည်ပွင့်လင်းသောလမ်းဆုံလမ်းခွပုံစံဖွဲ့စည်းပုံကိုလက်ခံပြီး Polvirojectional articulation အောင်မြင်ရန် PIN နံပါတ်နှင့်ပူးပေါင်းသည်။
        မော်ဒယ်:DIN 71752-1994

        စုံစမ်းမေးမြန်းရန်ပေးပို့ပါ။

        ကုန်ပစ္စည်းအကြောင်းအရာ


        Fork ပူးတွဲသည်စိုက်ပျိုးရေးစက်ပစ္စည်းအဆစ်များစသည်တို့,


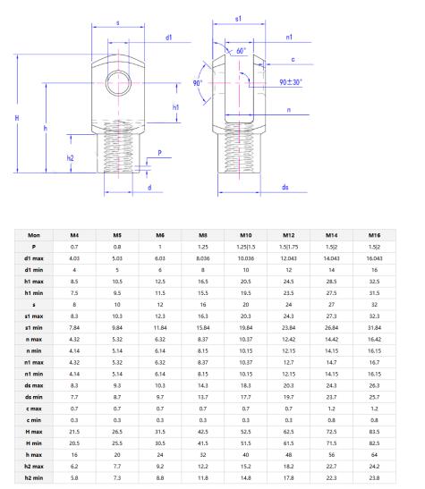
        အသေးစိတ်နှင့် parameters တွေကို

        120 °ဆုံဆို့ဆုံဆုံဆို့ကလမ်းဆုံလမ်းခွသည်± 15 ° swing ခွင့်ပြုသည်။ ချိတ်ဆက်မှုသည် coaxial installation အမှားအယွင်းများနှင့်လိုက်လျောညီထွေဖြစ်အောင်လုပ်ပြီးတင်းကျပ်သောဆက်သွယ်မှုများတွင်စိတ်ဖိစီးမှုအာရုံစူးစိုက်မှုကိုရှောင်ရှားသည်။ ဤအဆစ်၏ပစ္စည်းများကို 42crmo alloy သံမဏိ (အမြင့်ဆုံးခွန်အား) သို့မဟုတ်သံမဏိ 316 သံမဏိ (316 သံမဏိ) မှရွေးချယ်နိုင်သည်။

        Fork joint

        ချိတ်ဖက်များသည်အဓိကစီးနင်းမှုစနစ်များတွင်အဓိကကျသည့်ပစ္စည်းများလွှဲပြောင်းမှုအတွက်ခါးပတ်အစိတ်အပိုင်းများကိုချိတ်ဆက်သည်။ သူတို့၏ချိတ်ဆွဲထားသောဒီဇိုင်းသည်တုန်ခါမှုနှင့်နှစ် ဦး နှစ်ဖက်တပ်ဖွဲ့များကိုစုပ်ယူသည်။ စက်ရုပ်လက်နက်များတွင်ချိတ်ဆက်အဆစ်များသည်စည်းဝေးပွဲမျဉ်းလုပ်ငန်းများကဲ့သို့သောတိကျသောလုပ်ငန်းများအတွက် Multi-Axis လှုပ်ရှားမှုများကိုဖွင့်ပေးသည်။

        Fork joint

        စျေးကွက်ဖြန့်ဖြူး

        စေျးကြီး
        ဝင်ငွေ (ပြီးခဲ့သည့်နှစ်)
        စုစုပေါင်းဝင်ငွေ (%)
        မြောက်အမေရိက
        လှျို့ဝှက်သော
        23
        တောင်အမရေိက
        လှျို့ဝှက်သော 5
        အရှေ့ဥရောပ
        လှျို့ဝှက်သော
        19
        အရှေ့တောင်အာရှ
        လှျို့ဝှက်သော
        2
        Oceania
        လှျို့ဝှက်သော
        3
        အရှေ့တိုင်းအလယ်ပိုင်း
        လှျို့ဝှက်သော
        2
        အရှေ့အာရှအာရှ
        လှျို့ဝှက်သော
        15
        အနောက်ဥရောပ
        လှျို့ဝှက်သော
        15
        အမရေိကအလယ်ပိုင်း
        လှျို့ဝှက်သော
        5
        တောင်အာရှ
        လှျို့ဝှက်သော
        6

        ပြည်တွင်းစျေးကွက်

        လှျို့ဝှက်သော
        5


        ဘာကြောင့်ငါတို့ကိုရွေးချယ်တာလဲ

        DIN 71752-1994 စံနှင့်အညီထုတ်လုပ်မှုချိတ်ဆက်မှုတွင်အတွေ့အကြုံနှင့်အတူ System-Level Performance ကိုသေချာစေရန်ကျွန်ုပ်တို့သည် Pin-fork tailing tests (torque-swing curves curves) ကိုပေးရမည်။

        7 ရက်အတွင်းတွင်စံပြမဟုတ်သောပါးစပ်ဒီဇိုင်းများကို (ချောဆီတို့နှင့်သွေးဆီသို့သွေးခဲခြင်းနှင့်သော့ခတ်ထားသောသော့ခတ်ထားသည့်အဆောက်အအုံများ) ကိုဖြည့်စွက်ပြီးပုံဆွဲခြင်းအပေါ် အခြေခံ. ထောက်ပံ့မှုကိုထောက်ပံ့သည်။



        Hot Tags: ချိတ်ဆက်ပူးတွဲ, တရုတ်, ထုတ်လုပ်သူ, ပေးသွင်းသူ, စက်ရုံ
        ဆက်စပ်အမျိုးအစား
        စုံစမ်းမေးမြန်းရန်ပေးပို့ပါ။
        ကျေးဇူးပြု၍ အောက်ပါပုံစံဖြင့် သင်၏စုံစမ်းမေးမြန်းမှုကို အခမဲ့ပေးပါ။ 24 နာရီအတွင်း သင့်အား အကြောင်းပြန်ပါမည်။
        X
        သင့်အား ပိုမိုကောင်းမွန်သောကြည့်ရှုမှုအတွေ့အကြုံကို ပေးဆောင်ရန်၊ ဆိုက်အသွားအလာကို ပိုင်းခြားစိတ်ဖြာပြီး အကြောင်းအရာကို ပုဂ္ဂိုလ်ရေးသီးသန့်ပြုလုပ်ရန် ကျွန်ုပ်တို့သည် ကွတ်ကီးများကို အသုံးပြုပါသည်။ ဤဆိုက်ကိုအသုံးပြုခြင်းဖြင့် ကျွန်ုပ်တို့၏ cookies အသုံးပြုမှုကို သင်သဘောတူပါသည်။ ကိုယ်ရေးအချက်အလက်မူဝါဒ
        ငြင်းပယ်ပါ။ လက်ခံပါတယ်။