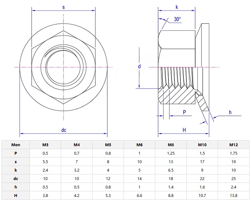
Hex nuts နှင့် taper washer တပ်ဆင်မှုsမညီညာသော သို့မဟုတ် ထောင့်ချိုးမျက်နှာပြင်များအတွက် သင့်လျော်သည်။ဆဋ္ဌဂံအခွံမာသီးဘေးကင်းစေရန်အတွက် သင့်လျော်သော လျှောစောက် သို့မဟုတ် ကင်းရှင်းစေရန် တိပ်အ၀တ်လျှော်စက်များကို ချိန်ညှိထားသော်လည်း boltsများအတွက် စံချည်ကြိုးများကို ပံ့ပိုးပေးပါသည်။

ဟိhex အခွံမာသီးများနှင့် taper washer စည်းဝေးပွဲများသာမာန်ချည်မျှင်တစ်ခုပါရှိပြီး၊ သွယ်လျသောအဝတ်လျှော်စက်သည် 10-15 ဒီဂရီအထိ ချိန်ညှိနိုင်သော ထောင့်ချိုးမျက်နှာပြင်ပါရှိသည်။ အဝတ်လျှော်စက်၏ ကျယ်ပြန့်သော အောက်ခြေသည် ဝန်အား အညီအမျှ ဖြန့်ဝေပေးကာ တပ်ဆင်မှုကို မက်ထရစ် သို့မဟုတ် အင်ပါယာ ဘောလ်များဖြင့် လုပ်ဆောင်သည်။ ၎င်းသည် ပြားချပ်ချပ်ဝတ်လျှော်စက်ထက် ပိုကြီးသော်လည်း ချိန်ညှိမှုစိန်ခေါ်မှုများကို ဖြေရှင်းပေးသည်။
သုံးပါ။hex အခွံမာသီးများနှင့် taper washer တပ်ဆင်မှုesလုံခြုံဖို့မူလီများစောင်းနေသော သို့မဟုတ် ပုံမမှန်သော မျက်နှာပြင်များပေါ်တွင်။ ၎င်းသည် ညွတ်သောစတီးတန်းတန်းများပေါ်တွင် ကွင်းကွင်းများတပ်ဆင်ခြင်း၊ မညီညာသောကွန်ကရစ်ပေါ်တွင် စက်ကိရိယာများတပ်ဆင်ခြင်း၊ သို့မဟုတ် ကျောက်ဆောင်ကြမ်းပြင်များတွင် စက်ခြေထောက်များကို လုံခြုံအောင်ပြုလုပ်နိုင်သည်။ ၎င်းသည် အချိန်ကြာလာသည်နှင့်အမျှ မျက်နှာပြင်များကို အထိုင်ချခြင်း သို့မဟုတ် ကွေးညွှတ်ခြင်းဖြင့် အဟောင်းများကို ပြန်လည်ပြုပြင်ရန်လည်း လွယ်ကူစေသည်။
Hအခွံမာသီးဟောင်းများနှင့် taper washer စည်းဝေးပွဲများဆောက်လုပ်ရေးလုပ်ငန်း (သံမဏိတန်းများ၊ ငြမ်းများ)၊ ရထားလမ်းစနစ်များ (ခြေရာခံချိတ်ဆွဲခြင်း) နှင့် စိုက်ပျိုးရေးသုံး စက်ယန္တရားများ (မညီမညာသောမြေပြင်ပေါ်တွင် ပူးတွဲပါရှိသည့်) များတွင် အဖြစ်များပါသည်။ ၎င်းတို့ကို ဓာတ်တိုင်များ၊ ဆိုလာပြားများ တပ်ဆင်ခြင်းနှင့် ကုန်းပတ်တည်ဆောက်ခြင်းကဲ့သို့သော DIY ပရောဂျက်များတွင်လည်း အသုံးပြုပါသည်။ ထောင့်ချိုး သို့မဟုတ် ကြမ်းတမ်းသော မျက်နှာပြင်များနှင့် ဆုံသည့်နေရာတိုင်း၊ ဤပေါင်းစပ်မှုသည် အရာများကို တင်းကျပ်စေသည်။

| စျေးကွက် |
စုစုပေါင်းဝင်ငွေ (%) |
| မြောက်အမေရိက |
10 |
| အရှေ့ဥရောပ |
23 |
| အရှေ့တောင်အာရှ |
3 |
| အရှေ့အလယ်ပိုင်း |
5 |
| အရှေ့အာရှ |
18 |
| အနောက်ဥရောပ |
15 |
| ဗဟိုအမေရိက |
6 |
| တောင်အာရှ |
5 |
| ပြည်တွင်းဈေးကွက် |
15 |
Hex nuts နှင့် taper washer တပ်ဆင်မှုများပြုပြင်ထိန်းသိမ်းစရိတ် နည်းပါးပြီး ထုတ်ကုန်သည် သံချေးတက်ခြင်း ရှိ၊ ဆုပ်ကိုင်ထားရန် ကွေးထားသော gasket ကို အစားထိုးရန်လိုအပ်သည်။ ၎င်းတို့သည် ပြင်းထန်သောထောင့်များ (15 ဒီဂရီထက်ပို) သို့မဟုတ် လေးလံသောလှည့်ပတ်မှုများအတွက် မသင့်လျော်ပါ။ ၎င်းတို့သည် ဟန်ချက်မညီသော အလုပ်အများစုအတွက် ကုန်ကျစရိတ်သက်သာသော အဖြေတစ်ခုဖြစ်သည်။