Square Floating Cage Nut
        • Square Floating Cage NutSquare Floating Cage Nut
        • Square Floating Cage NutSquare Floating Cage Nut
        • Square Floating Cage NutSquare Floating Cage Nut

        Square Floating Cage Nut

        QIB/IND FN စံနှုန်း၏ ပင်မထုတ်ကုန်တစ်ခုအနေဖြင့် Xiaoguo® လေးထောင့်ရေပေါ်လှောင်အိမ် nut သည် ±2mm ဘေးတိုက်ရွှေ့ပြောင်းခြင်းလျော်ကြေးငွေကို ခွင့်ပြုပေးကာ ±2 မီလီမီတာ ဘေးတိုက်ရွှေ့လျားမှုလျော်ကြေးငွေကို ခွင့်ပြုကာ၊ တက်ကြွသော တပ်ဆင်မှုအခြေအနေများအတွက် သင့်လျော်သည်။

        စုံစမ်းမေးမြန်းရန်ပေးပို့ပါ။

        ကုန်ပစ္စည်းအကြောင်းအရာ

        လေးထောင့်ရေပေါ်လှောင်အိမ် nutစတုရန်းကိုယ်ထည်နှင့် ရေပေါ်လှောင်အိမ်ဖွဲ့စည်းပုံတို့ ပါဝင်သည်။လေးထောင့်ရေပေါ်လှောင်အိမ် nutရှုပ်ထွေးသော တပ်ဆင်မှုပတ်ဝန်းကျင်တွင် တည်ငြိမ်ပြီး လိုက်လျောညီထွေဖြစ်အောင် ချိတ်ဆွဲထားရန် ဒီဇိုင်းထုတ်ထားပြီး၊ ရေရှည်အသုံးပြုနေစဉ်အတွင်း စက်၏ချိတ်ဆက်မှုအစိတ်အပိုင်းများ၏ ယုံကြည်စိတ်ချရမှုကို သေချာစေသည်။

        ထုတ်ကုန်အသေးစိတ်နှင့် ကန့်သတ်ချက်များ

        Anti-drop ဒီဇိုင်း- လှောင်အိမ်၏ နွေဦးဖွဲ့စည်းပုံသည် သေချာသည်။လေးထောင့်ရေပေါ်လှောင်အိမ် nutတုန်ခါမှုအတွင်း သော့ခတ်ထားဆဲဖြစ်သည်။

        အမြန်တပ်ဆင်ခြင်း- အဆိုပါလေးထောင့်ရေပေါ်လှောင်အိမ် nutစံကိရိယာများနှင့် သဟဇာတဖြစ်သော ကြိုတင်သတ်မှတ်စတုရန်းဘောင်တစ်ခု ရှိပြီး လက်တစ်ဖက်တည်းဖြင့် လည်ပတ်ပြင်ဆင်နိုင်သည်။

        Square floating cage nut

        လေးထောင့်ရေပေါ်လှောင်အိမ် nutစက်မှုလုပ်ငန်းသုံး ပစ္စည်းခွံများ (ဥပမာ ကွန်ထရိုးပုံးများ၊ ဖြန့်ဖြူးရေးသေတ္တာများ)၊ ၎င်း၏ ရေပေါ်ဘောင်ကို အပူချဲ့ထွင်ခြင်းနှင့် ကျုံ့နေချိန်အတွင်း ရွှေ့ပြောင်းခြင်းအတွက် လျော်ကြေးပေးပြီး သံမဏိဖြင့် ပြုလုပ်ထားပြီး သံမဏိဖြင့် ပြုလုပ်ထားသည်။ ၎င်းသည် M5-M12 သတ်မှတ်ချက်များကို ပံ့ပိုးပေးကာ သေးငယ်သောနေရာများတွင် တပ်ဆင်မှုကို ရိုးရှင်းစေပြီး လူကိုယ်တိုင် ချိန်ညှိမှုကုန်ကျစရိတ်များကို လျှော့ချပေးသည်။

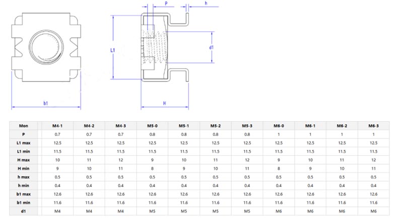
        Square floating cage nut parameter

        ကျွန်ုပ်တို့၏စျေးကွက်ဖြန့်ချီရေး

        စျေးကွက်
        စုစုပေါင်းဝင်ငွေ (%)
        မြောက်အမေရိက
        20
        တောင်အမေရိက
        5
        အရှေ့ဥရောပ
        21
        အရှေ့တောင်အာရှ
        2
        Oceania
        3
        အရှေ့အလယ်ပိုင်း
        5
        အရှေ့အာရှ
        15
        အနောက်ဥရောပ
        13
        ဗဟိုအမေရိက
        5
        တောင်အာရှ
        6
        ပြည်တွင်းဈေးကွက်
        5

        ငါတို့အဖွဲ့

        ကျွန်ုပ်တို့၏ အတွေ့အကြုံရှိသော အင်ဂျင်နီယာများအဖွဲ့သည် ကျွန်ုပ်တို့၏ဖန်တီးမှုပုံစံကို မြှင့်တင်ပေးပါသည်။လေးထောင့်ရေပေါ်လှောင်အိမ်အခွံမာသီး. တင်းကျပ်သော ဆာဗာကွက်များတွင် ပိုမိုလွယ်ကူစွာ ချိန်ညှိခြင်း သို့မဟုတ် တုန်ခါနေသောစက်ပစ္စည်းများတွင် ပိုမိုကောင်းမွန်စွာ ဆုပ်ကိုင်ထားခြင်းကဲ့သို့သော သုံးစွဲသူများ အမှန်တကယ်လိုအပ်သည်များကို ကျွန်ုပ်တို့ နားထောင်သည်—ထို့နောက် အဆိုပါလိုအပ်ချက်များကို ပုံဖော်ရန်အတွက် ဒီဇိုင်းကို ချိန်ညှိပါ (ပိုမိုကျယ်ပြန့်သော ဖေါ့အကွာအဝေးများ သို့မဟုတ် သံချေးမတက်သောအပေါ်ယံပိုင်းများစဉ်းစားပါ)။ အောက်ခြေလိုင်း- သင်သည် အချိန်တိုင်းတွင် အလုပ်လုပ်သော အခွံမာသီးများကို ရရှိသည်။

        Hot Tags: Square Floating Cage Nut, China, Manufacturer, Supplier, Factory
        ဆက်စပ်အမျိုးအစား
        စုံစမ်းမေးမြန်းရန်ပေးပို့ပါ။
        ကျေးဇူးပြု၍ အောက်ပါပုံစံဖြင့် သင်၏စုံစမ်းမေးမြန်းမှုကို အခမဲ့ပေးပါ။ 24 နာရီအတွင်း သင့်အား အကြောင်းပြန်ပါမည်။
        X
        သင့်အား ပိုမိုကောင်းမွန်သောကြည့်ရှုမှုအတွေ့အကြုံကို ပေးဆောင်ရန်၊ ဆိုက်အသွားအလာကို ပိုင်းခြားစိတ်ဖြာပြီး အကြောင်းအရာကို ပုဂ္ဂိုလ်ရေးသီးသန့်ပြုလုပ်ရန် ကျွန်ုပ်တို့သည် ကွတ်ကီးများကို အသုံးပြုပါသည်။ ဤဆိုက်ကိုအသုံးပြုခြင်းဖြင့် ကျွန်ုပ်တို့၏ cookies အသုံးပြုမှုကို သင်သဘောတူပါသည်။ ကိုယ်ရေးအချက်အလက်မူဝါဒ
        ငြင်းပယ်ပါ။ လက်ခံပါတယ်။